LEMON Manuals: Even more car manuals for everyone
Home >> Mazda >> 2006 >> MPV ES >> Repair and Diagnosis (Single Page) >> Quick Lookups >> Wiring Diagrams >> OEM Connector End Views >> Connector End Views >> Terminal Component No. 1 And Coupler Component Connector End View

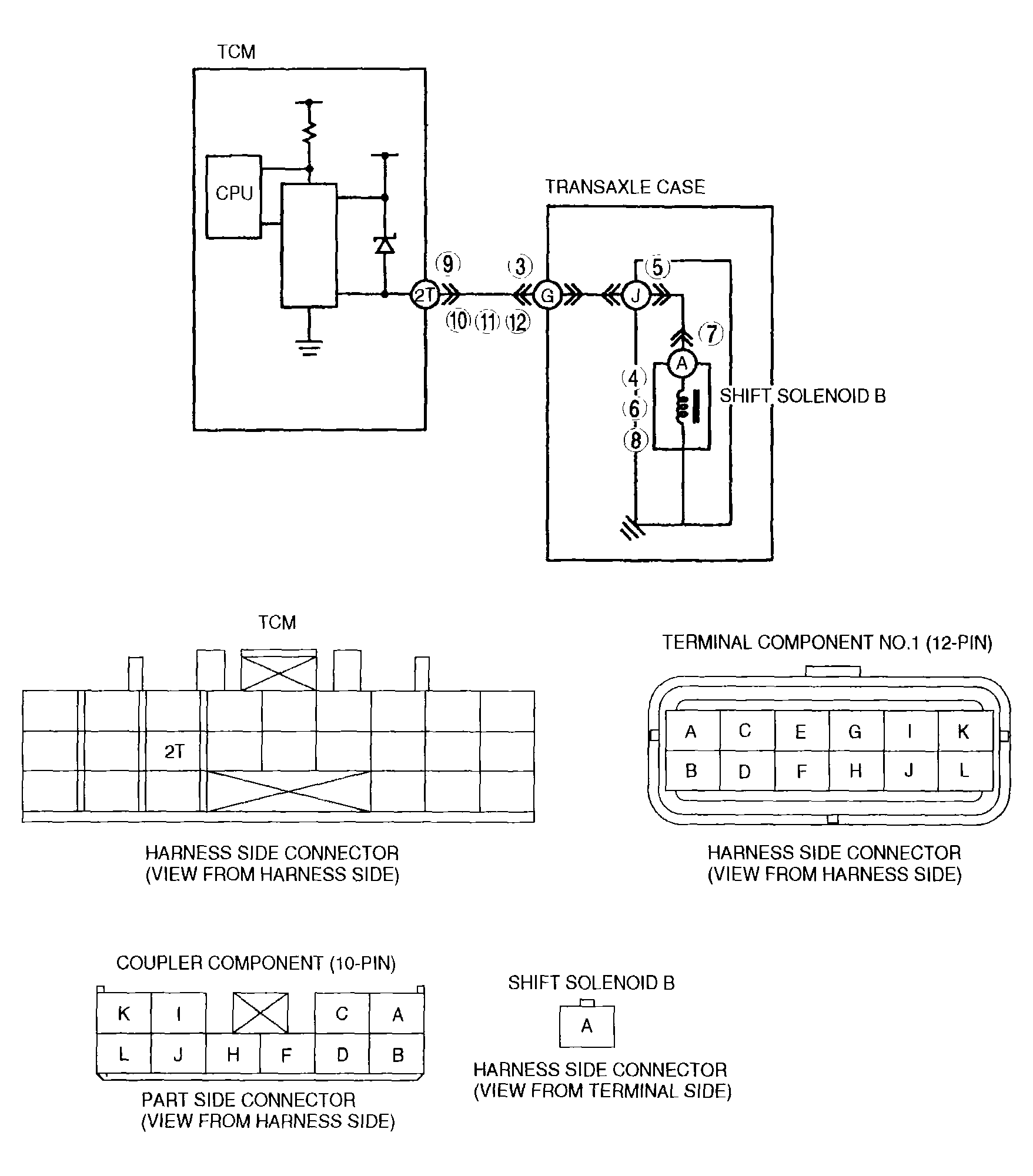
Terminal Component No. 1 And Coupler Component Connector End View

Fig 1: Terminal Component No. 1 And Coupler Component Connector End View
G04328697Courtesy of MAZDA MOTORS CORP.