LEMON Manuals: Even more car manuals for everyone
Home >> Mazda >> 2006 >> MPV ES >> Repair and Diagnosis (Single Page) >> Electrical >> Wiring Diagrams >> OEM Connector End Views >> Connector End Views >> Clock Spring Connector End View (Standard Deployment Control System)

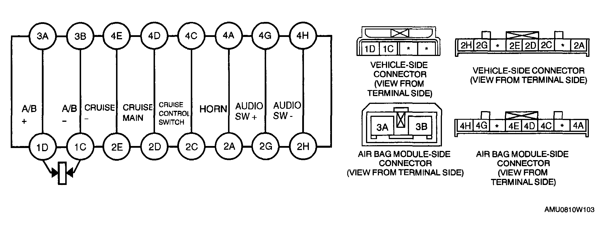
Clock Spring Connector End View (Standard Deployment Control System)

Fig 1: Clock Spring Connector End View (Standard Deployment Control System)
G04329155Courtesy of MAZDA MOTORS CORP.