LEMON Manuals: Even more car manuals for everyone
Home >> Mazda >> 2005 >> 3 i, Standard >> Repair and Diagnosis >> Engine Performance >> System >> On-Board Diagnostic [Engine Control System] >> Control System Wiring Diagram >> California Emission Regulation Applicable Model

California Emission Regulation Applicable Model

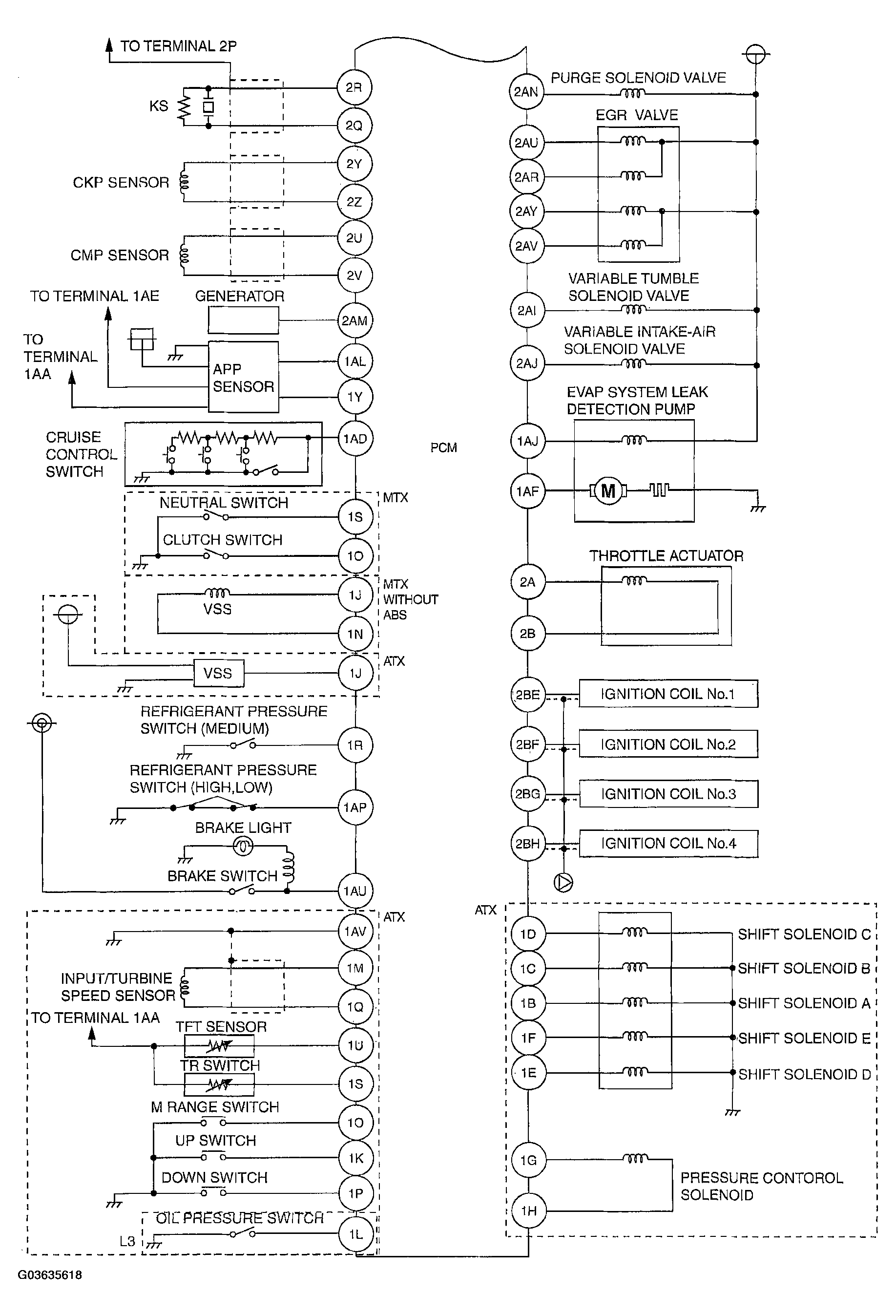
Fig 1: Control System Wiring Diagram - California (1 Of 2)
G03635617Courtesy of MAZDA MOTORS CORP.
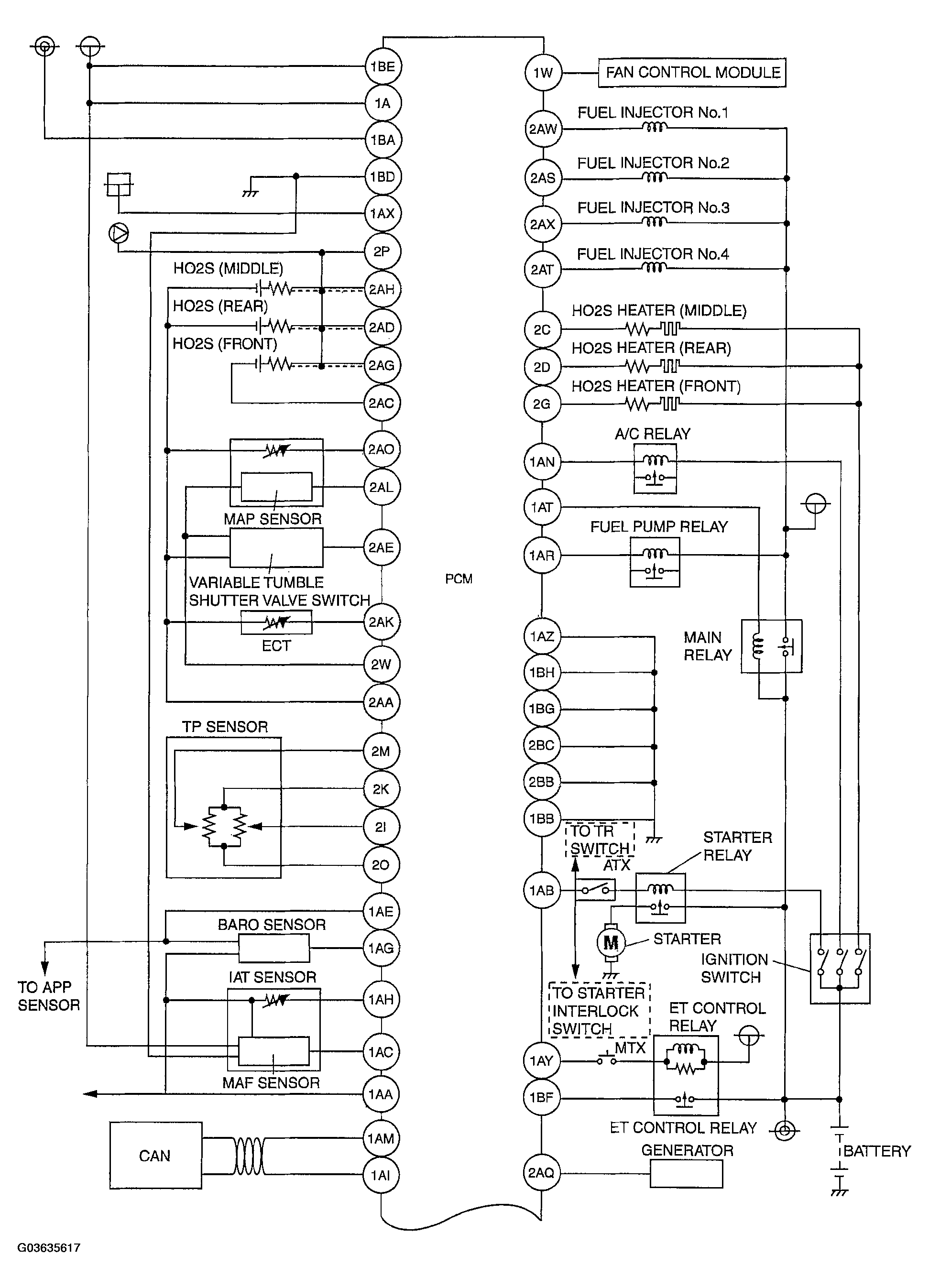
Fig 2: Control System Wiring Diagram - California (2 Of 2)
G03635618Courtesy of MAZDA MOTORS CORP.