LEMON Manuals: Even more car manuals for everyone
Home >> Mazda >> 2005 >> 3 i, Standard >> Repair and Diagnosis >> Engine Performance >> Engine Control Systems >> Control System Wiring Diagram >> California Emission Regulation Applicable Model

California Emission Regulation Applicable Model

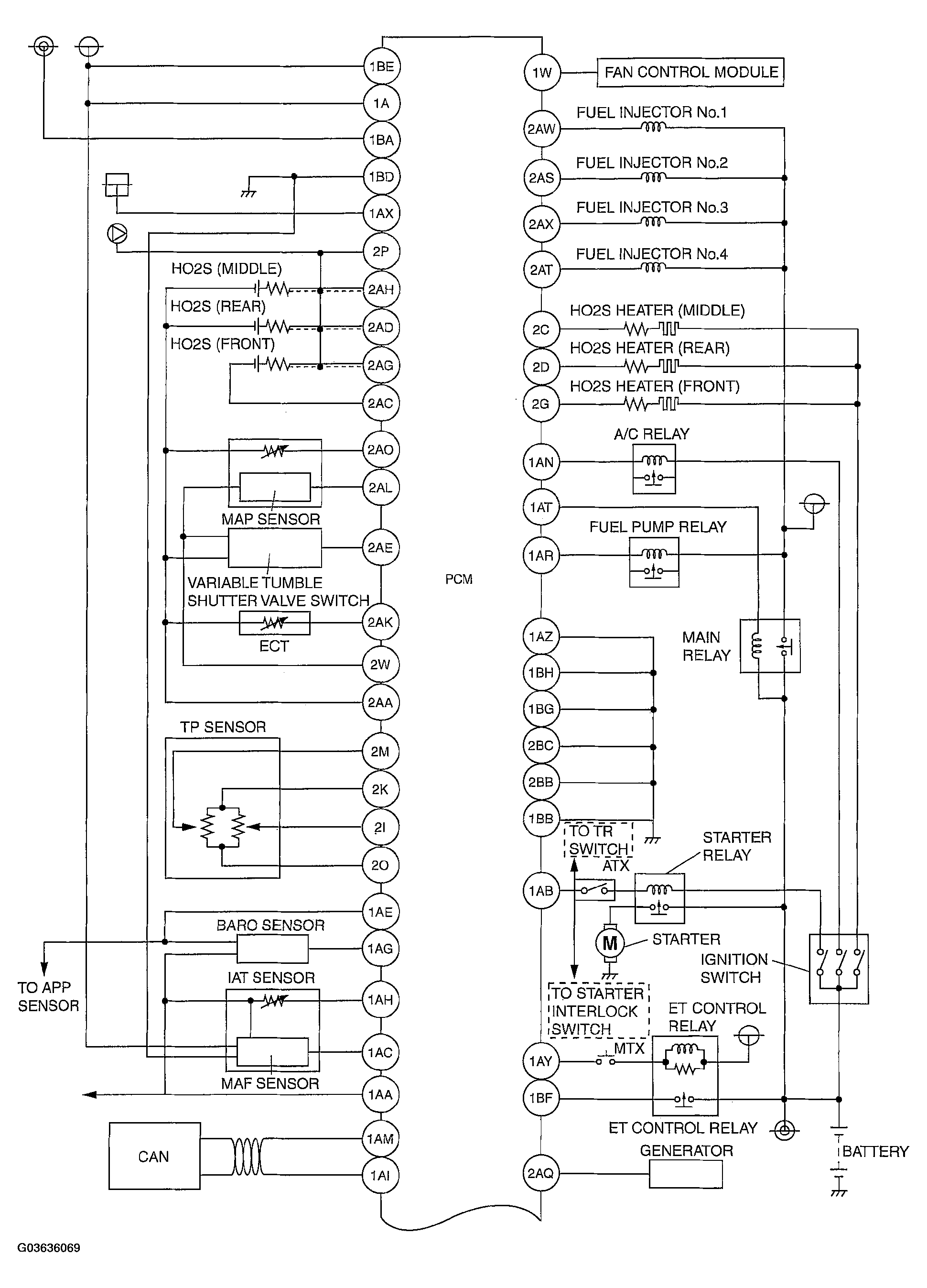
Fig 1: Control System Wiring Diagram - California (1 Of 2)
G03636069Courtesy of MAZDA MOTORS CORP.
Fig 2: Control System Wiring Diagram - California (2 Of 2)
G03636070Courtesy of MAZDA MOTORS CORP.