LEMON Manuals: Even more car manuals for everyone
Home >> Mazda >> 2005 >> 3 i, Automatic >> Repair and Diagnosis >> Engine Performance >> System >> On-Board Diagnostic [Engine Control System] >> Control System Wiring Diagram >> Except for California Emission Regulation Applicable Model

Except for California Emission Regulation Applicable Model

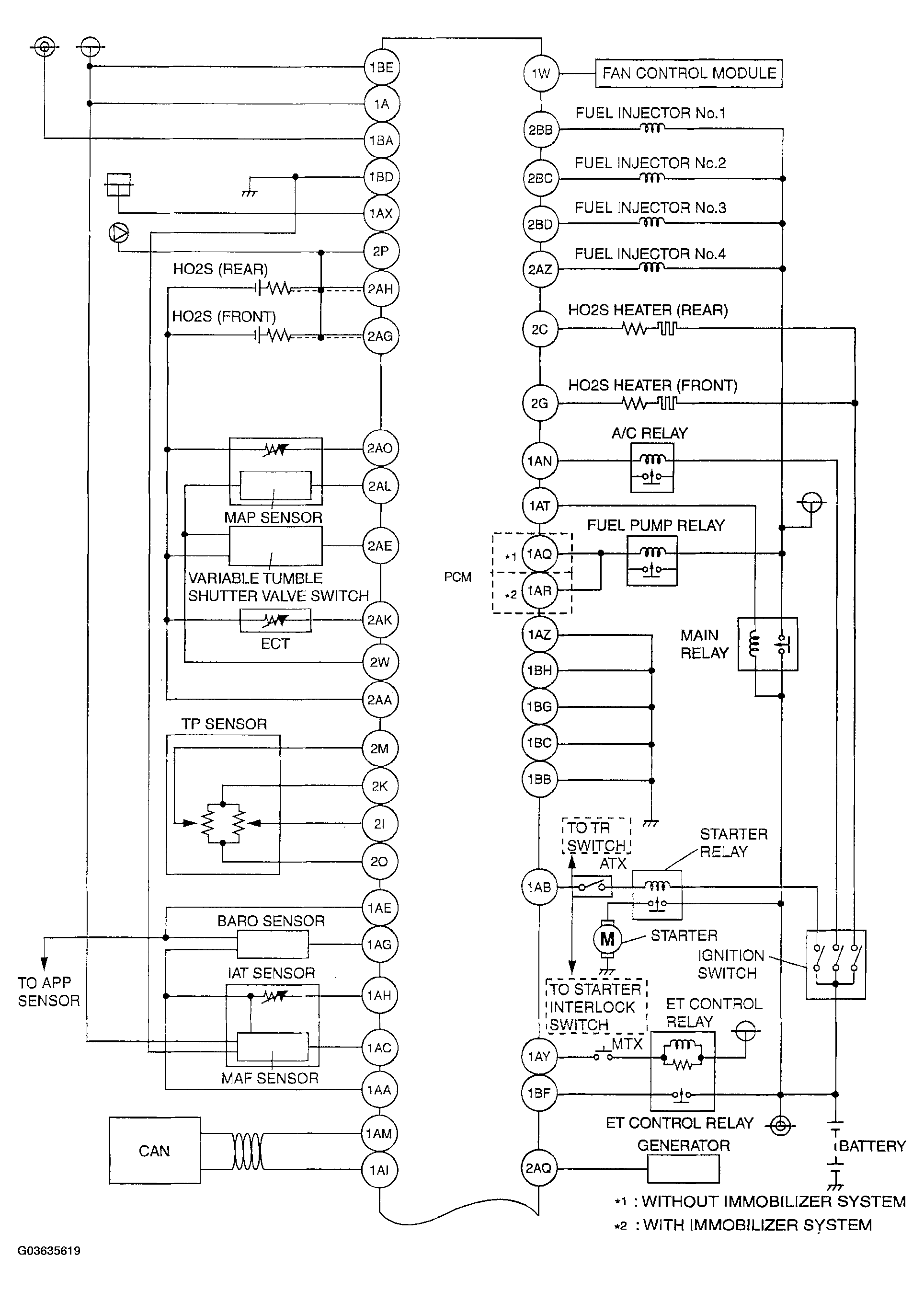
Fig 1: Control System Wiring Diagram - Except California (1 Of 2)
G03635619Courtesy of MAZDA MOTORS CORP.
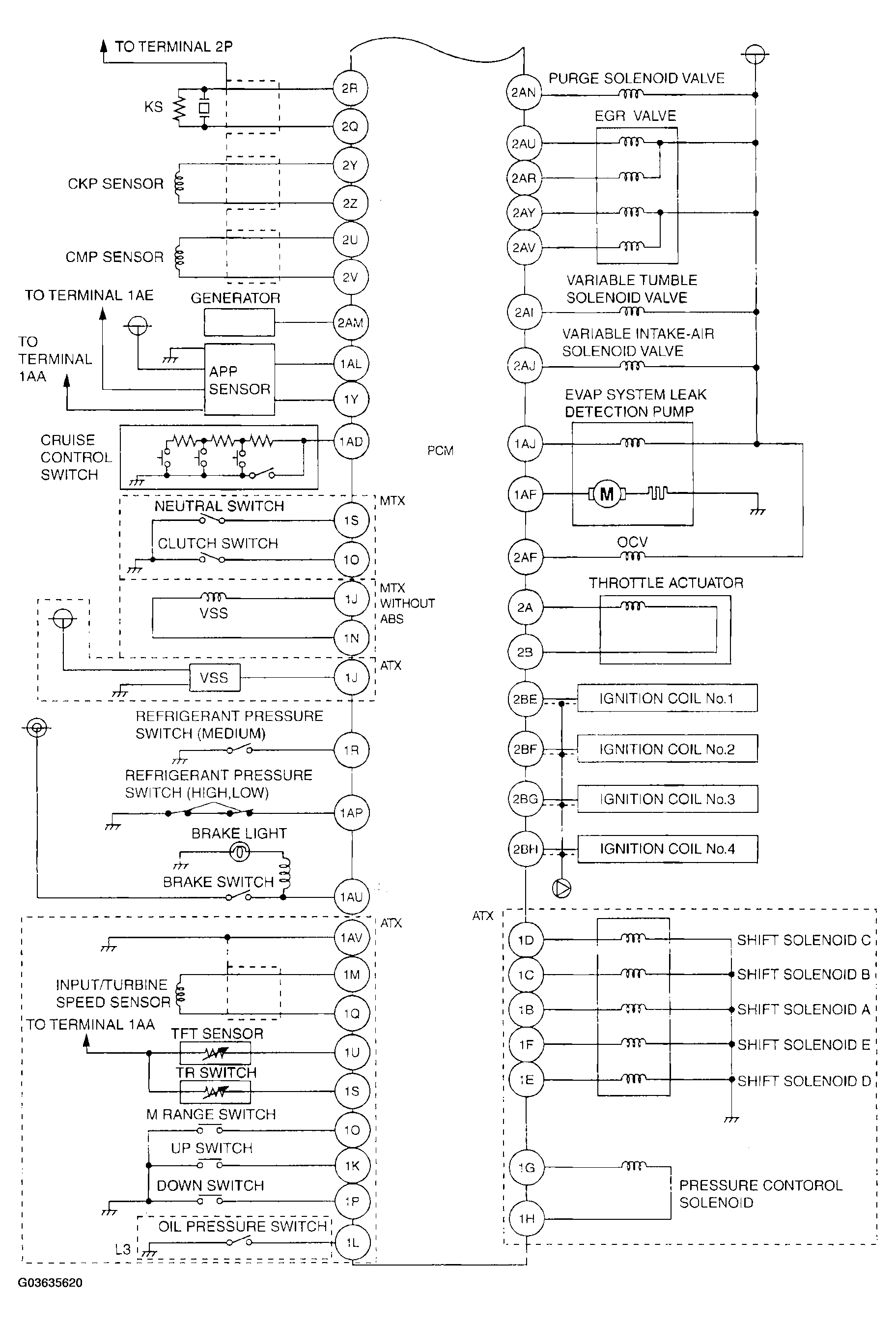
Fig 2: Control System Wiring Diagram - Except California (2 Of 2)
G03635620Courtesy of MAZDA MOTORS CORP.