LEMON Manuals: Even more car manuals for everyone
Home >> Mazda >> 2005 >> 3 i, Automatic >> Repair and Diagnosis >> Engine Performance >> Engine Control Systems >> Control System Wiring Diagram >> Except for California Emission Regulation Applicable Model

Except for California Emission Regulation Applicable Model

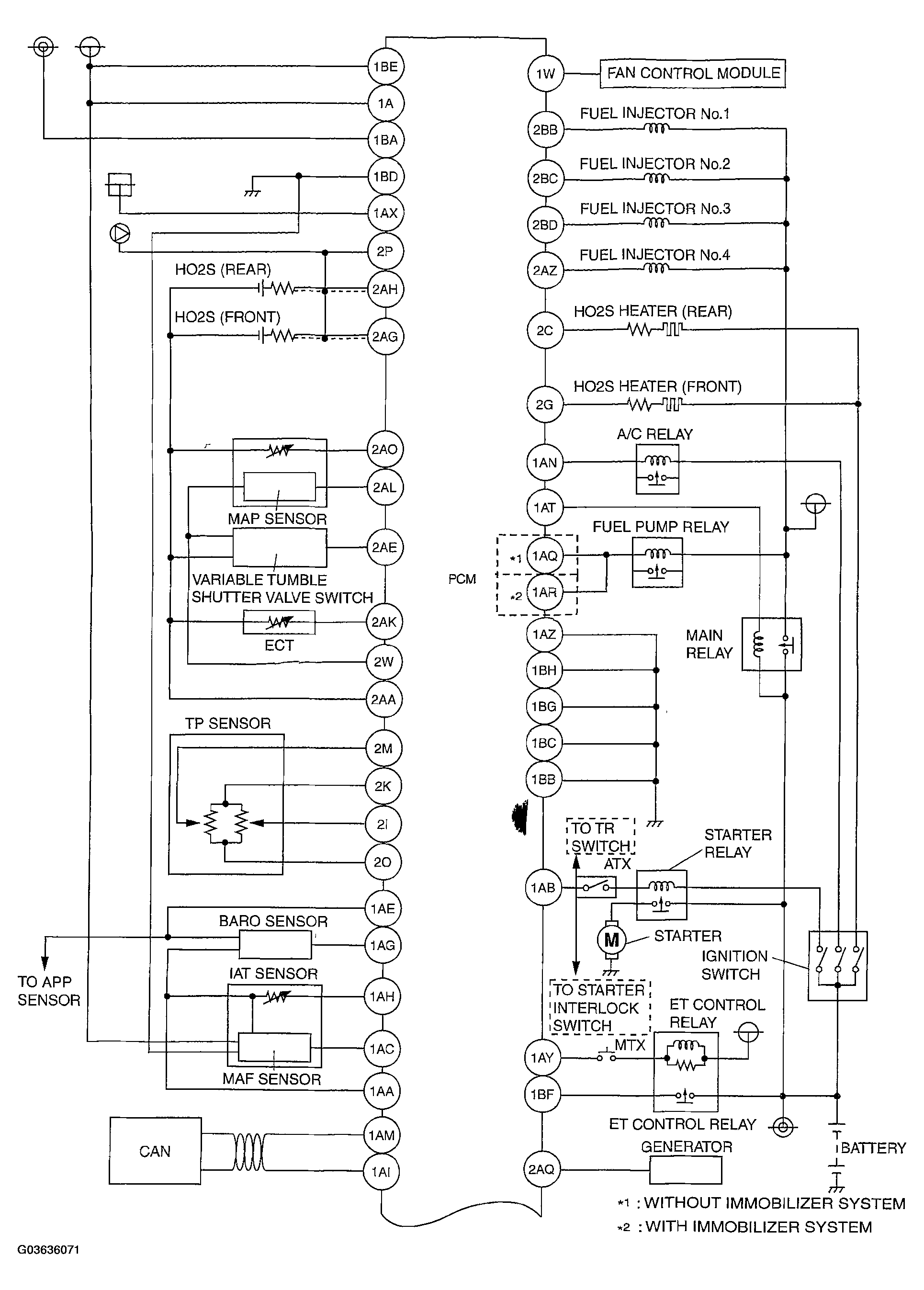
Fig 1: Control System Wiring Diagram - Except California (1 Of 2)
G03636071Courtesy of MAZDA MOTORS CORP.
Fig 2: Control System Wiring Diagram - Except California (2 Of 2)
G03636072Courtesy of MAZDA MOTORS CORP.