LEMON Manuals: Even more car manuals for everyone
Home >> Mazda >> 2004 >> RX-8 1.3 3 >> Repair and Diagnosis >> Engine Performance >> System >> On-Board Diagnostic (Engine Control System 13BMSP] >> DTC P0571: Brake Switch Input Circuit Problem

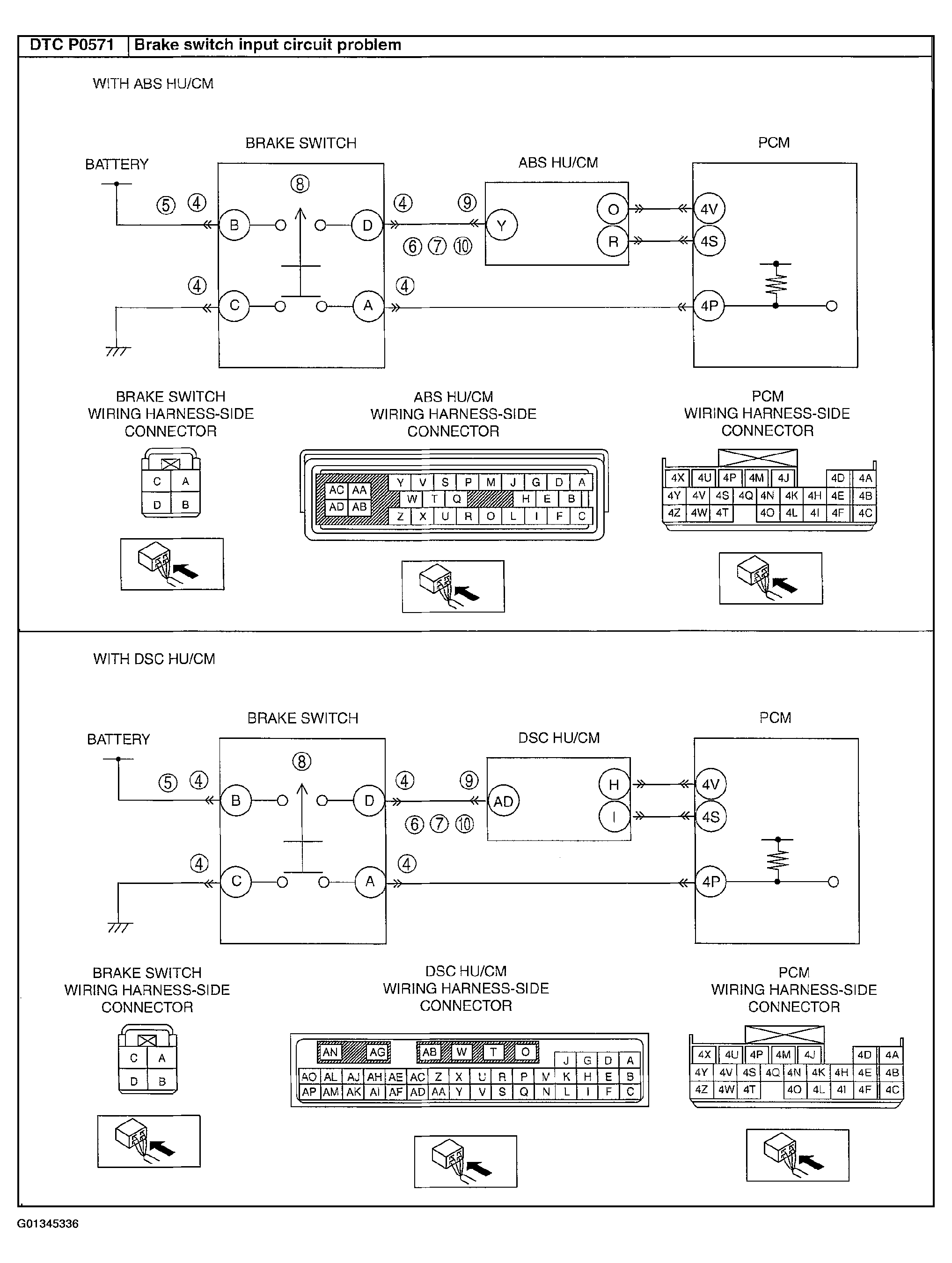
DTC P0571: Brake Switch Input Circuit Problem

Fig 1: DTC P0571 Detection Condition & Possible Causes Chart (1 Of 2)
G01345335Courtesy of MAZDA MOTORS CORP.
Fig 2: DTC P0571 Detection Condition & Possible Causes Chart (2 Of 2)
G01345336Courtesy of MAZDA MOTORS CORP.

Diagnostic Procedure 

Fig 3: DTC P0571 Diagnostic Procedure Chart (Step 1-9)
G01345337Courtesy of MAZDA MOTORS CORP.
Fig 4: DTC P0571 Diagnostic Procedure Chart (Step 10-12)
G01345338Courtesy of MAZDA MOTORS CORP.