LEMON Manuals: Even more car manuals for everyone
Home >> Mazda >> 2004 >> RX-8 1.3 3 >> Repair and Diagnosis >> Engine Performance >> System >> On-Board Diagnostic (Engine Control System 13BMSP] >> Control System Wiring Diagram

Control System Wiring Diagram

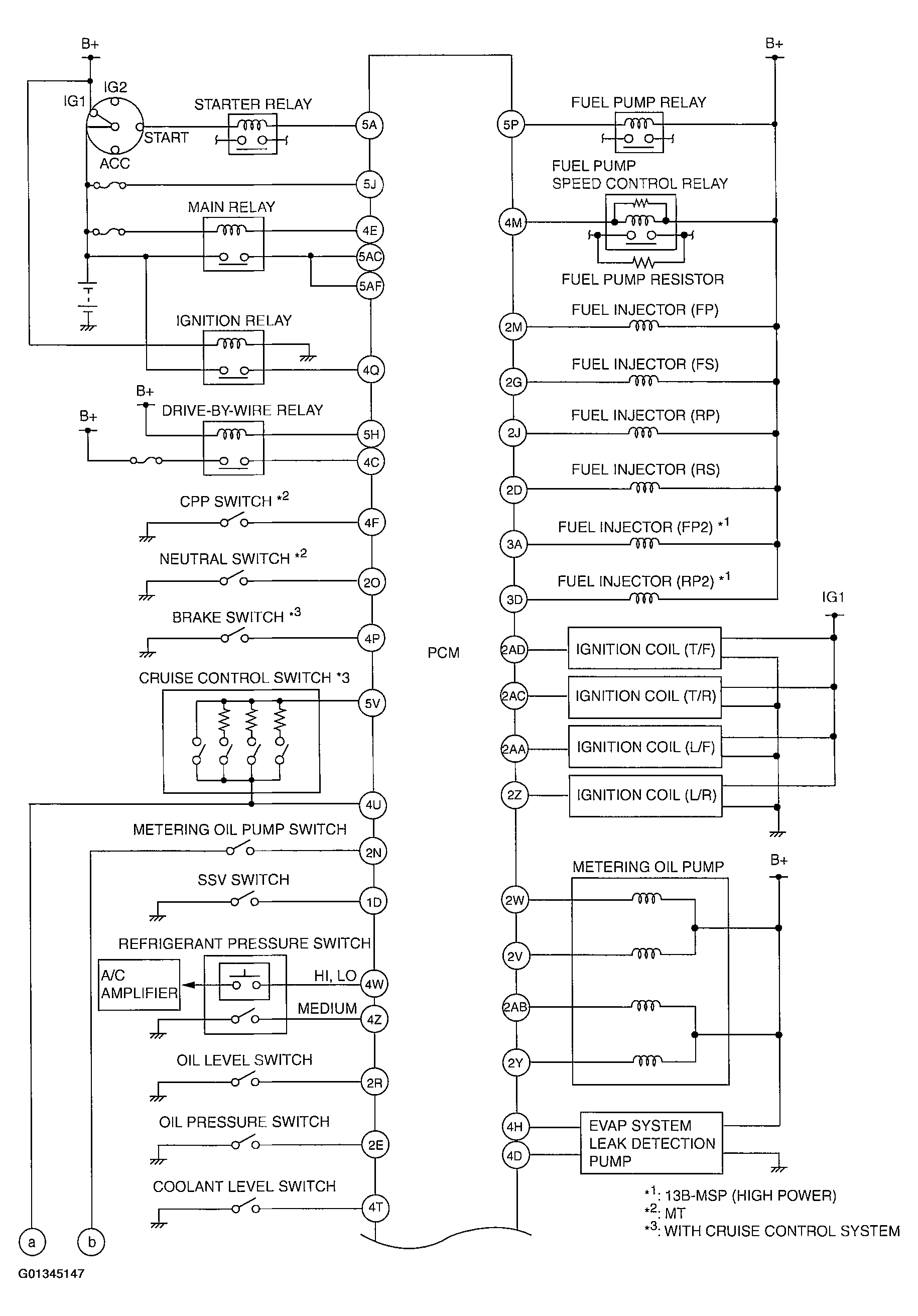
Fig 1: Control System Wiring Diagram (1 Of 2)
G01345147Courtesy of MAZDA MOTORS CORP.
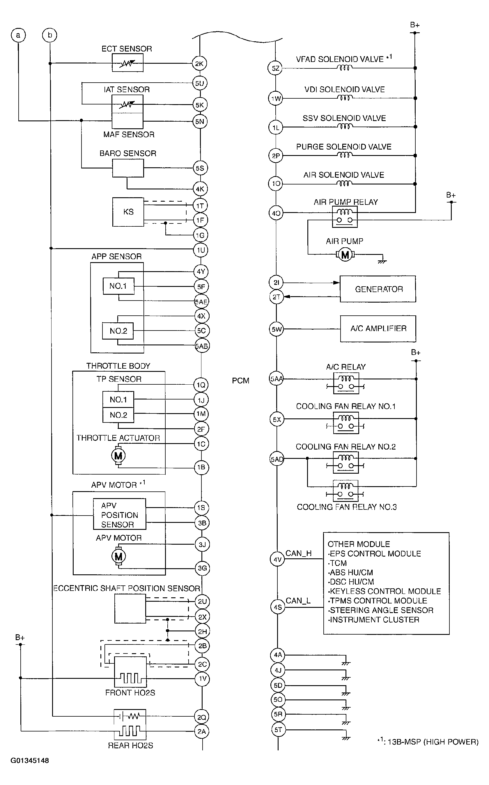
Fig 2: Control System Wiring Diagram (2 Of 2)
G01345148Courtesy of MAZDA MOTORS CORP.