LEMON Manuals: Even more car manuals for everyone
Home >> Mazda >> 2004 >> MX-5 Miata Base, Standard >> Repair and Diagnosis >> Engine Performance >> System >> Engine Control System >> Control System Wiring Diagram [BP]

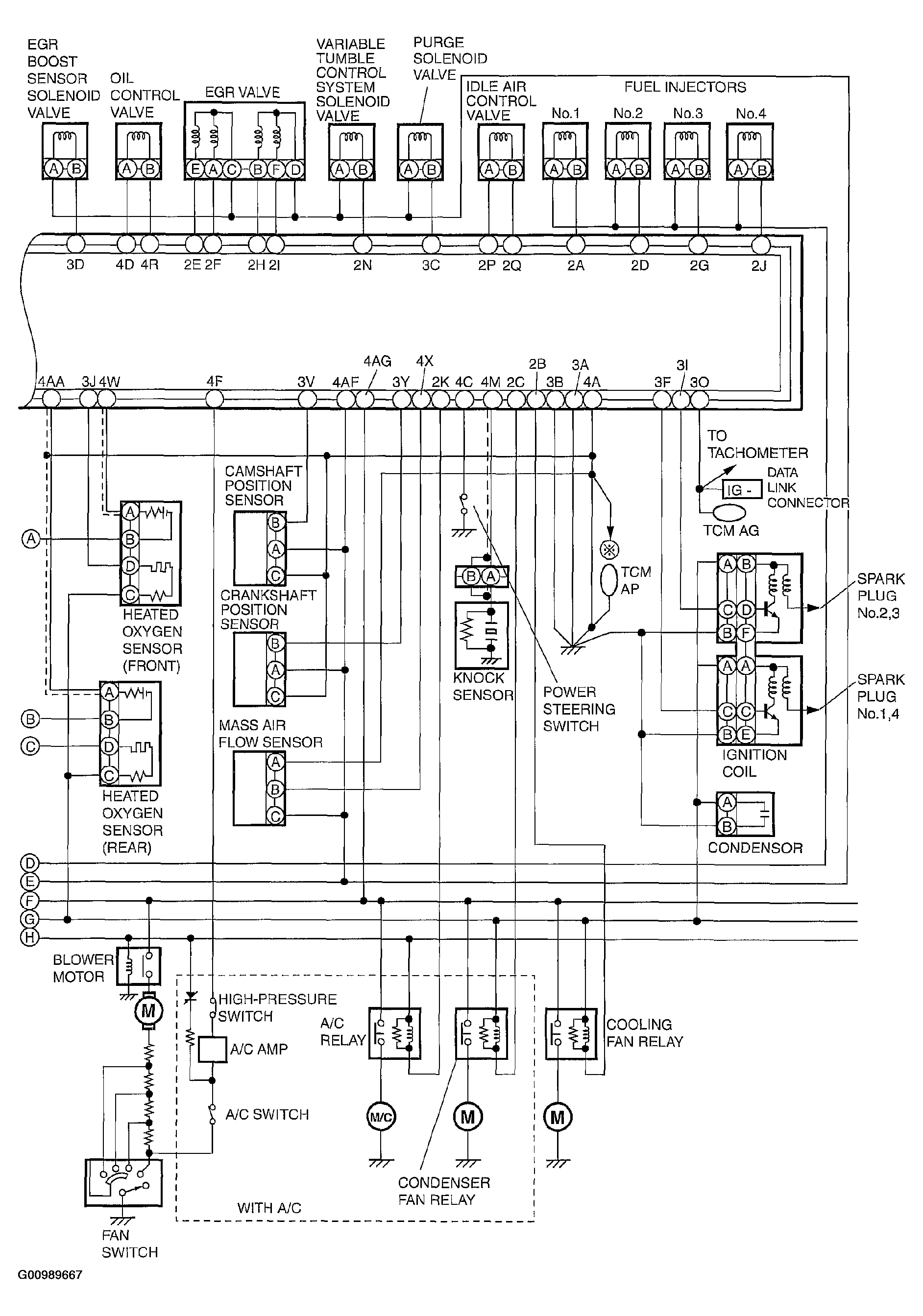
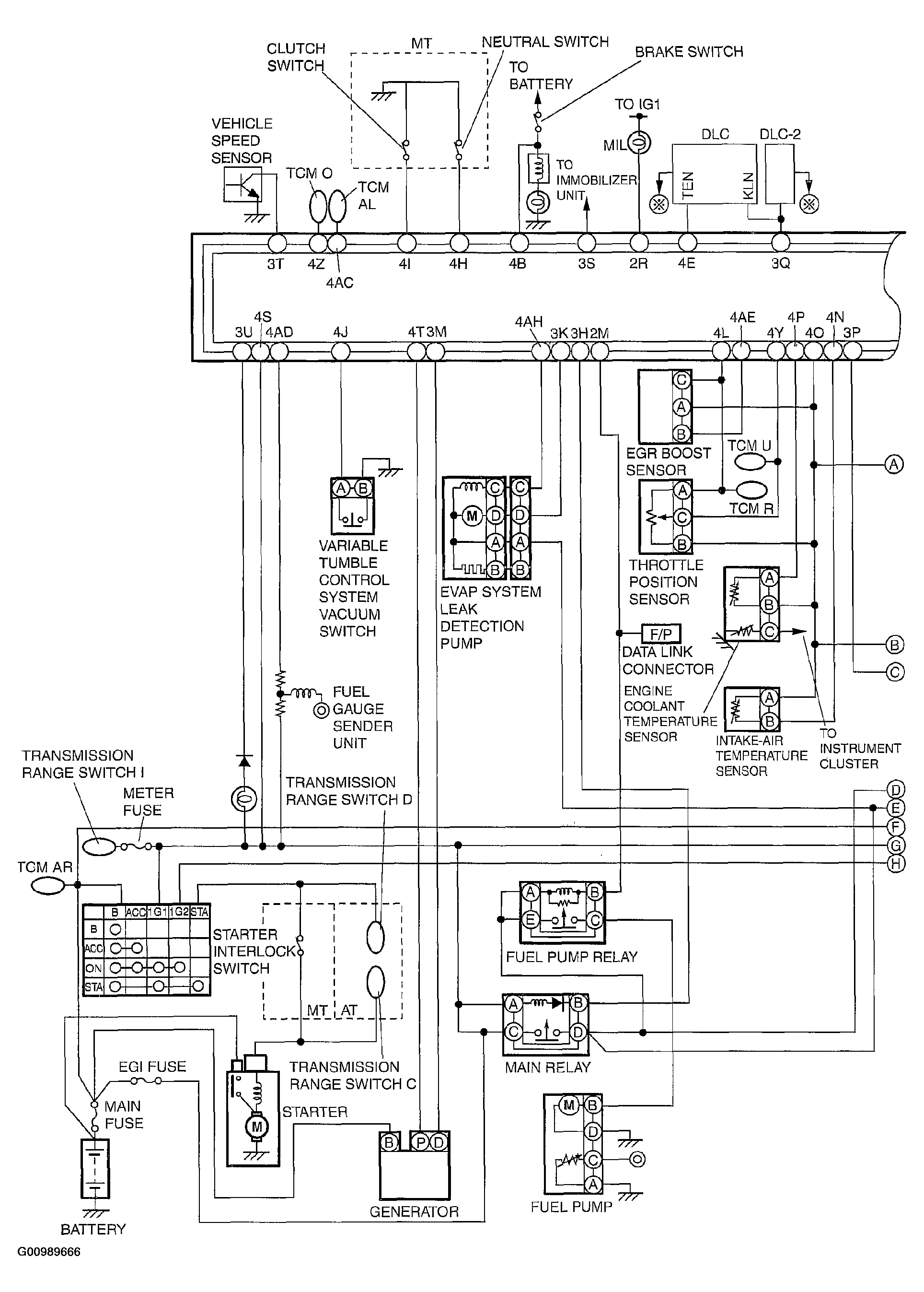
Control System Wiring Diagram [BP]

Fig 1: Identifying Control System Wiring Diagram [BP] (1 Of 2)
G00989666Courtesy of MAZDA MOTORS CORP.
Fig 2: Identifying Control System Wiring Diagram [BP] (2 Of 2)
G00989667Courtesy of MAZDA MOTORS CORP.