LEMON Manuals: Even more car manuals for everyone
Home >> Mazda >> 2004 >> 3 i, Standard >> Repair and Diagnosis >> Engine Performance >> System >> On-Board Diagnostic [Engine Control System] >> DTC P2101: Throttle Actuator Circuit Range/Performance >> Notes

DTC P2101: Throttle Actuator Circuit Range/Performance: Notes

Fig 1: DTC P2101: Detection Condition & Possible Causes Chart (1 Of 2)
G00975379Courtesy of MAZDA MOTORS CORP.
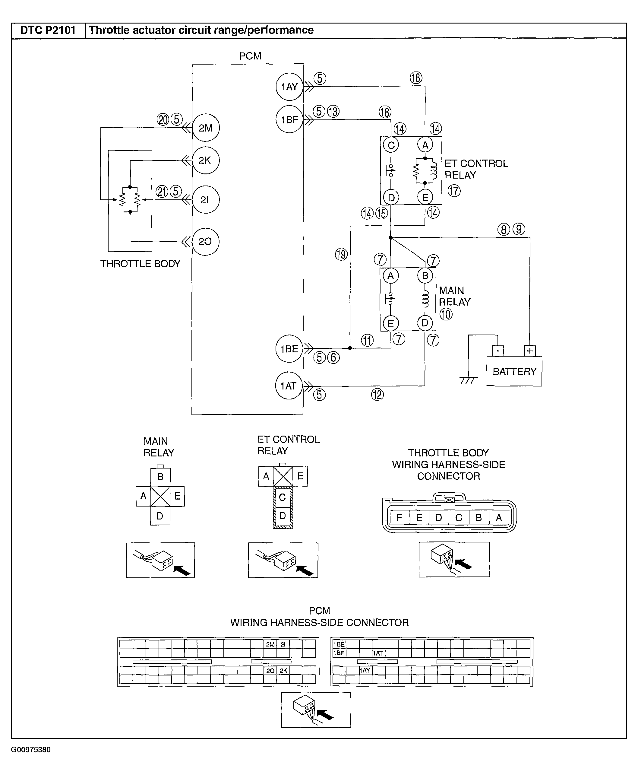
Fig 2: DTC P2101: Detection Condition & Possible Causes Chart (2 Of 2)
G00975380Courtesy of MAZDA MOTORS CORP.