LEMON Manuals: Even more car manuals for everyone
Home >> Mazda >> 2004 >> 3 i, Standard >> Repair and Diagnosis >> Engine Performance >> System >> Engine Control System >> Control System Wiring Diagram >> Except for California Emission Regulation Applicable Model

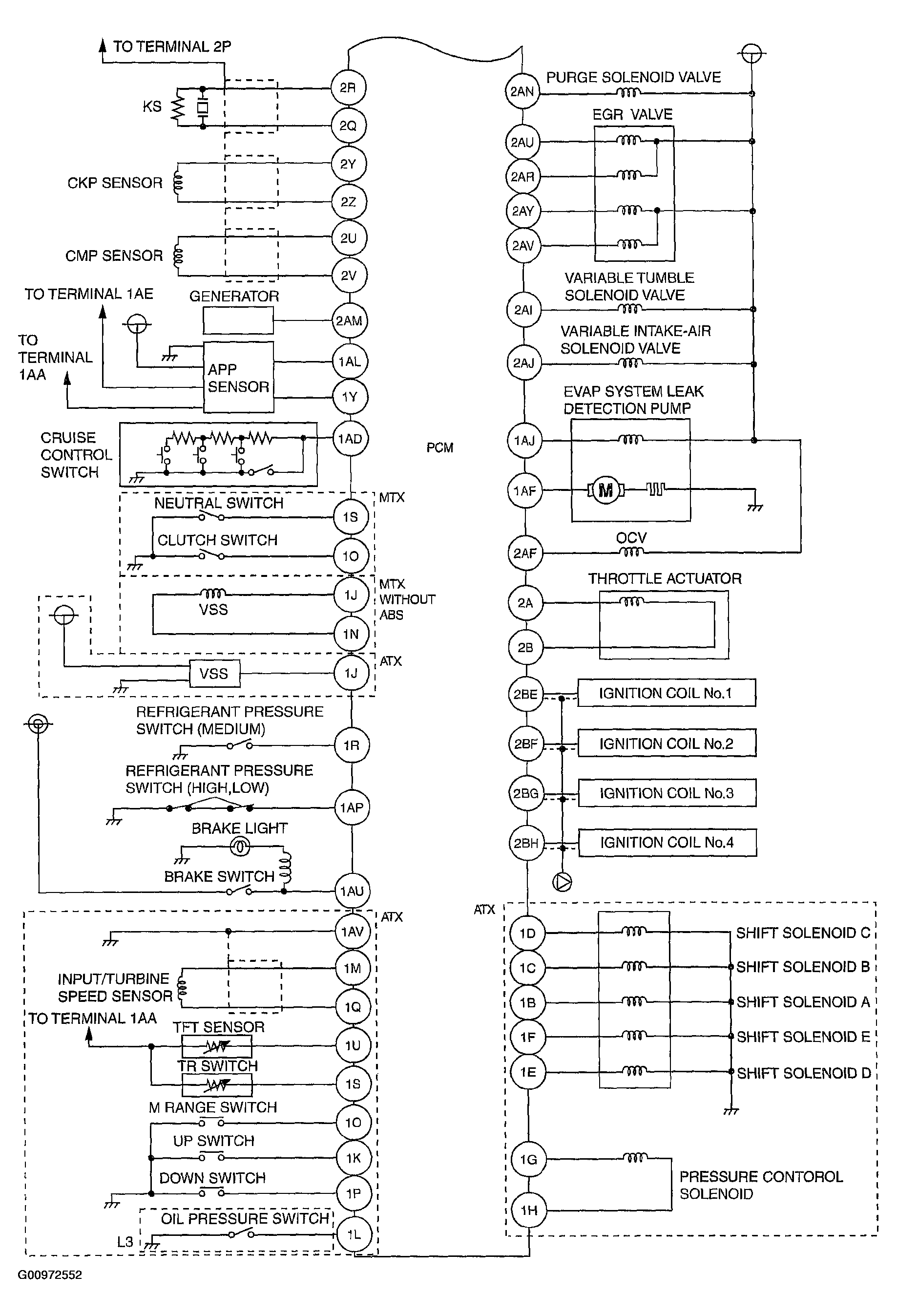
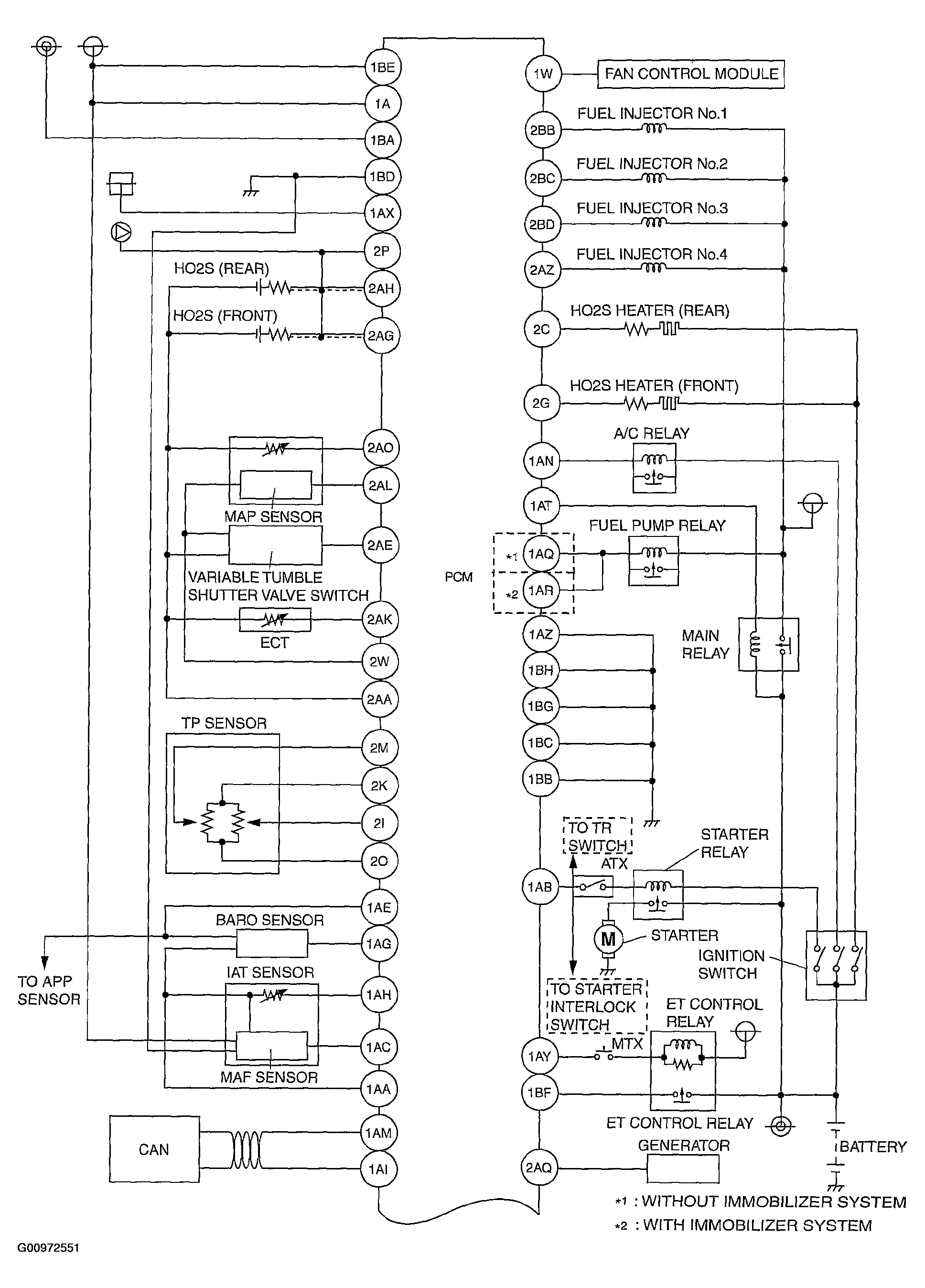
Except for California Emission Regulation Applicable Model

Fig 1: Control System Wiring Diagram-Except For California Emission Regulation Applicable Model (1 Of 2)
G00972551Courtesy of MAZDA MOTORS CORP.
Fig 2: Control System Wiring Diagram-Except For California Emission Regulation Applicable Model (2 Of 2)
G00972552Courtesy of MAZDA MOTORS CORP.