LEMON Manuals: Even more car manuals for everyone
Home >> Mazda >> 2004 >> 3 i, Standard >> Repair and Diagnosis >> Engine Performance >> System >> Engine Control System >> Control System Wiring Diagram >> California Emission Regulation Applicable Model

California Emission Regulation Applicable Model

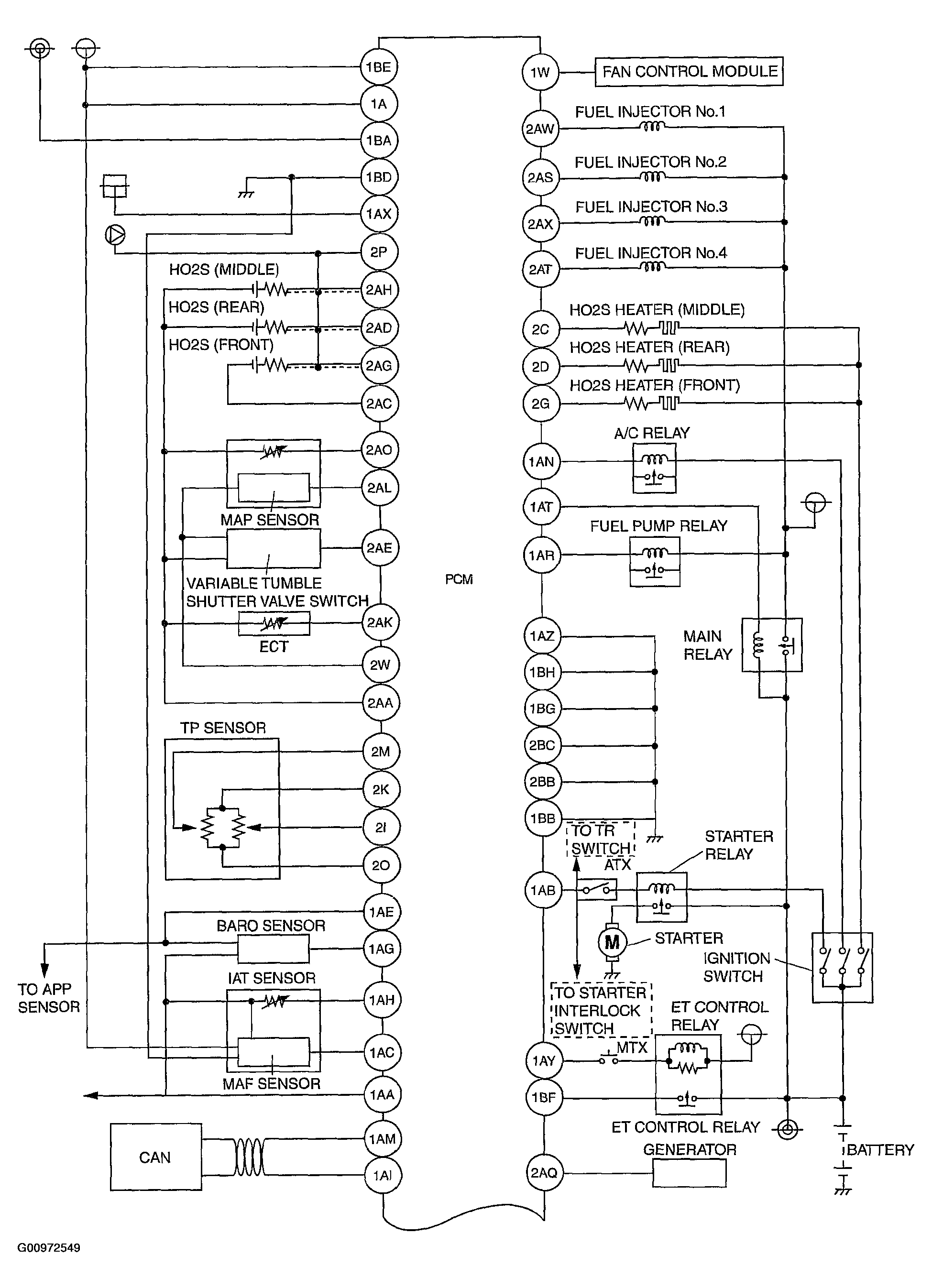
Fig 1: Control System Wiring Diagram-California Emission Regulation Applicable Model (1 Of 2)
G00972549Courtesy of MAZDA MOTORS CORP.
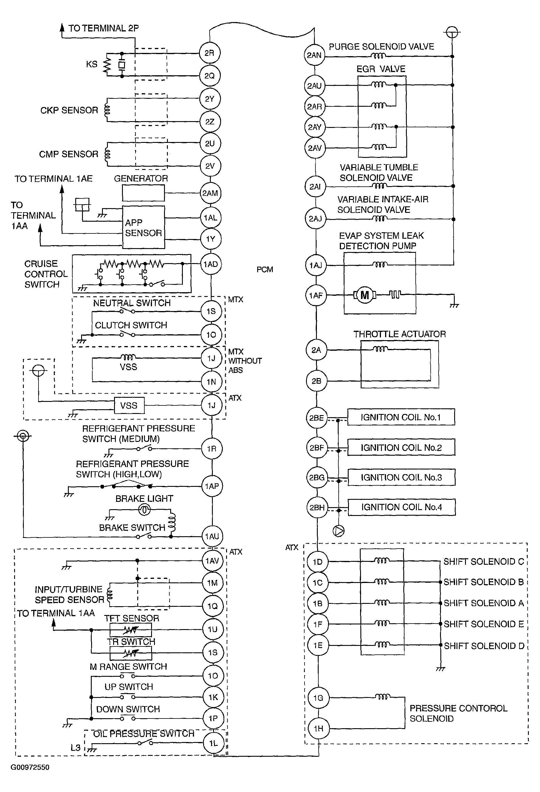
Fig 2: Control System Wiring Diagram-California Emission Regulation Applicable Model (2 Of 2)
G00972550Courtesy of MAZDA MOTORS CORP.