LEMON Manuals: Even more car manuals for everyone
Home >> Mazda >> 2002 >> MPV ES >> Repair and Diagnosis (Single Page) >> Body & Frame >> Exterior/Interior Trim >> Sliding Door >> Easy Closure Control Module Removal/Installation >> Easy Closure Control Module Inspection

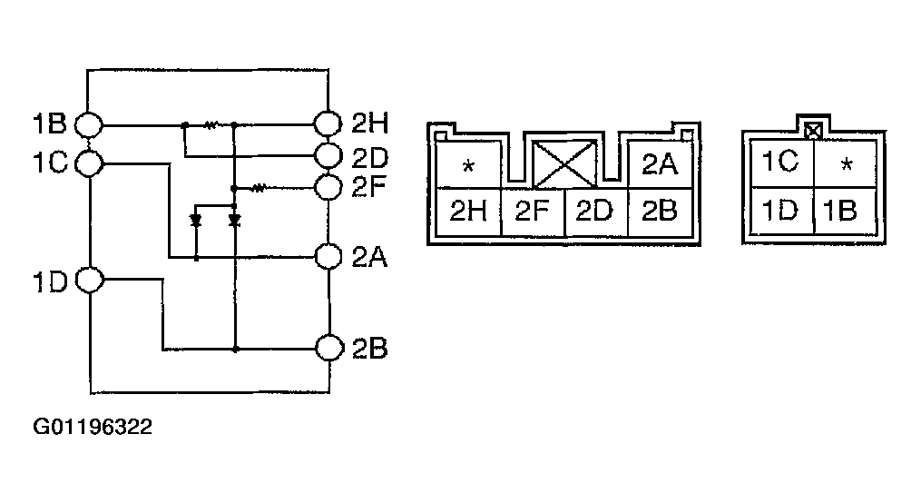
Easy Closure Control Module Inspection

  1. Remove the easy closure control module.
  2. Inspect for continuity between the latch position switch terminals using an ohmmeter.
    • If not as specified, replace the easy closure control module.
Fig 1: Inspecting Easy Closure Control Module Continuity
G01196321Courtesy of MAZDA MOTORS CORP.
Fig 2: Identifying Easy Closure Control Module Connector
G01196322Courtesy of MAZDA MOTORS CORP.