LEMON Manuals: Even more car manuals for everyone
Home >> Mazda >> 1997 >> B4000 Base >> Repair and Diagnosis >> Body & Frame >> Power Windows >> Component Testing >> Main Switch

Main Switch

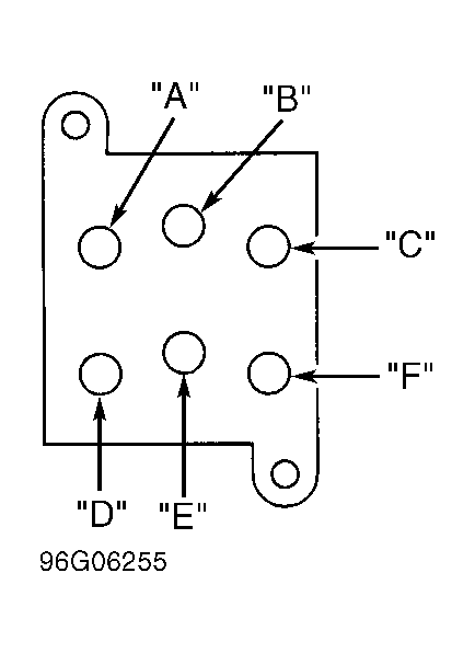
Disconnect main switch connector. Check for continuity between specified terminals of main switch with main switch button held in specified position. See MAIN SWITCH CONTINUITY TEST  . SeeFig 1 . If continuity is not as specified, replace main switch.

MAIN SWITCH CONTINUITY TEST

Switch Position Terminals
Driver
UP A, D, E & F; B & C
DOWN A, C, D & E; B & F
Off (Neutral) A, C, D, E & F
Passenger
UP A & B; C, D, E & F
DOWN A, C, E & F; B & D
Off (Neutral) A, C, D, E & F
Fig 1: Identifying Main Switch Terminals
G96G06255Courtesy of MAZDA MOTORS CORP.