LEMON Manuals: Even more car manuals for everyone
Home >> Mazda >> 1995 >> B3000 Base, Standard >> Repair and Diagnosis >> Engine Performance >> System >> Engine Controls - System/Component Tests >> Computerized Engine Controls >> Relays >> Fuel Pump Relay

Fuel Pump Relay

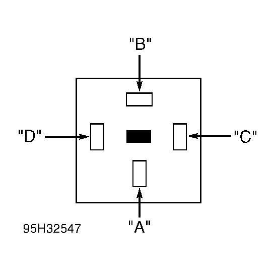
Remove relay from vehicle. Connect battery voltage to terminal "C". See Fig 1 . Ground terminal "D". Check continuity between terminals "A" and "B". Continuity should exist with power applied. Continuity should not exist with power removed.

Fig 1: Testing EEC Power & Fuel Pump Relays
G95H32547Courtesy of MAZDA MOTORS CORP.