LEMON Manuals: Even more car manuals for everyone
Home >> Mazda >> 1995 >> 929 >> Repair and Diagnosis >> Engine Performance >> System >> Engine Controls - Tests W/Codes >> Trouble Code Charts >> Code 17 & 24: Left/Right Closed Loop System

Code 17 & 24: Left/Right Closed Loop System

Fig 1: Trouble Code No. 17/24 Left/Right Closed Loop System (1 Of 2)
G95D31982
Fig 2: Trouble Code No. 17/24 Left/Right Closed Loop System (2 OF 2)
G95E31983
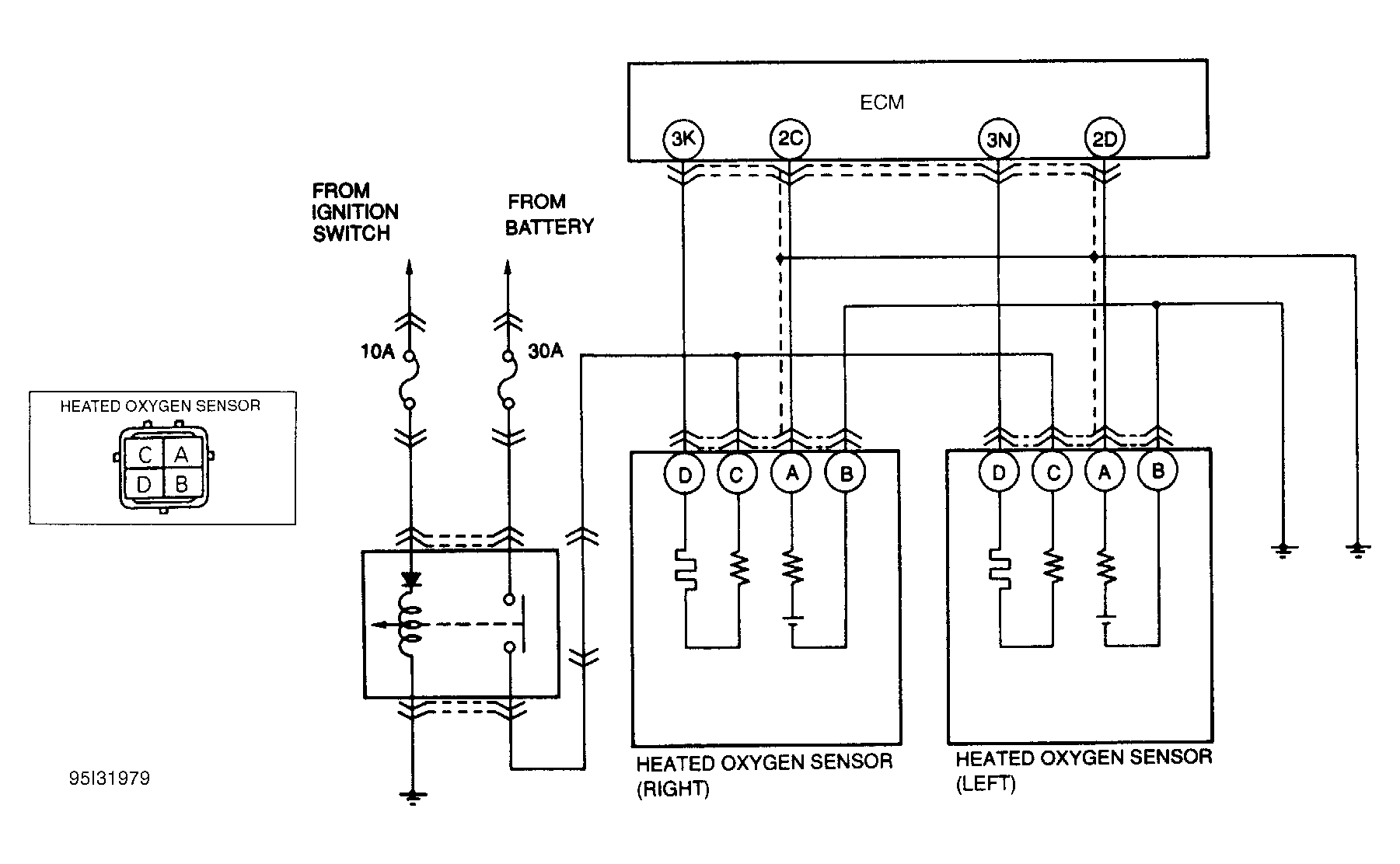
Fig 3: Trouble Code No. 17/24 Heated Oxygen Sensor Circuit Diagram
G95I31979