LEMON Manuals: Even more car manuals for everyone
Home >> Mazda >> 1994 >> RX-7 Standard >> Repair and Diagnosis >> Engine Performance >> System >> Engine Controls - System/Component Tests >> Air Induction Systems >> Double Throttle Control >> System Check

System Check

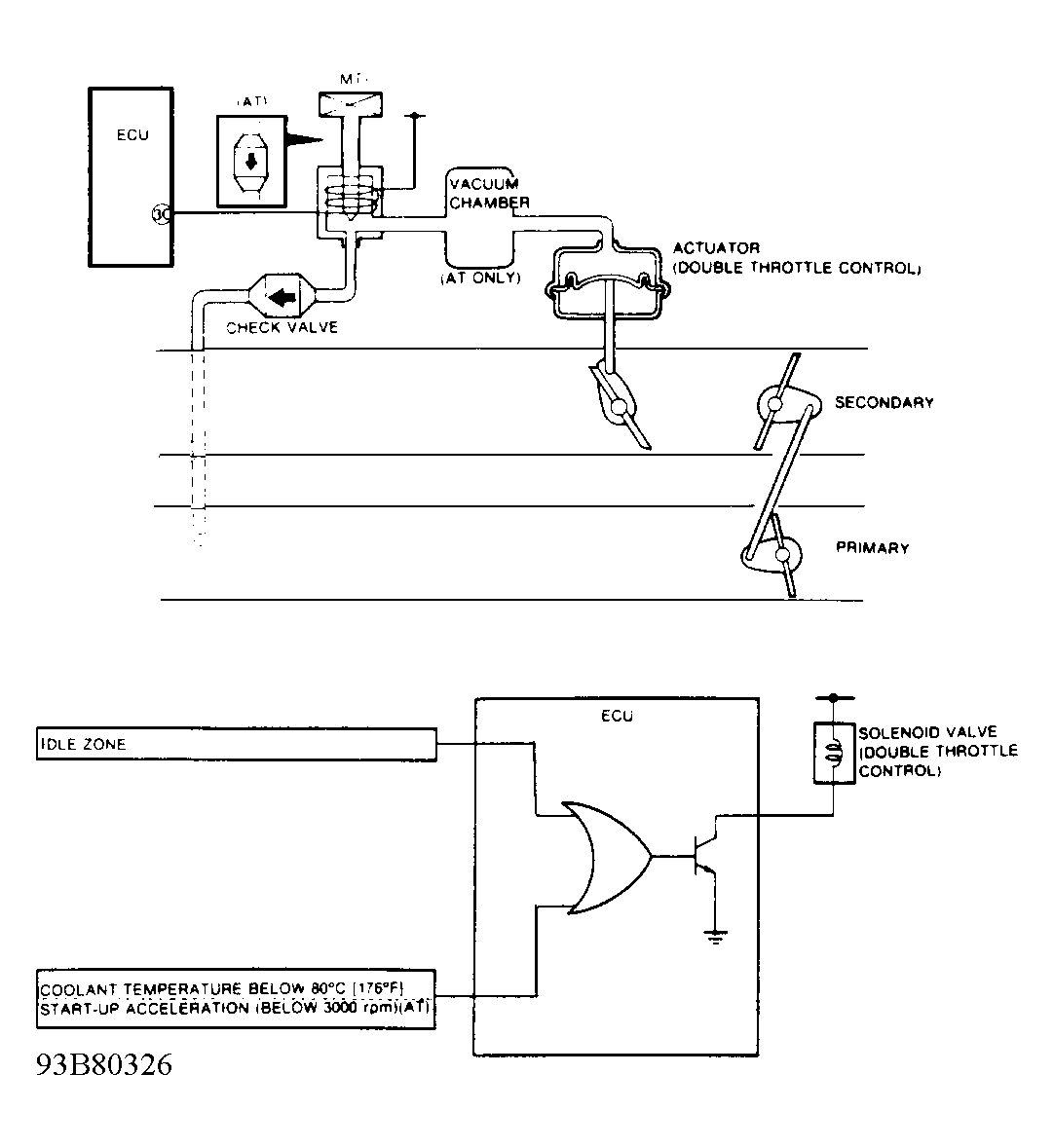
  1. With engine cold, start engine. Ensure actuator rod is pulled in. See Fig 1 . If rod is not pulled in, check operation of coolant thermosensor and solenoid valve. Also check and repair any vacuum leaks. Apply vacuum to double throttle actuator. If rod does not pull in, replace double throttle actuator.
  2. Warm engine until engine coolant temperature is greater than 176°F (80°C). Ensure actuator rod extends. If rod does not extend, check operation of coolant thermosensor and solenoid valve.
Fig 1: View Of Double Throttle Control System (RX7)
G93B80326