LEMON Manuals: Even more car manuals for everyone
Home >> Mazda >> 1994 >> Protege Base >> Repair and Diagnosis (Single Page) >> Engine Performance >> System >> Engine Controls - Tests W/Codes >> Trouble Code Identification >> Code 41: (Variable Inertia Charging System - DOHC)

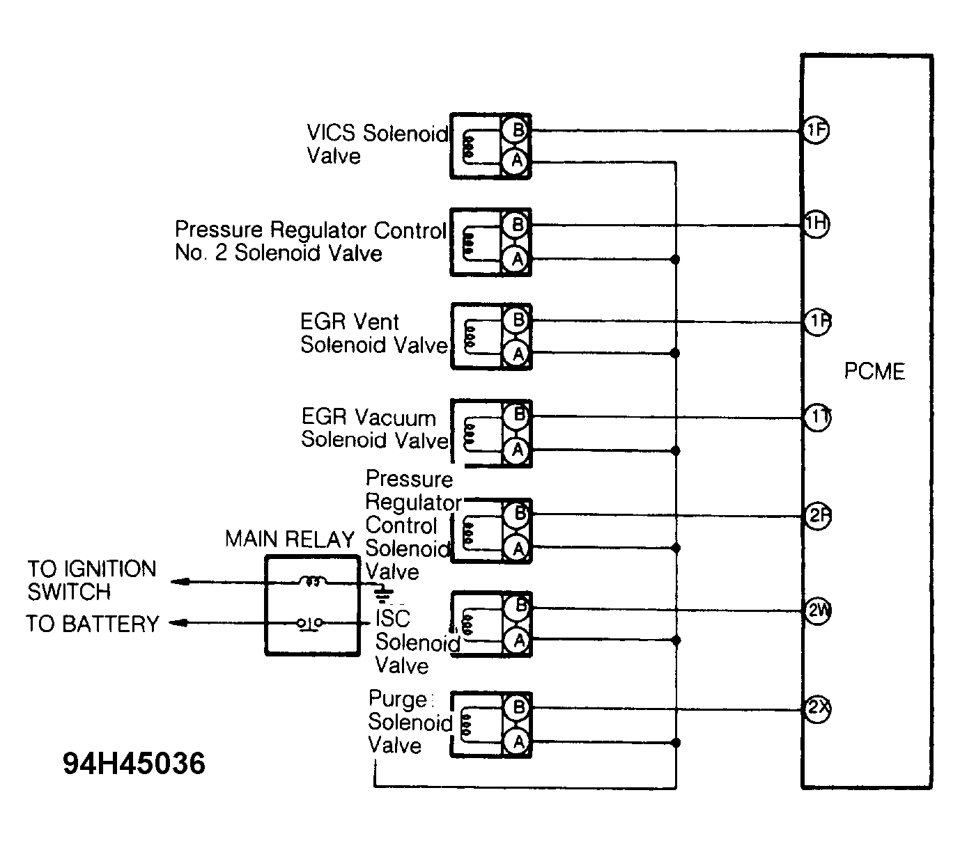
Code 41: (Variable Inertia Charging System - DOHC)

Fig 1: Trouble Code No. 41 (Variable Inertia Charging System - DOHC )
G94G45035Courtesy of MAZDA MOTORS CORP.
Fig 2: Trouble Code No. 41 Circuit Diagram
G94H45036Courtesy of MAZDA MOTORS CORP.