LEMON Manuals: Even more car manuals for everyone
Home >> Mazda >> 1993 >> RX-7 Standard >> Repair and Diagnosis >> Engine Performance >> System >> Engine Controls - Tests W/Codes >> Trouble Code Identification >> Code 45: (Solenoid Valve - Charge Control)

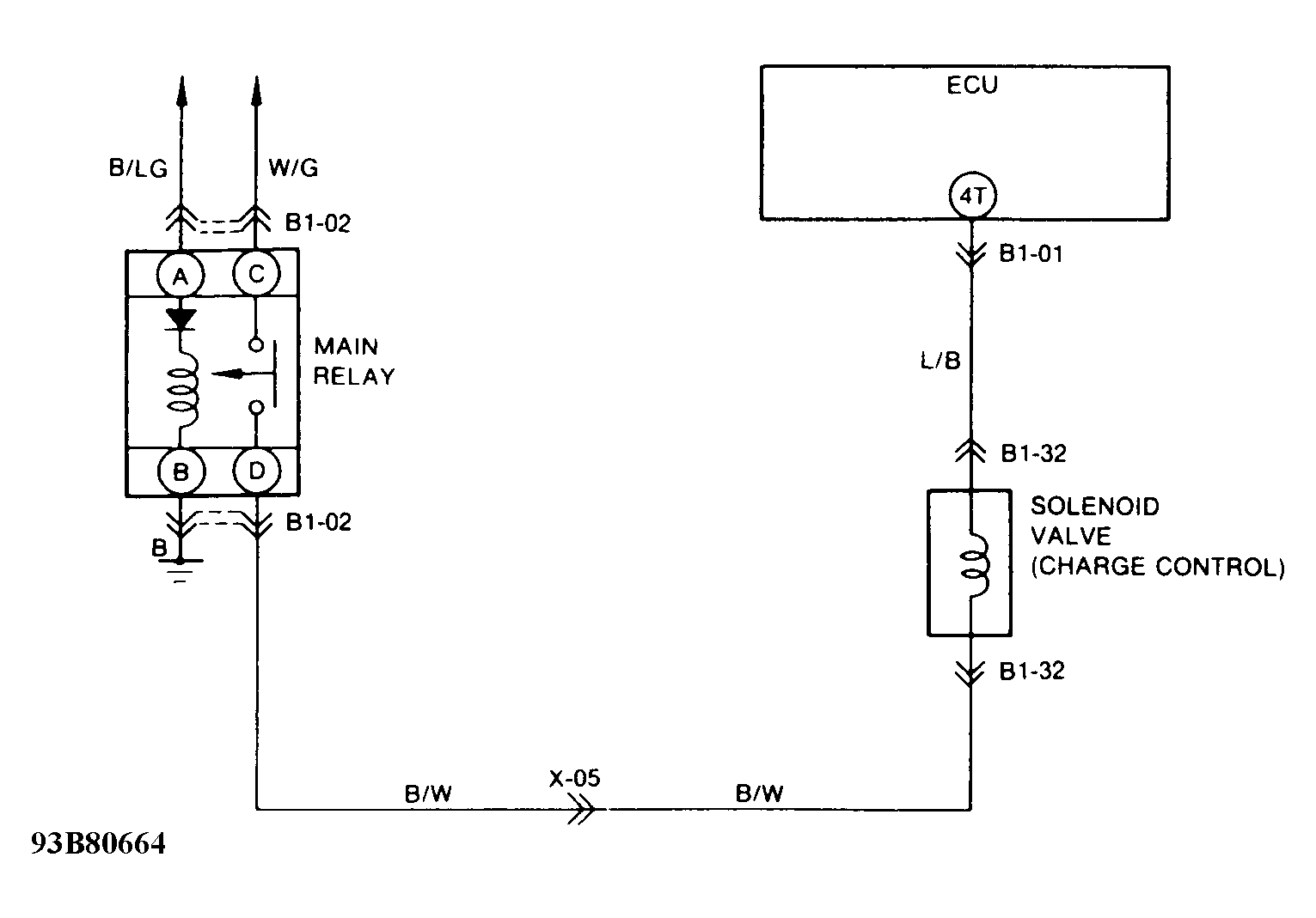
Code 45: (Solenoid Valve - Charge Control)

Fig 1: Trouble Code No. 45 - Diagnostic Flowchart
G93A80663Courtesy of MAZDA MOTORS CORP.
Fig 2: Trouble Code No. 45 - Schematic
G93B80664Courtesy of MAZDA MOTORS CORP.