LEMON Manuals: Even more car manuals for everyone
Home >> Mazda >> 1988 >> 626 Base, 4D Hatchback >> Repair and Diagnosis >> Engine Performance >> System >> EGI Control System >> Diagnosis & Testing >> Component Testing >> Airflow Meter

Airflow Meter

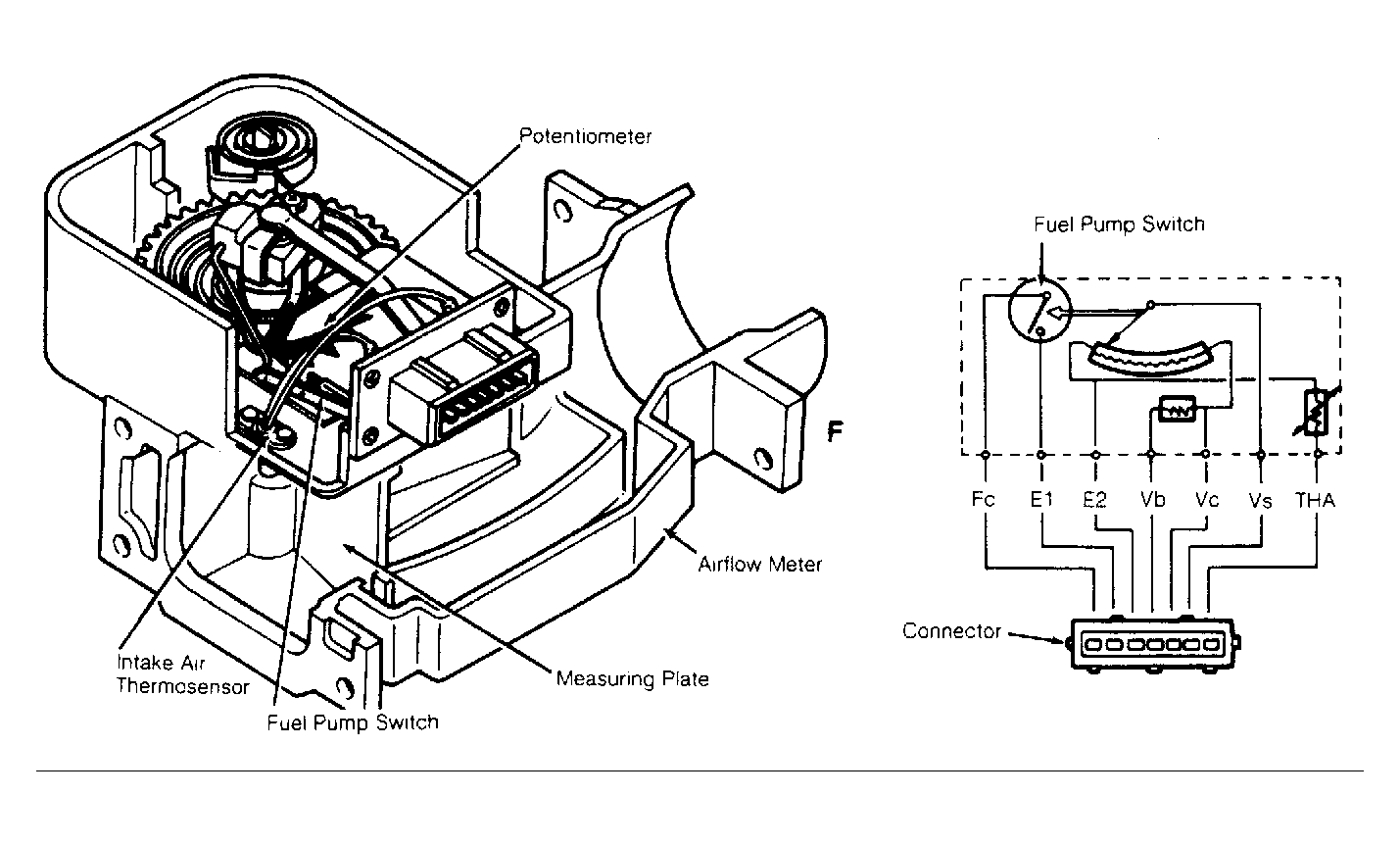
Inspect airflow meter for damage and ensure measuring plate moves smoothly. Disconnect airflow meter connector. See Fig 1 . Measure resistance using AIRFLOW METER TERMINAL RESISTANCE  table.

Fig 1: MX-6 & 626 Airflow Meter
G94758Courtesy of MAZDA MOTORS CORP.
AIRFLOW METER TERMINAL RESISTANCE

Terminal Values Fully Closed Ohms Fully Open Ohms
E2-Vs 20-400 20-1000
E2-Vc 100-400 100-400
E2-Vb 200-400 200-400
E2-THA -4°F (-20°C) 13.6-18.4 -4°F (-20°C) 13.6k-18.4k
E2-THA 68°F (20°C) 2.21K-2.69K 68°F (20°C) 2.21k-2.69k
E2-THA 140°F (60°C) 493-667 140°F (60°C) 493-667
E1-Fc Infinite 0