LEMON Manuals: Even more car manuals for everyone
Home >> Lincoln >> 2019 >> MKZ Base, AWD >> Repair and Diagnosis >> External Pages >> Different car >> Section 1394 (OEM Wiring Diagrams) >> Audio System/Navigation - Am/Fm/Cd/Sync

Audio System/Navigation - Am/Fm/Cd/Sync

WARNING: This page is about a different car, the 2018 Ford F-550 Super Duty, 2018 Ford F-450 Super Duty, 2018 Ford F-350 Super Duty, and 2018 Ford F-250 Super Duty. However, it is still accessible from the selected car via links, so may be relevant.
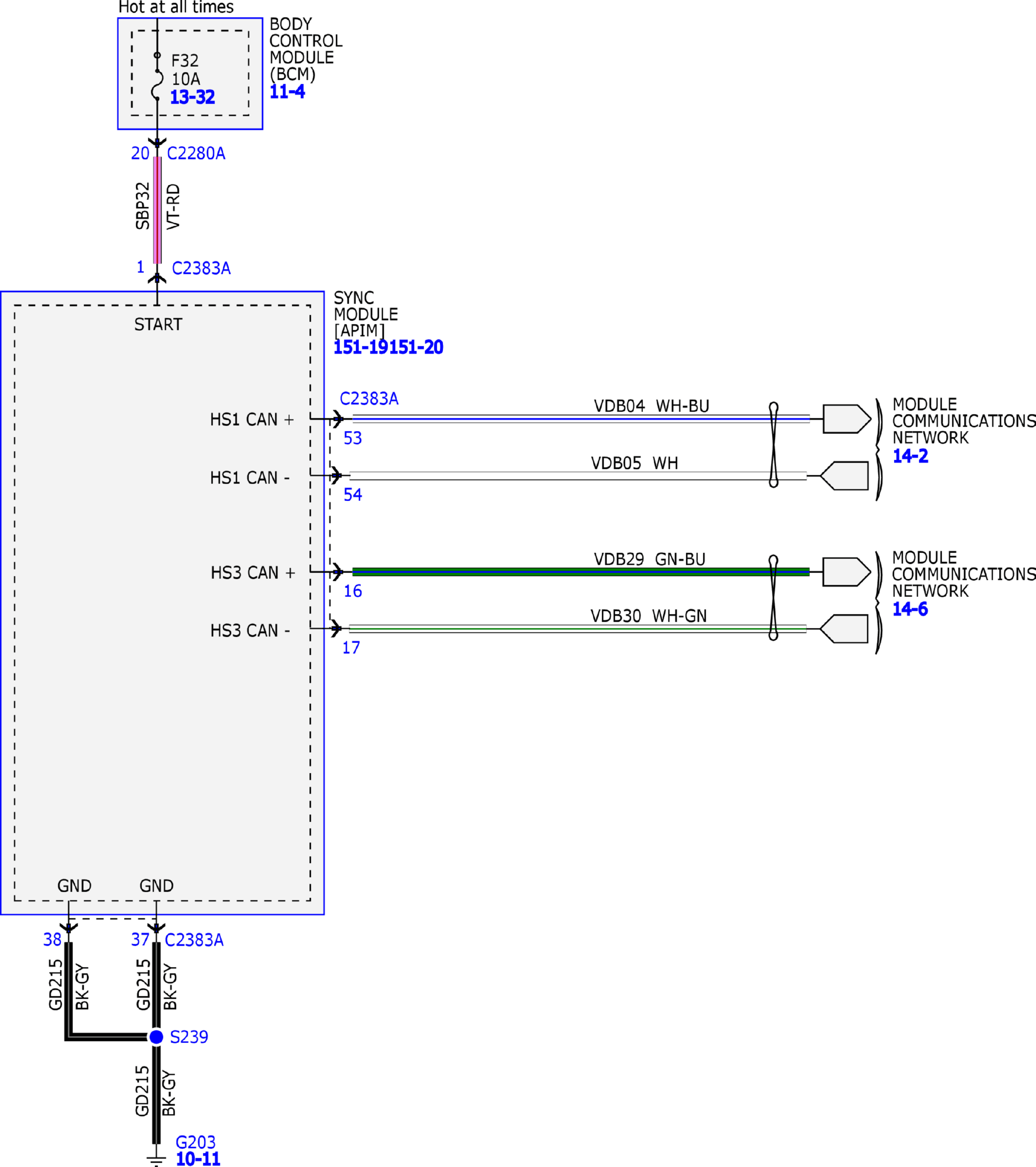
Fig 1: Audio System/Navigation - AM/FM/CD/SYNC Wiring Diagram (1 of 9)
GFDW83219Courtesy of FORD MOTOR COMPANY
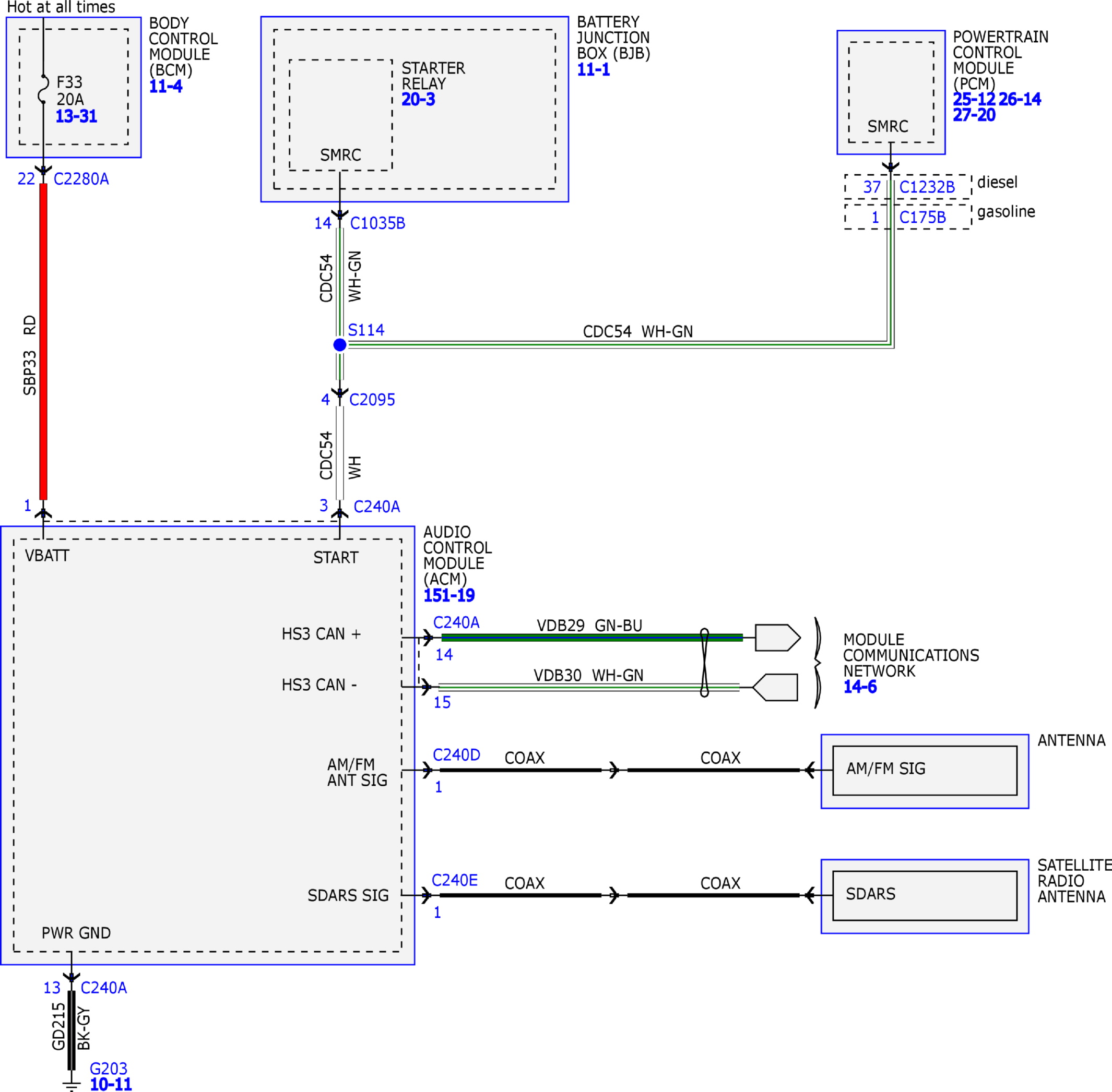
Fig 2: Audio System/Navigation - AM/FM/CD/SYNC Wiring Diagram (2 of 9)
GFDW83220Courtesy of FORD MOTOR COMPANY
Fig 3: Audio System/Navigation - AM/FM/CD/SYNC Wiring Diagram (3 of 9)
GFDW83221Courtesy of FORD MOTOR COMPANY
Fig 4: Audio System/Navigation - AM/FM/CD/SYNC Wiring Diagram (4 of 9)
GFDW83222Courtesy of FORD MOTOR COMPANY
Fig 5: Audio System/Navigation - AM/FM/CD/SYNC Wiring Diagram (5 of 9)
GFDW83223Courtesy of FORD MOTOR COMPANY
Fig 6: Audio System/Navigation - AM/FM/CD/SYNC Wiring Diagram (6 of 9)
GFDW83224Courtesy of FORD MOTOR COMPANY
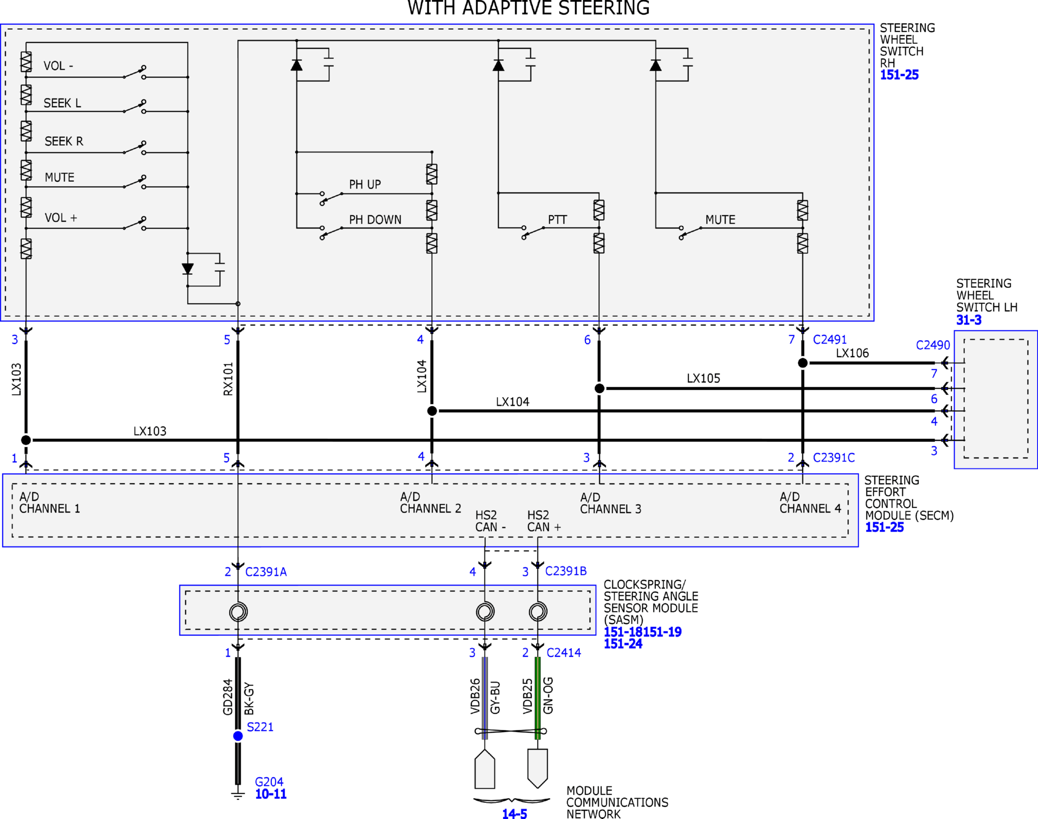
Fig 7: Audio System/Navigation - AM/FM/CD/SYNC Wiring Diagram (7 of 9)
GFDW83225Courtesy of FORD MOTOR COMPANY
Fig 8: Audio System/Navigation - AM/FM/CD/SYNC Wiring Diagram (8 of 9)
GFDW83226Courtesy of FORD MOTOR COMPANY
Fig 9: Audio System/Navigation - AM/FM/CD/SYNC Wiring Diagram (9 of 9)
GFDW83227Courtesy of FORD MOTOR COMPANY