LEMON Manuals: Even more car manuals for everyone
Home >> Lincoln >> 2013 >> MKT Base, AWD >> Repair and Diagnosis >> External Pages >> Different car >> Section 13 (Module Communications Network) >> Diagnosis And Testing >> Communications Network >> Pinpoint Tests >> Pinpoint Test T: The Steering Column Control Module (SCCM) Does Not Respond To The Scan Tool >> Pinpoint Test T: The SCCM Does Not Respond To The Scan Tool

Pinpoint Test T: The SCCM Does Not Respond To The Scan Tool

WARNING: This page is about a different car, the 2013 Ford F-550 Super Duty, 2013 Ford F-450 Super Duty, 2013 Ford F-350 Super Duty, and 2013 Ford F-250 Super Duty. However, it is still accessible from the selected car via links, so may be relevant.
NOTE: Failure to disconnect the battery when instructed will result in false resistance readings. Refer to BATTERY, MOUNTING AND CABLES .
  1. T1 CHECK THE SCCM VOLTAGE SUPPLY CIRCUIT FOR AN OPEN 
    • Disconnect: SCCM C2414A and C2414B.
    • Ignition ON.
    • Measure the voltage between the SCCM C2414A-10, circuit SBP26 (YE/RD), harness side and ground.
      Fig 1: Measuring Voltage Between SCCM C2414A-10, Circuit SBP26 (YE/RD), Harness Side And Ground
      G07413618Courtesy of FORD MOTOR CO.
    • Measure the voltage between the SCCM C2414B-8, circuit SBP24 (VT/RD), harness side and ground.
      Fig 2: Measuring Voltage Between SCCM C2414B-8, Circuit SBP24 (VT/RD), Harness Side And Ground
      G07974548Courtesy of FORD MOTOR CO.
    • Is the voltage greater than 10 volts? 
    1. Yes  : GO to T2.
    2. No  : VERIFY the Body Control Module (BCM) fuse 24 (15A) and fuse 26 (5A) is OK. If OK, REPAIR the circuit. If not OK, REFER to the OEM ELECTRICAL WIRING DIAGRAM INTRODUCTION to identify the possible causes of the circuit short. CLEAR the DTCs. REPEAT the network test with the scan tool.
  2. T2 CHECK THE SCCM GROUND CIRCUIT FOR AN OPEN 
    • Ignition OFF.
    • Disconnect: Negative Battery Cable.
    • Measure the resistance between the SCCM C2414A-13, circuit GD185 (BK/WH), harness side and ground.
      Fig 3: Measuring Resistance Between SCCM C2414A-13, Circuit GD185 (BK/WH), Harness Side And Ground
      G07413619Courtesy of FORD MOTOR CO.
    • Measure the resistance between the SCCM C2414B-5, circuit GD185 (BK/WH), harness side and ground.
      Fig 4: Measuring Resistance Between SCCM C2414B-5, Circuit GD185 (BK/WH), Harness Side And Ground
      G07974550Courtesy of FORD MOTOR CO.
    • Are the resistances less than 5 ohms? 
    1. Yes  : GO to T3.
    2. No  : REPAIR the circuit. CLEAR the DTCs. REPEAT the network test with the scan tool.
  3. T3 CHECK THE HS-CAN CIRCUITS BETWEEN THE SCCM AND THE DLC FOR AN OPEN 
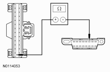
    • Measure the resistance between the SCCM C2414A-14, circuit VDB04 (WH/BU), harness side and the Data Link Connector (DLC) C251-6, circuit VDB04 (WH/BU), harness side.
      Fig 5: Measuring Resistance Between SCCM C2414A-14, Circuit VDB04 (WH/BU) And Data Link Connector C251-6, Circuit VDB04 (WH/BU), Harness Side
      G07413620Courtesy of FORD MOTOR CO.
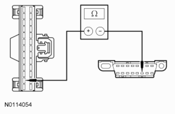
    • Measure the resistance between the SCCM C2414A-15, circuit VDB05 (WH), harness side and the DLC C251-14, circuit VDB05 (WH), harness side.
      Fig 6: Measuring Resistance Between SCCM C2414A-15, Circuit VDB05 (WH) And DLC C251-14, Circuit VDB05 (WH), Harness Side
      G07413621Courtesy of FORD MOTOR CO.
    • Are the resistances less than 5 ohms? 
    1. Yes  : CONNECT the negative battery cable. GO to T4.
    2. No  : REPAIR the circuit in question. CLEAR the DTCs. REPEAT the network test with the scan tool.
  4. T4 CHECK FOR CORRECT SCCM OPERATION 
    • Disconnect all the SCCM connectors.
    • Check for:
      • corrosion
      • damaged pins
      • pushed-out pins
    • Connect all the SCCM connectors and make sure they seat correctly.
    • Operate the system and verify the concern is still present.
    • Is the concern still present? 
    1. Yes  : INSTALL a new SCCM. REFER to STEERING COLUMN SWITCHES . CLEAR the DTCs. REPEAT the network test with the scan tool.
    2. No  : The system is operating correctly at this time. The concern may have been caused by a loose or corroded connector.