LEMON Manuals: Even more car manuals for everyone
Home >> Lincoln >> 2013 >> MKT Base, AWD >> Repair and Diagnosis >> External Pages >> Different car >> Section 13 (Module Communications Network) >> Diagnosis And Testing >> Communications Network >> Pinpoint Tests >> Pinpoint Test P: The Parking Aid Module (PAM) Does Not Respond To The Scan Tool >> Pinpoint Test P: The PAM Does Not Respond To The Scan Tool

Pinpoint Test P: The PAM Does Not Respond To The Scan Tool

WARNING: This page is about a different car, the 2013 Ford F-550 Super Duty, 2013 Ford F-450 Super Duty, 2013 Ford F-350 Super Duty, and 2013 Ford F-250 Super Duty. However, it is still accessible from the selected car via links, so may be relevant.
NOTE: Use the correct probe adapter(s) when making measurements. Failure to use the correct probe adapter(s) may damage the connector.
NOTE: Failure to disconnect the battery when instructed will result in false resistance readings. Refer to BATTERY, MOUNTING AND CABLES .
  1. P1 CHECK THE PAM VOLTAGE SUPPLY CIRCUIT FOR AN OPEN 
    • Ignition OFF.
    • Disconnect: PAM C2023.
    • Ignition ON.
    • Measure the voltage between the PAM C2023-1, circuit CBP35 (YE/GY), harness side and ground.
      Fig 1: Measuring Voltage Between PAM C2023-1, Circuit CBP35 (YE/GY) And Ground
      G06099364Courtesy of FORD MOTOR CO.
    • Is the voltage greater than 10 volts? 
    1. Yes  : GO to P2.
    2. No  : VERIFY the Body Control Module (BCM) fuse 35 (5A) is OK. If OK, REPAIR the circuit. CLEAR the DTCs. REPEAT the network test with the scan tool.
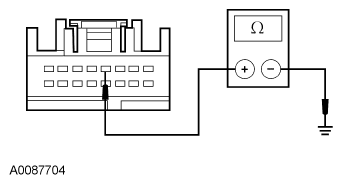
  2. P2 CHECK THE PAM GROUND CIRCUIT FOR AN OPEN 
    • Ignition OFF.
    • Disconnect: Negative Battery Cable.
    • Measure the resistance between the PAM C2023-4, circuit GD184 (BK/GY), harness side and ground.
      Fig 2: Measuring Resistance Between PAM C2023-4, Circuit GD184 (BK/GY), Harness Side
      G06099366Courtesy of FORD MOTOR CO.
    • Is the resistance less than 5 ohms? 
    1. Yes  : GO to P3.
    2. No  : REPAIR the circuit. CLEAR the DTCs. REPEAT the network test with the scan tool.
  3. P3 CHECK THE HS-CAN CIRCUITS BETWEEN THE PAM AND THE DLC FOR AN OPEN 
    • Measure the resistance between the PAM C2023-3, circuit VDB04 (WH/BU), harness side and the DLC C251-6, circuit VDB04 (WH/BU), harness side.
      Fig 3: Measuring Resistance Between PAM C2023-3, Circuit VDB04 (WH/BU) And DLC C251-6, Circuit VDB04 (WH/BU)
      G07974530Courtesy of FORD MOTOR CO.
    • Measure the resistance between the PAM C2023-11, circuit VDB05 (WH), harness side and the DLC C251-14, circuit VDB05 (WH), harness side.
      Fig 4: Measuring Resistance Between PAM C2023-11, Circuit VDB05 (WH) And DLC C251-14, Circuit VDB05 (WH)
      G07974531Courtesy of FORD MOTOR CO.
    • Are the resistance less than 5 ohms? 
    1. Yes  : CONNECT the negative battery cable. GO to P4.
    2. No  : REPAIR the circuit. CLEAR the DTCs. REPEAT the network test with the scan tool.
  4. P4 CHECK FOR CORRECT PAM OPERATION 
    • Disconnect the PAM connector.
    • Check for:
      • corrosion
      • damaged pins
      • pushed-out pins
    • Connect the PAM connector and make sure it seats correctly.
    • Operate the system and verify the concern is still present.
    • Is the concern still present? 
    1. Yes  : INSTALL a new PAM. REFER to PARKING AID . CLEAR the DTCs. REPEAT the network test with the scan tool.
    2. No  : The system is operating correctly at this time. The concern may have been caused by a loose or corroded connector.