LEMON Manuals: Even more car manuals for everyone
Home >> Lincoln >> 2013 >> MKT Base, AWD >> Repair and Diagnosis >> External Pages >> Different car >> Section 111 (Module Communications Network) >> Diagnosis And Testing >> Communications Network >> Pinpoint Tests >> Pinpoint Test O: The Parking Aid Module (PAM) Does Not Respond To The Scan Tool >> Pinpoint Test O: The PAM Does Not Respond To The Scan Tool

Pinpoint Test O: The PAM Does Not Respond To The Scan Tool

WARNING: This page is about a different car, the 2013 Ford Mustang. However, it is still accessible from the selected car via links, so may be relevant.
NOTE: Use the correct probe adapter(s) when making measurements. Failure to use the correct probe adapter(s) may damage the connector.
NOTE: Failure to disconnect the battery when instructed results in false resistance readings. Refer to BATTERY, MOUNTING AND CABLES .
  1. O1 CHECK THE PAM VOLTAGE SUPPLY CIRCUIT FOR AN OPEN 
    • Disconnect: PAM C4014.
    • Ignition ON.
    • Measure the voltage between the PAM 4014-1, circuit CBP32 (GN/VT), harness side and ground.
      Fig 1: Measuring Voltage Between PAM 4014-1, Circuit CBP32 (GN/VT) And Ground
      G06065491Courtesy of FORD MOTOR CO.
    • Is the voltage greater than 10 volts? 
    • Yes  : GO to O2.
    • No  : VERIFY the Smart Junction Box (SJB) fuse 32 (10A) is OK. If OK, REPAIR the circuit. CLEAR the DTCs. REPEAT the network test with the scan tool. If not OK, REFER to the SYSTEM WIRING DIAGRAMS to identify the possible causes of the circuit short.
  2. O2 CHECK THE PAM GROUND CIRCUIT FOR AN OPEN 
    • Ignition OFF.
    • Disconnect: Negative Battery Cable.
    • Measure the resistance between the PAM C4014-4, circuit GD110 (BK/WH), harness side and ground
      Fig 2: Measuring Resistance Between PAM C4014-4, Circuit GD110 (BK/WH) And Ground
      G06065492Courtesy of FORD MOTOR CO.
    • Are the resistances less than 5 ohms? 
    • Yes  : GO to O3.
    • No  : REPAIR the circuit in question. CONNECT the negative battery cable. CLEAR the DTCs. REPEAT the network test with the scan tool.
  3. O3 CHECK THE HS-CAN CIRCUITS BETWEEN THE PAM AND THE DLC FOR AN OPEN 
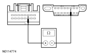
    • Measure the resistance between the PAM C4014-3, circuit VDB04 (WH/BU), harness side and the Data Link Connector (DLC) C251-6, circuit VDB04 (WH/BU), harness side.
      Fig 3: Measuring Resistance Between PAM C4014-3, Circuit VDB04 (WH/BU) And Data Link Connector (DLC) C251-6
      G07406289Courtesy of FORD MOTOR CO.
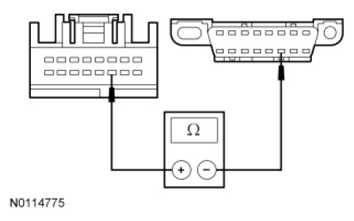
    • Measure the resistance between the PAM C4014-11, circuit VDB05 (WH), harness side and the DLC C251-14, circuit VDB05 (WH), harness side.
      Fig 4: Measuring Resistance Between PAM C4014-11, Circuit VDB05 (WH) And DLC C251-14
      G07406290Courtesy of FORD MOTOR CO.
    • Are the resistances less than 5 ohms? 
    • Yes  : GO to O4.
    • No  : REPAIR the circuit in question. CONNECT the negative battery cable. CLEAR the DTCs. REPEAT the network test with the scan tool.
  4. O4 CHECK FOR CORRECT PAM OPERATION 
    • Disconnect the PAM connector.
    • Check for:
      • corrosion
      • damaged pins
      • pushed-out pins
    • Connect the PAM connector and make sure it seats correctly.
    • Operate the system and verify the concern is still present.
    • Is the concern still present? 
    • Yes  : INSTALL a new PAM. REFER to PARKING AID . CLEAR the DTCs. REPEAT the network test with the scan tool.
    • No  : The system is operating correctly at this time. The concern may have been caused by a loose or corroded connector. CLEAR the DTCs. REPEAT the network test with the scan tool.