LEMON Manuals: Even more car manuals for everyone
Home >> Lincoln >> 2013 >> MKT Base, AWD >> Repair and Diagnosis >> External Pages >> Different car >> Section 111 (Module Communications Network) >> Diagnosis And Testing >> Communications Network >> Pinpoint Tests >> Pinpoint Test A: The PCM Does Not Respond To The Scan Tool >> Pinpoint Test A: The Pcm Does Not Respond To The Scan Tool

Pinpoint Test A: The Pcm Does Not Respond To The Scan Tool

WARNING: This page is about a different car, the 2013 Ford Mustang. However, it is still accessible from the selected car via links, so may be relevant.
NOTE: Use the correct probe adapter(s) when making measurements. Failure to use the correct probe adapter(s) may damage the connector.
NOTE: Failure to disconnect the battery when instructed results in false resistance readings. Refer to BATTERY, MOUNTING AND CABLES .
  1. A1 VERIFY WHETHER OTHER HS-CAN MODULES PASS THE NETWORK TEST 
    • Enter the following diagnostic mode on the scan tool: Network Test.
    • In the left hand pane of the IDS network test display screen, verify whether any HS-CAN modules passed the network test.
    • Is the text "pass" or a DTC listed next to any of the following modules: ABS module, Instrument Panel Cluster (IPC), Occupant Classification System Module (OCSM), PCM, PSCM or Restraints Control Module (RCM)? 
    • Yes  : If "pass" or a DTC was listed next to the PCM, a network fault is not currently present. GO to PINPOINT TEST R  to diagnose an intermittent HS-CAN fault condition.

      If "pass" or a DTC was listed next to one or more modules other than the PCM, GO to A2.

    • No  : No modules are currently communicating on the HS-CAN. GO to PINPOINT TEST R  to diagnose no HS-CAN communication.
  2. A2 ENGINE CONTROLS - INTRODUCTION (EXCEPT DIESEL & HYBRID) (SECTION 0) PINPOINT TEST QA VERIFICATION CHECK 
    • Verify that the ENGINE CONTROLS - INTRODUCTION (EXCEPT DIESEL & HYBRID) (SECTION 0) pinpoint test QA has been performed.
    • Has pinpoint test QA been performed? 
  3. A3 CHECK THE HS-CAN TERMINATION RESISTANCE 
    • Ignition OFF.
    • Disconnect: Negative Battery Cable.
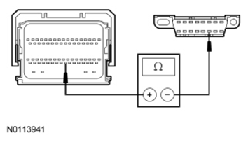
    • Measure the resistance between the Data Link Connector (DLC) C251-6, circuit VDB04 (WH/BU), harness side and the DLC C251-14, circuit VDB05 (WH), harness side.
      Fig 1: Measuring Resistance Between Data Link Connector C251-6, Circuit VDB04 (WH/BU) And DLC C251-14
      G08646363Courtesy of FORD MOTOR CO.
    • Is the resistance between 54 and 66 ohms? 
    • Yes  : CONNECT the negative battery cable. GO to  A5.
    • No  : GO to A4.
  4. A4 CHECK THE CAN CIRCUITS BETWEEN THE PCM AND THE DLC FOR AN OPEN 
    • Disconnect: PCM C175B or C1381B.
    • Measure the resistance between the PCM C175B-59 or C1381B-59, circuit VDB04 (WH/BU), harness side and the DLC C251-6, circuit VDB04 (WH/BU), harness side.
      Fig 2: Measuring Resistance Between PCM C175B-59 Or C1381B-59, Circuit VDB04 (WH/BU) And DLC C251-6, Circuit VDB04 (WH/BU)
      G06099301Courtesy of FORD MOTOR CO.
    • Measure the resistance between the PCM C175B-58 or C1381B-58, circuit VDB05 (WH), harness side and the DLC C251-14, circuit VDB05 (WH), harness side.
      Fig 3: Measuring Resistance Between PCM C175B-58 Or C1381B-58, Circuit VDB05 (WH) And DLC C251-14, Circuit VDB05 (WH)
      G07406211Courtesy of FORD MOTOR CO.
    • Are the resistances less than 5 ohms? 
    • Yes  : CONNECT the negative battery cable. GO to A5.
    • No  : REPAIR the circuit in question. CONNECT the negative battery cable. CLEAR the DTCs. REPEAT the network test with the scan tool.
  5. A5 CHECK FOR CORRECT PCM OPERATION 
    • Disconnect all the PCM connectors.
    • Check for:
      • corrosion
      • damaged pins
      • pushed-out pins
    • Connect all the PCM connectors and make sure they seat correctly.
    • Operate the system and verify the concern is still present.
    • Is the concern still present? 
    • Yes  : INSTALL a new PCM. REFER to ELECTRONIC ENGINE CONTROLS . CLEAR the DTCs. REPEAT the network test with the scan tool.
    • No  : The system is operating correctly at this time. The concern may have been caused by a loose or corroded connector. CLEAR the DTCs. REPEAT the network test with the scan tool.