LEMON Manuals: Even more car manuals for everyone
Home >> Lincoln >> 2012 >> MKZ Base, FWD >> Repair and Diagnosis >> External Pages >> Different car >> Section 1419 (Module Communications Network) >> Diagnostic Tests >> Communications Network >> Pinpoint Tests >> Pinpoint Test E: The HVAC Module Does Not Respond To The Scan Tool >> Pinpoint Test E: The HVAC Module Does Not Respond To The Scan Tool

Pinpoint Test E: The HVAC Module Does Not Respond To The Scan Tool

WARNING: This page is about a different car, the 2010 Lincoln Town Car. However, it is still accessible from the selected car via links, so may be relevant.
NOTE: Use the correct probe adapter(s) when making measurements. Failure to use the correct probe adapter(s) may damage the connector.
  1. E1 CHECK THE HVAC MODULE VOLTAGE SUPPLY CIRCUITS FOR AN OPEN 
    • Key in OFF position.
    • Disconnect the scan tool cable from the data link connector (DLC).
    • Disconnect: HVAC Module C228b
    • Key in ON position.
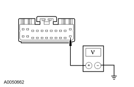
    • Measure the voltage between the HVAC module C228b-22, circuit 1812 (BN/WH) and ground.
    • Fig 1: Checking Circuit For Open
      GF0018876Courtesy of FORD MOTOR CO.
    • Measure the voltage between the HVAC module C228b-11, circuit 1566 (RD/YE) and ground.
    • Fig 2: Checking Circuit For Open
      GF0018875Courtesy of FORD MOTOR CO.
    • Are the voltages greater than 10 volts? 
    1. YES  : Go to  E2.
    2. NO  : VERIFY the central junction box (CJB) fuse 15 (10A) or 25 (10A) is OK. If OK, REPAIR the circuit in question. CLEAR the DTCs. REPEAT the network test with the scan tool.
  2. E2 CHECK THE HVAC MODULE GROUND CIRCUIT FOR AN OPEN 
    • Key in OFF position.
    • Disconnect: HVAC Module C228a
    • Measure the resistance between the HVAC module C228a-2, circuit 57 (BK) and ground.
    • Fig 3: Measuring Resistance
      GF0007909Courtesy of FORD MOTOR CO.
    • Is the resistance less than 5 ohms? 
    1. YES  : Go to  E3.
    2. NO  : REPAIR the circuit. CLEAR the DTCs. REPEAT the network test with the scan tool.
  3. E3 CHECK THE SCP CIRCUITS BETWEEN THE DLC AND THE HVAC MODULE FOR AN OPEN 
    • Measure the resistance between the HVAC module C228b-12, circuit 914 (TN/OG), harness side and the DLC C251-2, circuit 914 (TN/OG), harness side.
    • Fig 4: Checking Circuit For Open
      GF0019120Courtesy of FORD MOTOR CO.
    • Measure the resistance between the HVAC module C228b-1, circuit 915 (PK/LB), harness side and the DLC C251-10, circuit 915 (PK/LB), harness side.
    • Fig 5: Checking Circuit For Open
      GF0019121Courtesy of FORD MOTOR CO.
    • Are the resistances less than 5 ohms? 
    1. YES  : Go to  E4.
    2. NO  : REPAIR the circuit in question. CLEAR the DTCs. REPEAT the network test with the scan tool.
  4. E4 CHECK FOR CORRECT HVAC MODULE OPERATION 
    • Disconnect all the HVAC module connectors.
    • Check for:
      • corrosion
      • damaged pins
      • pushed-out pins
    • Connect all the HVAC module connectors and make sure they seat correctly.
    • Operate the system and verify the concern is still present.
    • Is the concern still present? 
    1. YES  : INSTALL a new HVAC module. REFER to CLIMATE CONTROL article. CLEAR the DTCs. REPEAT the network test with the scan tool.
    2. NO  : The system is operating correctly at this time. The concern may have been caused by a loose or corroded connector. CLEAR the DTCs. REPEAT the network test with the scan tool.