LEMON Manuals: Even more car manuals for everyone
Home >> Lincoln >> 2012 >> MKZ Base, FWD >> Repair and Diagnosis >> External Pages >> Different car >> Section 1212 (Module Communications Network) >> Diagnosis And Testing >> Communications Network >> Pinpoint Test C: The IPC Does Not Respond To The Scan Tool >> Pinpoint Test AF: No Power To The Scan Tool >> Pinpoint Test AF: No Power To The Scan Tool

Pinpoint Test AF: No Power To The Scan Tool

WARNING: This page is about a different car, the 2010 Mercury Milan, 2010 Lincoln MKZ, and 2010 Ford Fusion. However, it is still accessible from the selected car via links, so may be relevant.
NOTE: Failure to disconnect the battery when instructed will result in false resistance readings. Refer to BATTERY, MOUNTING AND CABLES .
  1. AF1 CHECK THE DLC PINS FOR DAMAGE 
    NOTE: Most faults are due to connector and/or wiring concerns. Carry out a thorough inspection and verification before proceeding with the pinpoint test.
    • Disconnect the scan tool cable from the DLC  .
    • Inspect DLC  pins 4, 5 and 16 for damage.
      Fig 1: Locating DLC Damage Pins 4, 5 And 16
      G06259142Courtesy of FORD MOTOR CO.
    • Are DLC pins 4, 5 and 16 OK? 
    • Yes  : GO to  AF2.
    • No  : REPAIR the DLC  as necessary. CLEAR the DTCs. REPEAT the network test with the scan tool.
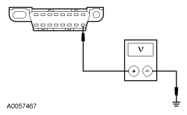
  2. AF2 CHECK THE DLC VOLTAGE SUPPLY FOR AN OPEN 
    • Measure the voltage between the DLC  C251-16, circuit SBP20 (GN/RD), harness side and ground.
      Fig 2: Measuring Voltage Between DLC C251-16, Circuit SBP20 (GN/RD) And Ground
      G06259143Courtesy of FORD MOTOR CO.
    • Is the voltage greater than 10 volts? 
    • Yes  : GO to  AF3.
    • No  : VERIFY the Smart Junction Box (SJB) fuse 20 (15A) is OK. If OK, REPAIR the circuit. REPEAT the network test with the scan tool.
  3. AF3 CHECK THE DLC GROUND CIRCUITS FOR AN OPEN 
    • Disconnect: Negative Battery Cable.
    • Measure the resistance between the DLC  C251-4, circuit GD116 (BK/VT), harness side and ground; and between the DLC  C251-5, circuit GD116 (BK/VT), harness side and ground.
      Fig 3: Checking DLC Ground Circuits For An Open
      G06259144Courtesy of FORD MOTOR CO.
    • Are the resistances less than 5 ohms? 
    • Yes  : CONNECT the negative battery cable. REPAIR the scan tool. REPEAT the network test with the scan tool.
    • No  : CONNECT the negative battery cable. REPAIR the circuit in question. REPEAT the network test with the scan tool.