LEMON Manuals: Even more car manuals for everyone
Home >> Lincoln >> 2012 >> MKZ Base, AWD >> Repair and Diagnosis >> External Pages >> Different car >> Section 1325 (Module Communications Network) >> Diagnosis And Testing >> Communications Network >> Pinpoint Tests >> Pinpoint Test W: No Power To The Scan Tool >> Pinpoint Test W: No Power To The Scan Tool

Pinpoint Test W: No Power To The Scan Tool

WARNING: This page is about a different car, the 2010 Mercury Mariner and 2010 Ford Escape. However, it is still accessible from the selected car via links, so may be relevant.
NOTE: Most faults are due to connector and/or wiring concerns. Carry out a thorough inspection and verification before proceeding with the Pinpoint Test.
NOTE: Failure to disconnect the battery when instructed will result in false resistance readings. Refer to BATTERY, MOUNTING AND CABLES .
  1. W1 CHECK DLC PINS FOR DAMAGE 
    • Disconnect the scan tool cable from the DLC  .
    • Inspect the DLC  pins 4, 5 and 16 for damage.
      Fig 1: Locating Damage DLC Pins
      G06065572Courtesy of FORD MOTOR CO.
    • Are the DLC pins 4, 5 and 16 OK? 
    • Yes:  GO to W2  .
    • No:  REPAIR the DLC  as necessary. REPEAT the network test with the scan tool.
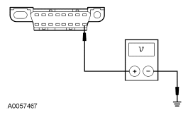
  2. W2 CHECK THE DLC VOLTAGE SUPPLY CIRCUIT FOR AN OPEN 
    • Measure the voltage between the DLC  C251-16, circuit SBP20 (GN/RD), harness side and ground.
      Fig 2: Measuring Voltage Between DLC C251-16, Circuit SBP20 (GN/RD), Harness Side And Ground
      G06065573Courtesy of FORD MOTOR CO.
    • Is the voltage greater than 10 volts? 
    • Yes:  GO to W3  .
    • No:  VERIFY the Smart Junction Box (SJB) fuse 20 (15A) is OK. If OK, REPAIR the circuit. If not OK, REFER to the appropriate SYSTEM WIRING DIAGRAMS article to identify the possible causes of the circuit short. REPEAT the network test with the scan tool.
  3. W3 CHECK THE DLC GROUND CIRCUITS FOR AN OPEN 
    • Disconnect: Negative Battery Cable.
    • Measure the resistance between the DLC  C251-4, circuit GD112 (BK/GN), harness side and ground; and between the DLC  C251-5, circuit GD114 (BK/BU), harness side and ground.
      Fig 3: Measuring Resistance Between DLC C251-4, Circuit GD112 (BK/GN) And Between C251-5, GD114 (BK/BU), Harness Side And Ground
      G06075940Courtesy of FORD MOTOR CO.
    • Are the resistances less than 5 ohms? 
    • Yes:  REPAIR the scan tool. CONNECT the negative battery cable. REPEAT the network test with the scan tool.
    • No:  REPAIR the circuit in question. CONNECT the negative battery cable. REPEAT the network test with the scan tool.