LEMON Manuals: Even more car manuals for everyone
Home >> Lincoln >> 2012 >> MKZ Base, AWD >> Repair and Diagnosis (Single Page) >> Electrical >> Body Electrical >> OEM Component Testing (Except Hybrid) >> Component Testing >> Main light switch >> Schematic

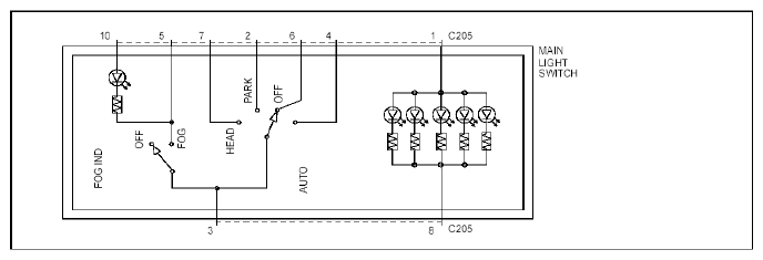
Main light switch: Schematic

Fig 1: Main Light Switch - Component Testing
G07922816Courtesy of FORD MOTOR CO.