LEMON Manuals: Even more car manuals for everyone
Home >> Lincoln >> 2012 >> MKX AWD >> Repair and Diagnosis >> External Pages >> Different car >> Section 1875 (Module Communications Network) >> Diagnosis And Testing >> Communications Network >> Pinpoint Tests >> Pinpoint Test G: The Steering Column Control Module (SCCM) Does Not Respond To The Scan Tool >> Pinpoint Test G: The SCCM Does Not Respond To The Scan Tool

Pinpoint Test G: The SCCM Does Not Respond To The Scan Tool

WARNING: This page is about a different car, the 2013 Lincoln MKX and 2013 Ford Edge. However, it is still accessible from the selected car via links, so may be relevant.
NOTE: Use the correct probe adapter(s) when making measurements. Failure to use the correct probe adapter(s) may damage the connector.
NOTE: Failure to disconnect the battery when instructed results in false resistance readings. Refer to BATTERY, MOUNTING AND CABLES .
  1. G1 CHECK THE SCCM VOLTAGE SUPPLY CIRCUITS FOR AN OPEN 
    • Ignition OFF.
    • Disconnect: SCCM C2414A.
    • Disconnect: SCCM C2414B.
    • Ignition ON.
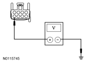
    • Measure the voltage between the SCCM C2414A-10, circuit SBP23 (WH/RD), harness side and ground.
      Fig 1: Measuring Voltage Between SCCM C2414A-10, Circuit SBP23 (WH/RD), Harness Side And Ground
      G07406231Courtesy of FORD MOTOR CO.
    • Measure the voltage and between the SCCM C2414B-8, circuit SBP24 (VT/RD), harness side and ground.
      Fig 2: Measuring Voltage And Between SCCM C2414B-8, Circuit SBP24 (VT/RD), Harness Side And Ground
      G07406232Courtesy of FORD MOTOR CO.
    • Are the voltages greater than 10 volts? 
      • YES  : GO to  G2.
      • No  : VERIFY the Body Control Module (BCM) fuses 23 (15A) and 24 (15A) are OK. If OK, REPAIR the circuit in question. If not OK, REFER to the appropriate SYSTEM WIRING DIAGRAMS (Edge) article or SYSTEM WIRING DIAGRAMS (MKX) article to identify the possible causes of the circuit short. CLEAR the DTCs. REPEAT the network test with the scan tool.
  2. G2 CHECK THE SCCM GROUND CIRCUITS FOR AN OPEN 
    • Ignition OFF.
    • Disconnect: Negative Battery Cable.
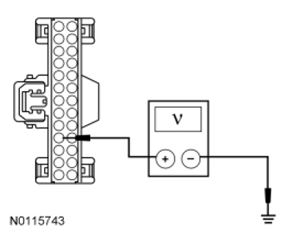
    • Measure the resistance between the SCCM C2414A-13, circuit GD115 (BK/GY), harness side and ground.
      Fig 3: Measuring Resistance Between SCCM C2414A-13, Circuit GD115 (BK/GY), Harness Side And Ground
      G07406233Courtesy of FORD MOTOR CO.
    • Measure the resistance between the SCCM 2414B-5, circuit GD115 (BK/GY), harness side and ground.
      Fig 4: Measuring Resistance Between SCCM 2414B-5, Circuit GD115 (BK/GY), Harness Side And Ground
      G07406234Courtesy of FORD MOTOR CO.
    • Are the resistances less than 5 ohms? 
      • YES  : GO to  G3.
      • No  : REPAIR the circuit in question. CONNECT the negative battery cable. CLEAR the DTCs. REPEAT the network test with the scan tool.
  3. G3 CHECK THE HS-CAN CIRCUITS BETWEEN THE SCCM AND THE DLC FOR AN OPEN 
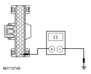
    • Measure the resistance between the SCCM C2414A-14, circuit VDB04 (WH/BU), harness side and the DLC C251-6, circuit VDB04 (WH/BU), harness side.
      Fig 5: Measuring Resistance Between SCCM C2414A-14, Circuit VDB04 (WH/BU), Harness Side And DLC C251-6, Circuit VDB04 (WH/BU), Harness Side
      G07406235Courtesy of FORD MOTOR CO.
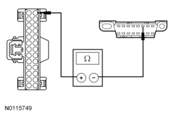
    • Measure the resistance between the SCCM C2414A-15, circuit VDB05 (WH), harness side and the DLC C251-14, circuit VDB05 (WH), harness side.
      Fig 6: Measuring Resistance Between SCCM C2414A-15, Circuit VDB05 (WH) And DLC C251-14, Circuit VDB05 (WH), Harness Side
      G07406236Courtesy of FORD MOTOR CO.
    • Are the resistances less than 5 ohms? 
      • YES  : CONNECT the negative battery cable. GO to  G4.
      • No  : REPAIR the circuit in question. CONNECT the negative battery cable. CLEAR the DTCs. REPEAT the network test with the scan tool.
  4. G4 CHECK FOR CORRECT SCCM OPERATION 
    • Disconnect all the SCCM connectors.
    • Check for:
      • Corrosion
      • Damaged pins
      • Pushed-out pins
    • Connect all the SCCM connectors and make sure they seat correctly.
    • Verify the concern is still present.
    • Is the concern still present? 
      • YES  : INSTALL a new SCCM. REFER to STEERING COLUMN SWITCHES . CLEAR the DTCs. REPEAT the network test with the scan tool.
      • No  : The system is operating correctly at this time. The concern may have been caused by a loose or corroded connector. CLEAR the DTCs. REPEAT the network test with the scan tool.