LEMON Manuals: Even more car manuals for everyone
Home >> Lincoln >> 2012 >> MKX AWD >> Repair and Diagnosis >> External Pages >> Different car >> Section 1875 (Module Communications Network) >> Diagnosis And Testing >> Communications Network >> Pinpoint Tests >> Pinpoint Test A: The PCM Does Not Respond To The Scan Tool >> Pinpoint Test A: The Pcm Does Not Respond To The Scan Tool

Pinpoint Test A: The Pcm Does Not Respond To The Scan Tool

WARNING: This page is about a different car, the 2013 Lincoln MKX and 2013 Ford Edge. However, it is still accessible from the selected car via links, so may be relevant.
NOTE: Use the correct probe adapter(s) when making measurements. Failure to use the correct probe adapter(s) may damage the connector.
NOTE: Failure to disconnect the battery when instructed results in false resistance readings. Refer to BATTERY, MOUNTING AND CABLES .
  1. A1 VERIFY WHETHER OTHER HS-CAN MODULES PASS THE NETWORK TEST 
    • Enter the following diagnostic mode on the scan tool: Network Test.
    • In the left hand pane of the IDS network test display screen, verify whether any HS-CAN modules passed the network test.
    • Is the text "pass" or a DTC listed next to any of the following modules (if equipped): ABS module, Accessory Protocol Interface Module (APIM), Body Control Module (BCM), Cruise-Control Module (C-CM), Front Lighting Control Module (FLM), Headlamp Control Module (HCM), Head Up Display (HUD) module, Instrument Panel Cluster (IPC), Occupant Classification System Module (OCSM), Parking Aid Module (PAM), PCM, Restraints Control Module (RCM), Steering Column Control Module (SCCM) or Transmission Control Module (TCM)? 
      • YES  : If "pass" or a DTC was listed next to the PCM, a network fault is not currently present. GO to Pinpoint Test AD  to diagnose an intermittent HS-CAN fault condition.

        If "pass" or a DTC was listed next to one or more modules other than the PCM, GO to  A2.

      • No  : No modules are currently communicating on the HSCAN. GO to Pinpoint Test AE  to diagnose no HS-CAN communication.
  2. A2 ENGINE CONTROLS - INTRODUCTION (EXCEPT DIESEL & HYBRID) (SECTION 0) PINPOINT TEST QA VERIFICATION CHECK 
  3. A3 CHECK THE HS-CAN TERMINATION RESISTANCE 
    • Ignition OFF.
    • Disconnect: Negative Battery Cable.
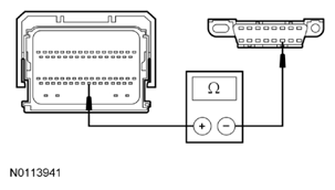
    • Measure the resistance between the Data Link Connector (DLC) C251-6, circuit VDB04 (WH/BU), harness side and the DLC C251-14, circuit VDB05 (WH), harness side.
      Fig 1: Measuring Resistance Between Data Link Connector (DLC) C251-6, Circuit VDB04 (WH/BU) And DLC C251-14, Circuit VDB05 (WH), Harness Side
      G06065430Courtesy of FORD MOTOR CO.
    • Is the resistance between 54 and 66 ohms? 
      • YES  : CONNECT the negative battery cable. GO to  A5.
      • No  : GO to  A4.
  4. A4 CHECK THE HS-CAN CIRCUITS BETWEEN THE PCM AND THE DLC FOR AN OPEN 
    • Disconnect: PCM C175B (3.5L/3.7L engines) or C1381B (2.0L engine).
    • For vehicles with the 3.5L/3.7L engine, measure the resistance between the PCM C175B-59, circuit VDB04 (WH/BU), harness side and the DLC C251-6, circuit VDB04 (WH/BU), harness side.
      Fig 2: Measuring Resistance Between PCM C175B-59, Circuit VDB04 (WH/BU) And DLC C251-6, Circuit VDB04 (WH/BU), Harness Side
      G06099301Courtesy of FORD MOTOR CO.
    • For vehicles with the 3.5L/3.7L engine, measure the resistance between the PCM C175B-58, circuit VDB05 (WH), harness side and the DLC C251-14, circuit VDB05 (WH), harness side.
      Fig 3: Measuring Resistance Between PCM C175B-58, Circuit VDB05 (WH) And DLC C251-14, Circuit VDB05 (WH), Harness Side
      G07933793Courtesy of FORD MOTOR CO.
    • For vehicles with the 2.0L engine, measure the resistance between the PCM C1381B-54, circuit VDB04 (WH/BU), harness side and the DLC C251-6, circuit VDB04 (WH/BU), harness side.
      Fig 4: Measuring Resistance Between PCM C1381B-54, Circuit VDB04 (WH/BU) And DLC C251-6, Circuit VDB04 (WH/BU), Harness Side
      G07933794Courtesy of FORD MOTOR CO.
    • For vehicles with the 2.0L engine, measure the resistance between the PCM C1381B-41, circuit VDB05 (WH), harness side and the DLC C251-14, circuit VDB05 (WH), harness side.
      Fig 5: Measuring Resistance Between PCM C1381B-41, Circuit VDB05 (WH) And DLC C251-14, Circuit VDB05 (WH), Harness Side
      G07933795Courtesy of FORD MOTOR CO.
    • Are the resistances less than 5 ohms? 
      • YES  : CONNECT the negative battery cable. GO to  A5.
      • No  : REPAIR the circuit in question. CONNECT the negative battery cable. CLEAR the DTCs. REPEAT the network test with the scan tool.
  5. A5 CHECK FOR CORRECT PCM OPERATION 
    • Disconnect all the PCM connectors.
    • Check for:
      • Corrosion
      • Damaged pins
      • Pushed-out pins
    • Connect all the PCM connectors and make sure they are seated correctly.
    • Operate the system and verify the concern is still present.
    • Is the concern still present? 
      • YES  : INSTALL a new PCM. Refer to ELECTRONIC ENGINE CONTROLS . CLEAR the DTCs. REPEAT the network test with the scan tool.
      • No  : The system is operating correctly at this time. The concern may have been caused by a loose or corroded connector. CLEAR the DTCs. REPEAT the network test with the scan tool.