LEMON Manuals: Even more car manuals for everyone
Home >> Lincoln >> 2011 >> MKX FWD >> Repair and Diagnosis >> External Pages >> Different car >> Section 1097 (Module Communications Network System) >> Diagnostic Tests >> Communications Network >> Pinpoint Tests >> Pinpoint Test Q: The Parking Aid Module Does Not Respond To The Scan Tool >> Pinpoint Test Q: The Parking Aid Module Does Not Respond To The Scan Tool

Pinpoint Test Q: The Parking Aid Module Does Not Respond To The Scan Tool

WARNING: This page is about a different car, the 2007 Lincoln MKX and 2007 Ford Edge. However, it is still accessible from the selected car via links, so may be relevant.
CAUTION: Use the correct probe adapter(s) when making measurements. Failure to use the correct probe adapter(s) may damage the connector.
  1. Q1 CHECK THE PARKING AID MODULE VOLTAGE SUPPLY CIRCUIT CBP35 (YE/GY) FOR AN OPEN 
    • Key in OFF position.
    • Disconnect: Parking Aid Module C4014
    • Key in ON position.
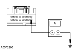
    • Fig 1: Measuring Voltage Between Parking Aid Module C4014-1, Circuit CBP35 (YE/GY) & Ground
      GF0004713Courtesy of FORD MOTOR CO.
    • Measure the voltage between the parking aid module C4014-1, circuit CBP35 (YE/GY), harness side and ground.
    • Is the voltage greater than 10 volts? 
    1. YES  : Go to  Q2.
    2. NO  : VERIFY the smart junction box (SJB) fuse 35 (10A) is OK. If OK, REPAIR the circuit. TEST the system for normal operation.
  2. Q2 CHECK THE PARKING AID MODULE GROUND CIRCUIT GD133 (BK) FOR AN OPEN 
    • Key in OFF position.
    • Fig 2: Measuring Resistance Between Parking Aid Module C4014-4, Circuit GD133 (BK) & Ground
      GF0004714Courtesy of FORD MOTOR CO.
    • Measure the resistance between the parking aid module C4014-4, circuit GD133 (BK), harness side and ground.
    • Is the resistance less than 5 ohms? 
    1. YES  : Go to  Q3.
    2. NO  : REPAIR the circuit. TEST the system for normal operation.
  3. Q3 CHECK THE MS-CAN CIRCUITS BETWEEN THE DATA LINK CONNECTOR (DLC) AND THE PARKING AID MODULE FOR AN OPEN 
      Fig 3: Measuring Resistance Between Parking Aid Module C4014-3, Circuit VDB06 (GY/OG) & DLC C251-3
      GF0032355Courtesy of FORD MOTOR CO.
    • Measure the resistance between the parking aid module C4014-3, circuit VDB06 (GY/OG), harness side and the DLC C251-3, circuit VDB06 (GY/OG), harness side.
    • Fig 4: Measuring Resistance Between Parking Aid Module C4014-11, Circuit VDB07 (VT/OG) & DLC C251-11
      GF0032356Courtesy of FORD MOTOR CO.
    • Measure the resistance between the parking aid module C4014-11, circuit VDB07 (VT/OG), harness side and the DLC C251-11, circuit VDB07 (VT/OG), harness side.
    • Are the resistances less than 5 ohms? 
    1. YES  : Go to  Q4.
    2. NO  : REPAIR the circuit in question. CLEAR the DTCs. REPEAT the network test with the scan tool.
  4. Q4 CHECK FOR CORRECT PARKING AID MODULE OPERATION 
    • Disconnect the parking aid module connector.
    • Check for:
      • corrosion
      • damaged pins
      • pushed-out pins
    • Connect the parking aid module connector and make sure it seats correctly.
    • Operate the system and verify the concern is still present.
    • Is the concern still present? 
    1. YES  : INSTALL a new parking aid module. REFER to PARKING AID . CLEAR the DTCs. REPEAT the network test with the scan tool.
    2. NO  : The system is operating correctly at this time. The concern may have been caused by a loose or corroded connector. CLEAR the DTCs. REPEAT the network test with the scan tool.