LEMON Manuals: Even more car manuals for everyone
Home >> Lincoln >> 2011 >> MKX AWD >> Repair and Diagnosis >> External Pages >> Different car >> Section 1097 (Module Communications Network System) >> Diagnostic Tests >> Communications Network >> Pinpoint Tests >> Pinpoint Test K: The Audio Unit Does Not Respond To The Scan Tool >> Pinpoint Test K: The Audio Unit Does Not Respond To The Scan Tool

Pinpoint Test K: The Audio Unit Does Not Respond To The Scan Tool

WARNING: This page is about a different car, the 2007 Lincoln MKX and 2007 Ford Edge. However, it is still accessible from the selected car via links, so may be relevant.
CAUTION: Use the correct probe adapter(s) when making measurements. Failure to use the correct probe adapter(s) may damage the connector.
  1. K1 CHECK THE AUDIO UNIT VOLTAGE SUPPLY CIRCUITS FOR AN OPEN 
    • Key in OFF position.
    • Disconnect: Audio Unit C240a
    • Key in ON position.
    • Measure the voltage between the audio unit, harness side and ground as follows:
      Connector-Pin Circuit
      C240a-1 SBP39 (WH/RD)
      C240a-2 CBP41 (BU)
      C240a-15 CBP28 (GY/VT)
    • Are the voltages greater than 10 volts? 
    1. YES  : Go to  K2.
    2. NO  : VERIFY the smart junction box (SJB) fuse 28 (5A), 39 (20A) or 41 (15A) are OK. If OK, REPAIR the circuit in question. CLEAR the DTCs. REPEAT the network test with the scan tool.
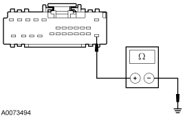
  2. K2 CHECK THE AUDIO UNIT GROUND CIRCUIT GD114 (BK/BU) FOR AN OPEN 
    • Key in OFF position.
    • Fig 1: Measuring Resistance Between Audio Unit C240A-13, Circuit GD114 (BK/BU) & Ground
      GF0023542Courtesy of FORD MOTOR CO.
    • Measure the resistance between the audio unit C240a-13, circuit GD114 (BK/BU), harness side and ground.
    • Is the resistance less than 5 ohms? 
    1. YES  : Go to  K3.
    2. NO  : REPAIR the circuit. CLEAR the DTCs. REPEAT the network test with the scan tool.
  3. K3 CHECK THE MEDIUM SPEED CAN CIRCUITS BETWEEN THE DLC AND THE AUDIO UNIT FOR AN OPEN 
    • Disconnect: Audio Unit C240b
    • Fig 2: Measuring Resistance Between Audio Unit C240B-15, Circuit VDB06 (GY/OG) & DLC C251-3
      GF0023543Courtesy of FORD MOTOR CO.
    • Measure the resistance between the audio unit C240b-15, circuit VDB06 (GY/OG) , harness side and the DLC C251-3, circuit VDB06 (GY/OG), harness side.
    • Fig 3: Measuring Resistance Between Audio Unit C240B-16, Circuit VDB07 (VT/OG) & DLC C251-11
      GF0023544Courtesy of FORD MOTOR CO.
    • Measure the resistance between the audio unit C240b-16, circuit VDB07 (VT/OG), harness side and the DLC C251-11, circuit VDB07 (VT/OG), harness side.
    • Are the resistances less than 5 ohms? 
    1. YES  : Go to  K4.
    2. NO  : REPAIR the circuit in question. CLEAR the DTCs. REPEAT the network test with the scan tool.
  4. K4 CHECK FOR CORRECT AUDIO UNIT OPERATION 
    • Disconnect all the audio unit connectors.
    • Check for:
      • corrosion
      • damaged pins
      • pushed-out pins
    • Connect all the audio unit connectors and make sure they seat correctly.
    • Operate the system and verify the concern is still present.
    • Is the concern still present? 
    1. YES  : INSTALL a new audio unit. REFER to INFORMATION AND ENTERTAINMENT SYSTEMS . TEST the system for normal operation.
    2. NO  : The system is operating correctly at this time. The concern may have been caused by a loose or corroded connector. CLEAR the DTCs. REPEAT the network test with the scan tool.