LEMON Manuals: Even more car manuals for everyone
Home >> Lincoln >> 2011 >> MKS Base, AWD >> Repair and Diagnosis >> External Pages >> Different car >> Section 914 (Module Communications Network System) >> Diagnostic Tests >> Communications Network >> Pinpoint Tests >> Pinpoint Test D: The Smart Junction Box (SJB) Does Not Respond To The Scan Tool >> Pinpoint Test D: The Smart Junction Box (SJB) Does Not Respond To The Scan Tool

Pinpoint Test D: The Smart Junction Box (SJB) Does Not Respond To The Scan Tool

WARNING: This page is about a different car, the 2007 Ford Ranger. However, it is still accessible from the selected car via links, so may be relevant.
CAUTION: Use the correct probe adapter(s) when taking measurements. Failure to use the correct probe adapter(s) may damage the connector.
  1. D1 CHECK SJB FUSE 11 FOR AN OPEN 
    • Disconnect: SJB Fuse 11
    • Inspect the fuse for an open.
    • Is the fuse open? 
    1. YES  : Go to  D4 .
    2. NO  : Go to  D2 .
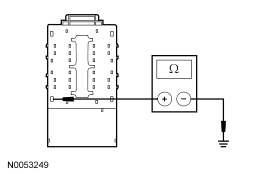
  2. D2 CHECK CIRCUIT GD174 (BK/WH) FOR AN OPEN 
    • Key in OFF position.
    • Disconnect: SJB C2280c
    • Measure the resistance between the SJB C2280c-1, circuit GD174 (BK/WH), harness side and ground.
      Fig 1: Measuring Resistance Between SJB C2280c-1, GD174 (BK/WH), Harness Side & Ground
      GF0011147Courtesy of FORD MOTOR CO.
    • Is the resistance less than 5 ohms? 
    1. YES  : Go to  D3 .
    2. NO  : REPAIR the circuit. CLEAR the DTCs. REPEAT the network test with the scan tool.
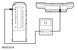
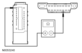
  3. D3 CHECK THE HS-CAN CIRCUITS BETWEEN THE DATA LINK CONNECTOR (DLC) AND THE SJB FOR AN OPEN 
    • Disconnect: SJB C2280d
    • Measure the resistance between the SJB C2280d-20, circuit VDB04 (WH/BU), harness side and the DLC C251-6, circuit VDB04 (WH/BU), harness side.
      Fig 2: Measuring Resistance Between SJB C2280d-20, VDB04 (WH/BU) & DLC C251-6, VDB04 (WH/BU)
      GF0011148Courtesy of FORD MOTOR CO.
    • Measure the resistance between the SJB C2280d-21, circuit VDB05 (WH), harness side and the DLC C251-14, circuit VDB05 (WH), harness side.
      Fig 3: Measuring Resistance Between SJB C2280d-21, VDB05 (WH) & DLC C251-14, VDB05 (WH)
      GF0011149Courtesy of FORD MOTOR CO.
    • Are the resistances less than 5 ohms? 
    1. YES  : Go to  D4.
    2. NO  : REPAIR the circuit. CLEAR the DTCs. REPEAT the network test with the scan tool.
  4. D4 CHECK FOR CORRECT SJB OPERATION 
    • Disconnect all the SJB connectors.
    • Check for:
      • corrosion
      • damaged pins
      • pushed-out pins
    • Connect all the SJB connectors and make sure they seat correctly.
    • Operate the system and verify the concern is still present.
    • Is the concern still present? 
    1. YES  : INSTALL a new SJB. REFER to MULTIFUNCTION ELECTRONIC MODULES article. CLEAR the DTCs. REPEAT the network test with the scan tool.
    2. NO  : The system is operating correctly at this time. The concern may have been caused by a loose or corroded connector. CLEAR the DTCs. REPEAT the network test with the scan tool.