LEMON Manuals: Even more car manuals for everyone
Home >> Lincoln >> 2010 >> MKT Base, FWD >> Repair and Diagnosis >> External Pages >> Different car >> Section 1097 (Module Communications Network System) >> Diagnostic Tests >> Communications Network >> Pinpoint Tests >> Pinpoint Test N: The Digital Versatile Disc (DVD) Player Does Not Respond To The Scan Tool >> Pinpoint Test N: The Digital Versatile Disc (DVD) Player Does Not Respond To The Scan Tool

Pinpoint Test N: The Digital Versatile Disc (DVD) Player Does Not Respond To The Scan Tool

WARNING: This page is about a different car, the 2007 Lincoln MKX and 2007 Ford Edge. However, it is still accessible from the selected car via links, so may be relevant.
CAUTION: Use the correct probe adapter(s) when making measurements. Failure to use the correct probe adapter(s) may damage the connector.
  1. N1 CHECK THE DVD PLAYER VOLTAGE SUPPLY CIRCUIT SBP03 (BU/RD) FOR AN OPEN 
    • Key in OFF position.
    • Disconnect: DVD Player C949
    • Key in ON position.
    • Fig 1: Measuring Voltage Between DVD Player C949-16, Circuit SBP03 (BU/RD) & Ground
      GF0023547Courtesy of FORD MOTOR CO.
    • Measure the voltage between the DVD player C949-16, circuit SBP03 (BU/RD), harness side and ground.
    • Is the voltage greater than 10 volts? 
    1. YES  : Go to  N2.
    2. NO  : VERIFY the smart junction box (SJB) fuse 3 (15A) is OK. If OK, REPAIR the circuit. CLEAR the DTCs. REPEAT the network test with the scan tool.
  2. N2 CHECK THE DVD PLAYER GROUND CIRCUIT GD114 (BK/BU) FOR AN OPEN 
    • Key in OFF position.
    • Fig 2: Measuring Resistance Between DVD Player C949-1, Circuit GD114 (BK/BU) & Ground
      GF0023548Courtesy of FORD MOTOR CO.
    • Measure the resistance between the DVD player C949-1, circuit GD114 (BK/BU), harness side and ground.
    • Is the resistance less than 5 ohms? 
    1. YES  : Go to  N3.
    2. NO  : REPAIR the circuit. CLEAR the DTCs. REPEAT the network test with the scan tool.
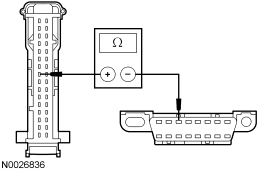
  3. N3 CHECK THE MS-CAN CIRCUITS BETWEEN THE DATA LINK CONNECTOR (DLC) AND THE DVD PLAYER FOR AN OPEN 
      Fig 3: Measuring Resistance Between DVD Player C949-8, Circuit VDB06 (GY/OG) & DLC C251-3
      GF0023551Courtesy of FORD MOTOR CO.
    • Measure the resistance between the DVD player C949-8, circuit VDB06 (GY/OG), harness side and the DLC C251-3, circuit VDB06 (GY/OG), harness side.
    • Fig 4: Measuring Resistance Between DVD Player C949-7, Circuit VDB07 (VT/OG) & DLC C251-11
      GF0023552Courtesy of FORD MOTOR CO.
    • Measure the resistance between the DVD player C949-7, circuit VDB07 (VT/OG), harness side and the DLC C251-11, circuit VDB07 (VT/OG), harness side.
    • Are the resistances less than 5 ohms? 
    1. YES  : Go to  N4.
    2. NO  : REPAIR the circuit in question. CLEAR the DTCs. REPEAT the network test with the scan tool.
  4. N4 CHECK FOR CORRECT DVD PLAYER OPERATION 
    • Disconnect the DVD player connector.
    • Check for:
      • corrosion
      • damaged pins
      • pushed-out pins
    • Connect the DVD player connector and make sure it seats correctly.
    • Operate the system and verify the concern is still present.
    • Is the concern still present? 
    1. YES  : INSTALL a new DVD player. REFER to INFORMATION AND ENTERTAINMENT SYSTEMS . TEST the system for normal operation.
    2. NO  : The system is operating correctly at this time. The concern may have been caused by a loose or corroded connector. CLEAR the DTCs. REPEAT the network test with the scan tool.