LEMON Manuals: Even more car manuals for everyone
Home >> Lincoln >> 2009 >> MKZ AWD >> Repair and Diagnosis >> External Pages >> Different car >> Section 1010 (Module Communications Network) >> Diagnostic Tests >> Communications Network >> Pinpoint Tests >> Pinpoint Test C: The ABS module Does Not Respond To The Scan Tool >> PINPOINT TEST C: THE ABS module DOES NOT RESPOND TO THE SCAN TOOL

PINPOINT TEST C: THE ABS module DOES NOT RESPOND TO THE SCAN TOOL

WARNING: This page is about a different car, the 2008 Mercury Milan, 2008 Lincoln MKZ, and 2008 Ford Fusion. However, it is still accessible from the selected car via links, so may be relevant.
NOTE: Use the correct probe adapter(s) when making measurements. Failure to use the correct probe adapter(s) may damage the connector.
  1. C1 CHECK THE ABS MODULE VOLTAGE SUPPLY CIRCUIT FOR AN OPEN 
    • Key in OFF position.
    • Disconnect: ABS Module C135
    • Key in ON position.
    • Fig 1: Checking Circuit CBP19 (BN/WH) For An Open
      GF0030549Courtesy of FORD MOTOR CO.
    • Measure the voltage between the ABS module C135-8, circuit CBP19 (BN/WH), harness side and ground.
    • Is the voltage greater than 10 volts? 
    1. YES  : Go to  C2.
    2. NO  : VERIFY the smart junction box (SJB) fuse 28 (10A) is OK. If OK, REPAIR the circuit. CLEAR the DTCs. REPEAT the network test with the scan tool.
  2. C2 CHECK THE ABS MODULE GROUND CIRCUIT FOR AN OPEN 
    • Key in OFF position.
    • Fig 2: Checking Circuit GD123 (BK/GY) For An Open
      GF0030550Courtesy of FORD MOTOR CO.
    • Measure the resistance between the ABS module C135-16, circuit GD123 (BK/GY), harness side and ground.
    • Is the resistance less than 5 ohms? 
    1. YES  : Go to  C3.
    2. NO  : REPAIR the circuit. CLEAR the DTCs. REPEAT the network test with the scan tool.
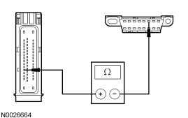
  3. C3 CHECK THE HS-CAN CIRCUITS BETWEEN THE DATA LINK CONNECTOR (DLC) AND THE ABS MODULE FOR AN OPEN 
      Fig 3: Checking High Speed CAN Circuits Between DLC And ABS Module For Open (1 Of 2)
      GF0030551Courtesy of FORD MOTOR CO.
    • Measure the resistance between the ABS module C135-12, circuit VDB04 (WH/BU), harness side and the DLC C251-6, circuit VDB04 (WH/BU), harness side.
    • Fig 4: Checking High Speed CAN Circuits Between DLC And ABS Module For Open (2 Of 2)
      GF0030552Courtesy of FORD MOTOR CO.
    • Measure the resistance between the ABS module C135-13, circuit VDB05 (WH), harness side and the DLC C251-14, circuit VDB05 (WH), harness side.
    • Are the resistances less than 5 ohms? 
    1. YES  : Go to  C4.
    2. NO  : REPAIR the circuit in question. CLEAR the DTCs. REPEAT the network test with the scan tool.
  4. C4 CHECK FOR CORRECT ABS MODULE OPERATION 
    • Disconnect the ABS module connector.
    • Check for:
      • corrosion
      • damaged pins
      • pushed-out pins
    • Connect the ABS module connector and make sure it seats correctly.
    • Operate the system and verify the concern is still present.
    • Is the concern still present? 
    1. YES  : INSTALL a new ABS module. REFER to VEHICLE DYNAMIC SYSTEMS article. CLEAR the DTCs. REPEAT the network test with the scan tool.
    2. NO  : The system is operating correctly at this time. The concern may have been caused by a loose or corroded connector. CLEAR the DTCs. REPEAT the network test with the scan tool.