LEMON Manuals: Even more car manuals for everyone
Home >> Lincoln >> 2009 >> MKX AWD >> Repair and Diagnosis >> External Pages >> Different car >> Section 1441 (Module Communications Network) >> Diagnosis And Testing >> Communications Network >> Pinpoint Tests >> Pinpoint Test L: The Audio Digital Signal Processing (DSP) Module Does Not Respond To The Scan Tool >> Pinpoint Test L: The Audio DSP Module Does Not Respond To The Scan Tool

Pinpoint Test L: The Audio DSP Module Does Not Respond To The Scan Tool

WARNING: This page is about a different car, the 2009 Ford Flex. However, it is still accessible from the selected car via links, so may be relevant.
NOTE: Use the correct probe adapter(s) when making measurements. Failure to use the correct probe adapter(s) may damage the connector.
NOTE: Failure to disconnect the battery when instructed will result in false resistance readings. Refer to BATTERY, MOUNTING AND CABLES .
  1. L1 CHECK THE AUDIO DSP MODULE VOLTAGE SUPPLY CIRCUITS FOR AN OPEN 
    • Ignition OFF.
    • Disconnect: Audio DSP  Module C4208c.
    • Ignition ON.
    • Measure the voltage between the audio DSP  module, harness side and ground as follows:
      AUDIO DSP MODULE CONNECTOR-PIN REFERENCE

      Connector-Pin Circuit
      C4208c-5 SBB07 (WH/RD)
      C4208c-6 SBB07 (WH/RD)
      C4208c-7 SBB07 (WH/RD)
      C4208c-8 SBB07 (WH/RD)
    • Are the voltages greater than 10 volts? 
    • Yes  : GO to L2.
    • No  : VERIFY the Battery Junction Box (BJB) fuse 7 (30A) is OK. If OK, REPAIR the circuit in question. If not OK, REFER to the appropriate System Wiring Diagram article to identify the possible causes of the circuit short. CLEAR the DTCs. REPEAT the network test with the scan tool.
  2. L2 CHECK THE AUDIO DSP MODULE GROUND CIRCUITS FOR AN OPEN 
    • Ignition OFF.
    • Disconnect: Negative Battery Cable.
    • Measure the resistance between the audio DSP  module, harness side and ground as follows:
      AUDIO DSP MODULE CONNECTOR-PIN REFERENCE

      Connector-Pin Circuit
      C4208c-13 GD148 (BK/YE)
      C4208c-14 GD148 (BK/YE)
      C4208c-15 GD148 (BK/YE)
      C4208c-16 GD148 (BK/YE)
    • Are the resistances less than 5 ohms? 
    • Yes  : GO to L3.
    • No  : REPAIR the circuit. CONNECT the negative battery cable. CLEAR the DTCs. REPEAT the network test with the scan tool.
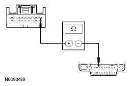
  3. L3 CHECK THE MS-CAN CIRCUITS BETWEEN THE AUDIO DSP MODULE AND THE DLC FOR AN OPEN 
    • Disconnect: Audio DSP  Module C4208a.
    • Measure the resistance between the audio DSP  module C4208a-1, circuit VDB06 (GY/OG), harness side and the Data Link Connector (DLC) C251-3, circuit VDB06 (GY/OG), harness side.
      Fig 1: Measuring Resistance Between Audio DSP Module C4208A-1 And Data Link Connector (DLC) C251-3
      G06065475Courtesy of FORD MOTOR CO.
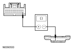
    • Measure the resistance between the audio DSP  module C4208a-11, circuit VDB07 (VT/OG), harness side and the DLC  C251-11, circuit VDB07 (VT/OG), harness side.
      Fig 2: Measuring Resistance Between Audio DSP Module C4208A-11 And DLC C251-11
      G06065476Courtesy of FORD MOTOR CO.
    • Are the resistances less than 5 ohms? 
    • Yes  : CONNECT the negative battery cable. GO to L4.
    • No  : REPAIR the circuit in question. CONNECT the negative battery cable. CLEAR the DTCs. REPEAT the network test with the scan tool.
  4. L4 CHECK FOR CORRECT AUDIO DSP MODULE OPERATION 
    • Disconnect all the audio DSP  module connectors.
    • Check for:
      • corrosion
      • damaged pins
      • pushed-out pins
    • Connect all the audio DSP  module connectors and make sure they seat correctly.
    • Operate the system and verify the concern is still present.
    • Is the concern still present? 
    • Yes  : INSTALL a new audio DSP  module. REFER to INFORMATION AND ENTERTAINMENT SYSTEMS . CLEAR the DTCs. REPEAT the network test with the scan tool.
    • No  : The system is operating correctly at this time. The concern may have been caused by a loose or corroded connector. CLEAR the DTCs. REPEAT the network test with the scan tool.