LEMON Manuals: Even more car manuals for everyone
Home >> Lincoln >> 2009 >> MKX AWD >> Repair and Diagnosis >> External Pages >> Different car >> Section 1441 (Module Communications Network) >> Diagnosis And Testing >> Communications Network >> Pinpoint Tests >> Pinpoint Test K: The Audio Control Module (ACM) Does Not Respond To The Scan Tool >> Pinpoint Test K: The ACM Does Not Respond To The Scan Tool

Pinpoint Test K: The ACM Does Not Respond To The Scan Tool

WARNING: This page is about a different car, the 2009 Ford Flex. However, it is still accessible from the selected car via links, so may be relevant.
NOTE: Use the correct probe adapter(s) when making measurements. Failure to use the correct probe adapter(s) may damage the connector.
NOTE: Failure to disconnect the battery when instructed will result in false resistance readings. Refer to BATTERY, MOUNTING AND CABLES .
  1. K1 CHECK THE ACM VOLTAGE SUPPLY CIRCUITS FOR AN OPEN 
    • Ignition OFF.
    • Disconnect: ACM  C240a.
    • Ignition ON.
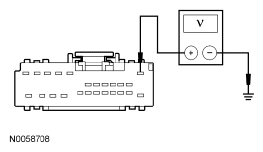
    • Measure the voltage between the ACM  C240a-1, circuit SBP39 (WH/RD), harness side and ground.
      Fig 1: Measuring Voltage Between ACM C240A-1 And Ground
      G06065471Courtesy of FORD MOTOR CO.
    • Is the voltage greater than 10 volts? 
    • Yes  : GO to K2.
    • No  : VERIFY the Smart Junction Box (SJB) fuse 39 (20A) is OK. If OK, REPAIR the circuit in question. If not OK, REFER to the appropriate System Wiring Diagrams article to identify the possible causes of the circuit short. CLEAR the DTCs. REPEAT the network test with the scan tool.
  2. K2 CHECK THE ACM GROUND CIRCUIT FOR AN OPEN 
    • Ignition OFF.
    • Disconnect: Negative Battery Cable.
    • Measure the resistance between the ACM  C240a-13, circuit GD114 (BK/BU), harness side and ground.
      Fig 2: Measuring Resistance Between ACM C240A-13 And Ground
      G06065472Courtesy of FORD MOTOR CO.
    • Is the resistance less than 5 ohms? 
    • Yes  : GO to K3.
    • No  : REPAIR the circuit. CONNECT the negative battery cable. CLEAR the DTCs. REPEAT the network test with the scan tool.
  3. K3 CHECK THE MS-CAN CIRCUITS BETWEEN THE ACM AND THE DLC FOR AN OPEN 
    • Disconnect: ACM  C240c.
    • Measure the resistance between the ACM  C240c-15, circuit VDB06 (GY/OG), harness side and the DLC  C251-3, circuit VDB06 (GY/OG), harness side.
      Fig 3: Measuring Resistance Between ACM C240C-15 And DLC C251-3
      G06065473Courtesy of FORD MOTOR CO.
    • Measure the resistance between the ACM  C240c-16, circuit VDB07 (VT/OG), harness side and the DLC  C251-11, circuit VDB07 (VT/OG), harness side.
      Fig 4: Measuring Resistance Between ACM C240C-16 And DLC C251-11
      G06065474Courtesy of FORD MOTOR CO.
    • Are the resistances less than 5 ohms? 
    • Yes  : CONNECT the negative battery cable. GO to K4.
    • No  : REPAIR the circuit in question. CONNECT the negative battery cable. CLEAR the DTCs. REPEAT the network test with the scan tool.
  4. K4 CHECK FOR CORRECT ACM OPERATION 
    • Disconnect all the ACM  connectors.
    • Check for:
      • corrosion
      • damaged pins
      • pushed-out pins
    • Connect all the ACM  connectors and make sure they seat correctly.
    • Operate the system and verify the concern is still present.
    • Is the concern still present? 
    • Yes  : INSTALL a new ACM  . REFER to INFORMATION AND ENTERTAINMENT SYSTEMS . CLEAR the DTCs. REPEAT the network test with the scan tool. TEST the system for normal operation.
    • No  : The system is operating correctly at this time. The concern may have been caused by a loose or corroded connector. CLEAR the DTCs. REPEAT the network test with the scan tool.