LEMON Manuals: Even more car manuals for everyone
Home >> Lincoln >> 2007 >> MKX AWD >> Repair and Diagnosis >> External Pages >> Different car >> Section 908 (Module Communications Network System) >> Diagnostic Tests >> Communications Network >> Pinpoint Tests >> Pinpoint Test B: The Anti-Lock Brake System (ABS) Module Does Not Respond To The Scan Tool >> Pinpoint Test B: The Anti-Lock Brake System (Abs) Module Does Not Respond To The Scan Tool

Pinpoint Test B: The Anti-Lock Brake System (Abs) Module Does Not Respond To The Scan Tool

WARNING: This page is about a different car, the 2007 Ford Ranger. However, it is still accessible from the selected car via links, so may be relevant.
CAUTION: Use the correct probe adaptor(s) when making measurements. Failure to use the correct probe adaptor(s) may damage the connector.
  1. B1 CHECK THE ABS MODULE VOLTAGE SUPPLY 
    • Key in OFF position.
    • Disconnect: ABS Module C135
    • Key in ON position.
    • Measure the voltage between the ABS module, harness side and ground as follows:
      ABS Module Connector-Pin Circuit
      C135-11 SBB15 (WH/RD)
      C135-20 CBP20 (YE/VT)
      C135-28 SBB17 (RD)
    • Are the voltages greater than 10 volts? 
    1. YES  : Go to  B2.
    2. NO  : VERIFY battery junction box (BJB) fuses 17 (40A) and 33 (30A) and smart junction box (SJB) fuse 20 (10A) are OK. If OK, REPAIR the circuit in question. CLEAR the DTCs. REPEAT the network test with the scan tool.
  2. B2 CHECK THE ABS MODULE GROUND CIRCUITS 
    • Key in OFF position.
    • Measure the resistance between the ABS module, harness side and ground as follows:
      ABS Module Connector-Pin Circuit
      C135-1 GD122 (BK)
      C135-18 GD122 (BK)
    • Are the resistances less than 5 ohms? 
    1. YES  : Go to  B3.
    2. NO  : REPAIR the circuit. CLEAR the DTCs. REPEAT the network test with the scan tool.
  3. B3 CHECK CIRCUIT VDB10 (GY) FOR A SHORT TO GROUND 
    • Measure the resistance between the DLC C251-7, circuit VDB10 (GY), harness side and ground.
      Fig 1: Measuring Resistance Between DLC C251-7, VDB10 (GY), Harness Side & Ground
      GF0011142Courtesy of FORD MOTOR CO.
    • Is the resistance greater than 10,000 ohms? 
    1. YES  : Go to  B4.
    2. NO  : REPAIR the circuit. CLEAR the DTCs. REPEAT the network test with the scan tool.
  4. B4 CHECK CIRCUIT VDB10 (GY) FOR A SHORT TO VOLTAGE 
    • Key in ON position.
    • Measure the voltage between the DLC C251-7, circuit VDB10 (GY), harness side and ground.
    • Is any voltage indicated? 
    1. YES  : REPAIR the circuit. CLEAR the DTCs. REPEAT the network test with the scan tool.
    2. NO  : Go to  B5.
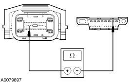
  5. B5 CHECK CIRCUIT VDB10 (GY) BETWEEN THE ABS MODULE AND THE DATA LINK CONNECTOR (DLC) FOR AN OPEN 
    • Measure the resistance between the ABS module C135-16, circuit VDB10 (GY), harness side and the DLC C251-7, circuit VDB10 (GY), harness side.
      Fig 2: Measuring Resistance Between ABS Module C135-16, VDB10 (GY) & DLC C251-7, VDB10 (GY)
      GF0011143Courtesy of FORD MOTOR CO.
    • Is the resistance less than 5 ohms? 
    1. YES  : Go to  B6.
    2. NO  : REPAIR the circuit. CLEAR the DTCs. REPEAT the network test with the scan tool.
  6. B6 CHECK FOR CORRECT ABS MODULE OPERATION 
    • Disconnect the ABS module connector.
    • Check for:
      • corrosion
      • damaged pins
      • pushed-out pins
    • Connect the ABS module connector and make sure it seats correctly.
    • Operate the system and verify the concern is still present.
    • Is the concern still present? 
    1. YES  : INSTALL a new ABS module. REFER to VEHICLE DYNAMIC SYSTEMS article. CLEAR the DTCs. REPEAT the network test with the scan tool.
    2. NO  : The system is operating correctly at this time. The concern may have been caused by a loose or corroded connector. CLEAR the DTCs. REPEAT the network test with the scan tool.