LEMON Manuals: Even more car manuals for everyone
Home >> Lincoln >> 2004 >> Navigator 4WD >> Repair and Diagnosis >> External Pages >> Different car >> Section 399 (Module Communications Network System) >> Diagnosis And Testing >> Communications Network >> Pinpoint Test A: The Smart Junction Box (SJB) Does Not Respond To The Diagnostic Tool >> Pinpoint Test A: The Smart Junction Box (SJB) Does Not Respond To The Diagnostic Tool

Pinpoint Test A: The Smart Junction Box (SJB) Does Not Respond To The Diagnostic Tool

WARNING: This page is about a different car, the 2004 Mercury Monterey and 2004 Ford Freestar. However, it is still accessible from the selected car via links, so may be relevant.
  1. A1 CHECK THE SJB CONNECTORS FOR DAMAGE 
    • Key in OFF position.
    • Disconnect: SJB Connectors C2280a, C2280b and C2280h.
    • Inspect the SJB connectors for damage.
    • Are the SJB connectors OK? 

    Yes 

    GO to A2

    No 

    REPAIR the SJB connector in question. CLEAR the DTCs. REPEAT the self-test. CARRY OUT the data link diagnostics test.

  2. A2 CHECK THE SJB C2280a GROUND CIRCUITS 
    • Measure the resistance between the SJB C2280a-1, circuit 1205 (BK), harness side and ground.
      Fig 1: Measuring Resistance Between SJB C2280a-1, Circuit 1205 (BK), Harness Side And Ground
      G03246103Courtesy of FORD MOTOR CO.
    • Is the resistance less than 5 ohms?

    Yes 

    GO to A3

    No 

    REPAIR the circuit. CLEAR the DTCs. REPEAT the self-test. CARRY OUT the data link diagnostics test.

  3. A3 CHECK THE SJB C2280h GROUND CIRCUITS 
    • Measure the resistance between the SJB C2280h-8, circuit 1205 (BK), harness side and ground; and between the SJB C2280h-22, circuit 1205 (BK), harness side and ground.
      Fig 2: Checking The SJB C2280H Ground Circuits
      G03246104Courtesy of FORD MOTOR CO.
    • Are the resistances less than 5 ohms? 

    Yes 

    GO to A4

    No 

    REPAIR the circuit in question. CLEAR the DTCs. REPEAT the self-test. CARRY OUT the data link diagnostics test.

  4. A4 CHECK SCP NETWORK CIRCUITS BETWEEN THE DLC AND THE SJB FOR AN OPEN 
    • Measure the resistance between the SJB C2280b-50, circuit 914 (TN/OG), harness side and the DLC C251-2, circuit 914 (TN/OG), harness side.
      Fig 3: Measuring Resistance Between SJB C2280B-50, Circuit 914 (TN/OG), Harness Side And The DLC C251-2, Circuit 914 (TN/OG), Harness Side
      G03246105Courtesy of FORD MOTOR CO.
    • Measure the resistance between the SJB C2280b-51, circuit 915 (PK/LB), harness side and the DLC C251-10, circuit 915 (PK/LB), harness side.
      Fig 4: Measuring Resistance Between The SJB C2280B-51, Circuit 915 (PK/LB), Harness Side And The DLC C251-10, Circuit 915 (PK/LB), Harness Side
      G03246106Courtesy of FORD MOTOR CO.
    • Are the resistances less than 5 ohms? 

    Yes 

    GO to A5

    No 

    REPAIR the circuit in question. CLEAR the DTCs. REPEAT the self-test. CARRY OUT the data link diagnostics test.

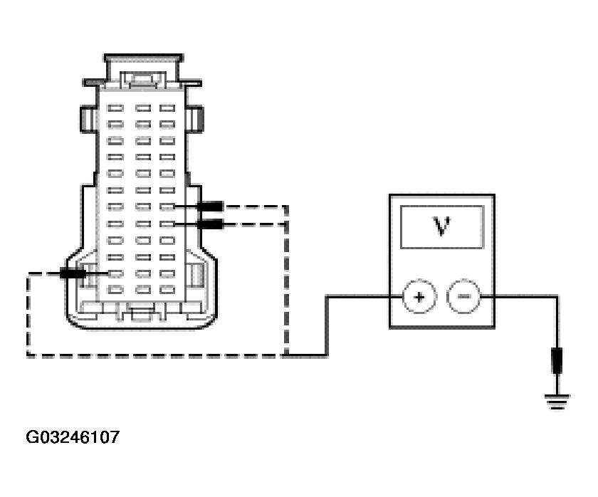
  5. A5 CHECK THE VOLTAGE TO THE SJB 
    • Key in ON position.
    • Measure the voltage between the SJB C2280h-11, circuit 1523 (DG), harness side and ground; and between the SJB C2280h-31, circuit 1524 (DB), harness side and ground; and between the SJB C2280h-32, circuit 1052 (TN/BK), harness side and ground.
      Fig 5: Checking The Voltage To The SJB
      G03246107Courtesy of FORD MOTOR CO.
    • Are the voltages greater than 10 volts? 

    Yes 

    GO to A6

    No 

    REPAIR the circuit in question. CLEAR the DTCs. REPEAT the self-test. CARRY OUT the data link diagnostics test.

  6. A6 CHECK FOR CORRECT SJB OPERATION 
    • Disconnect all the SJB connectors.
    • Check for:
      • Corrosion
      • push-out pins
    • Connect all the SJB connectors and make sure they seat correctly.
    • Operate the system and verify the concern is still present.
    • Is the concern still present? 

    Yes 

    INSTALL a new SJB. Refer to SMART JUNCTION BOX (SJB) . CLEAR the DTCs. REPEAT the self-test. CARRY OUT the data link diagnostics test.

    No 

    The system is operating correctly at this time. Concern may have been caused by a loose or corroded connector. CLEAR the DTCs. REPEAT the self-test. CARRY OUT the data link diagnostics test.