LEMON Manuals: Even more car manuals for everyone
Home >> Lincoln >> 2000 >> Navigator 4WD >> Repair and Diagnosis >> Body & Frame >> Windows >> Power Window System >> System Tests >> Test D: One-Touch Down Feature Inoperative

Test D: One-Touch Down Feature Inoperative

NOTE: After repair, clear Diagnostic Trouble Codes (DTCs) and retest system.
  1. Using New Generation Star (NGS) tester, perform Generic Electronic Module (GEM) self-test. If no DTCs, DTC B1398 or DTC B1400 exists, go to next step. If DTCs B1405 or B1410 exists, go to TEST C: SINGLE WINDOW INOPERATIVE (ALL OTHER WINDOWS OPERATE)  . If DTC B1342 exists, replace GEM. See GENERIC ELECTRONIC MODULE (GEM)  under REMOVAL & INSTALLATION.
  2. Turn ignition switch to RUN position. Using NGS tester, trigger GEM active command ACCY RLY to ON. Observe GEM PID D_PWRLY while triggering GEM active command ONE TOUCH to ON and OFF. If PID value agrees with command mode, go to TEST C: SINGLE WINDOW INOPERATIVE (ALL OTHER WINDOWS OPERATE)  . If PID does not agree with command mode and displays OFFO-G, go to next step. If PID does not agree with command mode and displays ON-B-, go to step  6 .
  3. Turn ignition switch to LOCK position. Remove one-touch down relay. Check one-touch down relay from Central Junction Box (CJB). CJB is located behind left side of instrument panel. See MINI RELAYS  under COMPONENT TESTS. If one-touch down relay is okay, go to next step. If one-touch down relay is faulty, replace one-touch down relay.
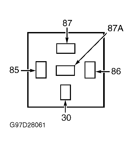
  4. Remove accessory delay relay from Central Junction Box (CJB). CJB is located behind left side of instrument panel. Measure resistance between accessory delay relay socket terminal No. 87 and one-touch down relay socket terminal No. 85. See Figure . If resistance is less than 5 ohms, go to next step. If resistance is 5 ohms or more, replace CJB.
  5. Disconnect GEM from CJB 18-pin harness connector C267. Measure resistance between one-touch down relay socket terminal No. 86 and CJB connector C267 terminal No. 2. See Figure and Figure . Resistance should be less than 5 ohms. Measure resistance between ground and CJB connector C267 terminal No. 2. Resistance should be 10 k/ohms or more. If resistances are as specified, replace GEM. See GENERIC ELECTRONIC MODULE (GEM)  under REMOVAL & INSTALLATION. If either resistance is not as specified, replace CJB.
  6. Turn ignition switch to LOCK position. Remove one-touch down relay from Central Junction Box (CJB). CJB is located behind left side of instrument panel. Check one-touch down relay. See MINI RELAYS  under COMPONENT TESTS. If one-touch down relay is okay, go to next step. If one-touch down relay is faulty, replace one-touch down relay.
  7. Disconnect GEM 18-pin harness connector C267. Turn ignition switch to RUN position. Measure voltage between ground and one-touch down relay socket terminal No. 86. See Figure . If voltage exists, replace CJB. If voltage does not exist, replace GEM. See GENERIC ELECTRONIC MODULE (GEM)  under REMOVAL & INSTALLATION.