LEMON Manuals: Even more car manuals for everyone
Home >> Lincoln >> 1997 >> Mark VIII Base >> Repair and Diagnosis >> Engine Performance >> System >> Engine Controls - Tests W/Codes >> Circuit Tests >> Circuit Test XB - Variable Load Control Module (VLCM) >> Diagnostic Aids

Diagnostic Aids

Perform this test only when instructed to. VLCM is located on left side of vehicle, behind front grille. This test is only intended to diagnose the following:

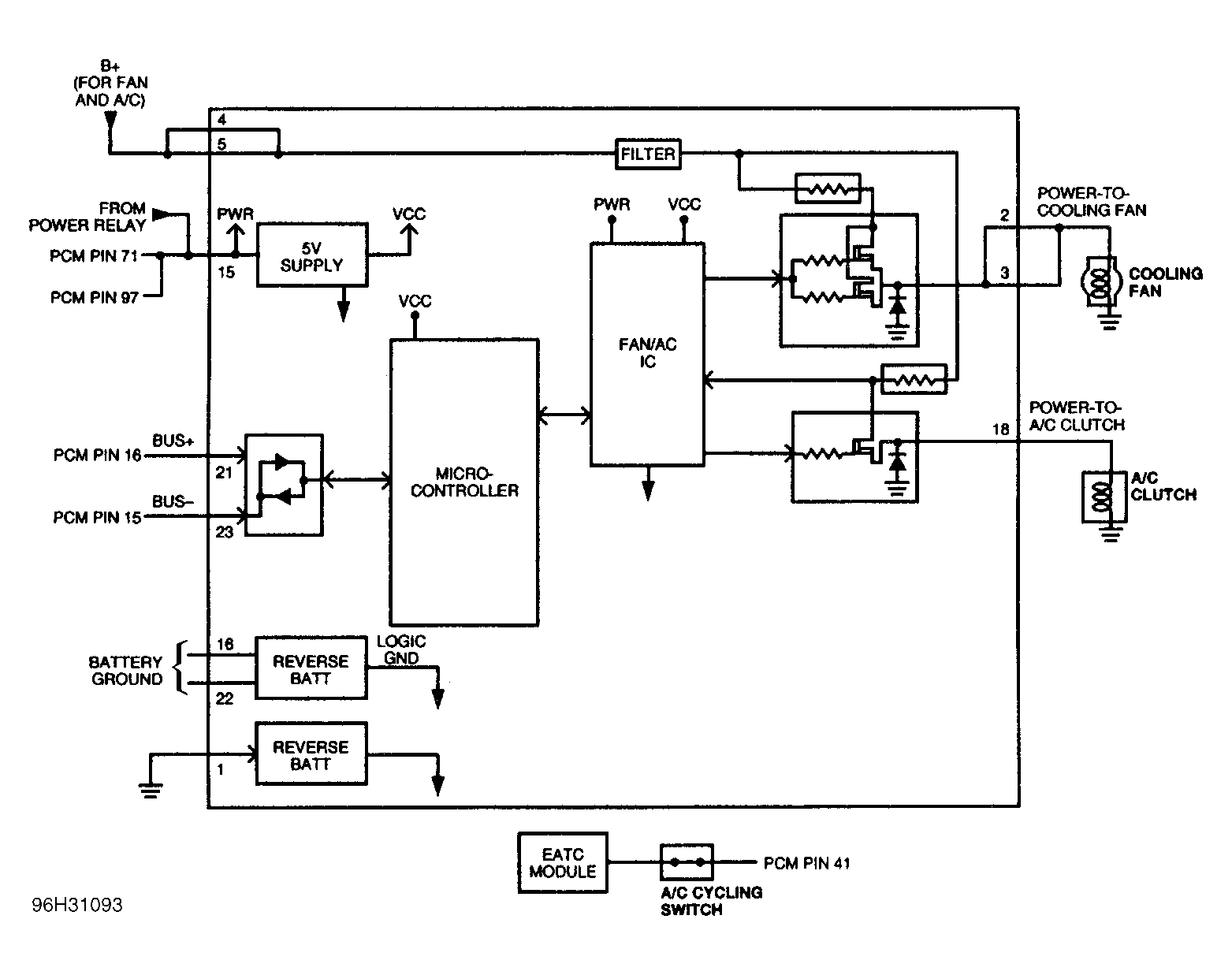
NOTE: For VLCM circuit identification, see Mark VIII wiring diagram in WIRING DIAGRAMS. For VLCM connector terminal identification, See Fig 1.
Fig 1: Identifying VLCM Connector Terminals
G96D01124
Fig 2: VLCM Schematic & Test Circuits
G96H31093
  1. 1) DTC P1484: Attempt To Regenerate Code  DTC P1484 indicates an open VLCM PWR GND circuit (terminal No. 1). Possible causes are an open VLCM PWR GND circuit or faulty VLCM. Clear DTCs. Start engine, turn A/C on and wait 15 seconds. Turn A/C and ignition off. Check for continuous memory DTCs. If Continuous Memory DTC P1484 is present (hard code), go to next step. If Continuous Memory DTC P1484 is not present (intermittent), go to step 4).
  2. 2) Check VLCM PWR GND Circuit  Turn ignition off. Disconnect and inspect VLCM connector. Clean or repair connector as necessary. Measure resistance between negative battery terminal and terminal No. 1 (Black wire) at VLCM wiring harness connector. If resistance is less than 5 ohms, replace VLCM. Reconnect all components. Clear continuous memory. Start engine. Turn A/C on and wait 15 seconds. Turn A/C and ignition off. Repeat QUICK TEST. If resistance is 5 ohms or more, locate and repair open in VLCM PWR GND circuit. Reconnect all components. Clear continuous memory. Start engine. Turn A/C on and wait 15 seconds. Turn A/C and ignition off. Repeat QUICK TEST.
    NOTE: A break in step numbering sequence occurs at this point. Procedure skips from step 2) to step 4). No test procedures have been omitted.
  3. 4) Check VLCM PWR GND For Intermittents  Turn ignition off. Visually check VLCM PWR GND circuit between VLCM terminal No. 1 and ground junction. Ground junction is located on left side of radiator support, near battery ground. Disconnect and inspect VLCM connector. Clear or repair connector as necessary. Connect a non-powered test light between VLCM terminals No. 1 (Black wire) and No. 15 (Red wire). Test light should be on. Observe test light for indication of fault (test light will turn off to indicate fault) while performing the following:
    • Shake and bend VLCM PWR GND circuit (Black wire) between VLCM and ground junction.

    If fault is indicated, isolate and repair open in PWR GND circuit. Reconnect all components. Start engine. Turn A/C on and wait 15 seconds. Turn A/C and ignition off. Repeat QUICK TEST. If fault is not indicated, problem is intermittent and cannot be duplicated at this time.

    NOTE: A break in step numbering sequence occurs at this point. Procedure skips from step 4) to step 10). No test procedures have been omitted.
  4. 10) DTC P1483: Attempt To Regenerate Code  DTC P1483 indicates that when cooling fan was activated, the Power-To-Cooling Fan circuit exceeded normal current draw. This could be due to a hard fault or an intermittent condition. Possible causes for this fault are:
    • Short to ground in Power-To-Cooling Fan circuit.
    • Faulty cooling fan motor.
    • Faulty VLCM.

    Clear DTCs. Start engine. Turn A/C on and wait 15 seconds. Turn A/C and ignition off. Check for continuous memory DTCs. If Continuous Memory DTC P1483 is present, go to next step. If Continuous Memory DTC P1483 is not present (intermittent), go to step 14).

  5. 11) Check Cooling Fan Motor  Clear continuous memory. Disconnect cooling fan motor connector. Start engine. Turn A/C on and wait 15 seconds (but no longer than 20 seconds). Turn A/C and ignition off. Check for continuous memory DTCs. If Continuous Memory DTC P1483 is present, go to next step. Ignore any other DTCs at this time. If Continuous Memory DTC P1483 is not present, replace cooling fan motor. Reconnect all connectors. Repeat QUICK TEST.
  6. 12) Check For Short To Ground In Power-To-Cooling Fan Circuit  Turn ignition off. Ensure cooling fan motor connector is disconnected. Disconnect and inspect VLCM connector. Clean or repair connector if necessary. Measure resistance between POWER-TO-COOLING FAN circuit at cooling fan connector and negative battery terminal. If resistance is more than 10,000 ohms, replace VLCM. Reconnect all components. Clear continuous memory. Start engine. Turn A/C on and wait 15 seconds. Turn A/C and ignition off. Repeat QUICK TEST. If resistance is 10,000 ohms or less, locate and repair short to ground in Light Blue wire. Clear continuous memory. Start engine. Turn A/C on and wait 15 seconds. Turn A/C and ignition off. Repeat QUICK TEST.
    NOTE: A break in step numbering sequence occurs at this point. Procedure skips from step 12) to step 14). No test procedures have been omitted.
  7. 14) Check For Intermittent Short To Ground In Cooling Fan Circuit  Turn ignition off. Disconnect cooling fan motor connector. Disconnect and inspect VLCM connector. Clean or repair connector if necessary. Visually inspect Power-To-Cooling Fan circuit between terminal No. 2 (Light Blue wire) of VLCM connector and cooling fan motor connector. Repair wiring as necessary. Connect a non-powered test light between VLCM terminals No. 2 (Light Blue wire) and No. 4 (Yellow wire). Test light should be on, but not at full brightness. Observe test light for indication of fault (test light will get brighter to indicate fault) while performing the following:
    • Shake, wiggle and bend Power-To-Cooling Fan circuit (Light Blue wire) near cooling fan motor.

    Disconnect cooling fan motor connector. Test light should now be off. Again, observe test light for indication of fault (test light will turn on to indicate fault) while performing the following:

    • Shake, wiggle and bend Power-To-Cooling Fan circuit (Light Blue wire) between VLCM and cooling fan motor connector.

    If a fault is indicated, isolate fault and repair as necessary. Reconnect all components. Start engine. Turn A/C on and wait 15 seconds. Turn A/C and ignition off. Repeat QUICK TEST. If no fault is indicated, problem is intermittent and cannot be duplicated at this time.

    NOTE: A break in step numbering sequence occurs at this point. Procedure skips from step 14) to step 20). No test procedures have been omitted.
  8. 20) DTC P1483: Verify Cooling Fan Is Not Always On  Key On Engine Off (KOEO) DTC P1483 indicates an open or short to power in Power-To-Cooling Fan circuit. Possible causes for this fault are:
    • Open or short to power in Power-To-Cooling Fan circuit.
    • Open cooling fan motor ground circuit.
    • Open circuit in cooling fan.
    • Faulty VLCM.
    NOTE: Ensure cooling fan was not turning during KOEO self-test. If fan was turning, feedback voltage could be sent to VLCM through Power-To-Cooling Fan circuit, resulting in an invalid KOEO DTC P1473.

    Ensure engine is cooled off (cooling fan off). Turn A/C and defroster off. Turn ignition on. If cooling fan is on, go to step 25). If cooling fan is off, go to next step.

  9. 21) Check Cooling Fan Ground Circuit  Turn ignition off. Disconnect cooling fan motor connector. Measure resistance between chassis ground and cooling fan ground circuit at cooling fan wiring harness connector. If resistance is less than 5 ohms, go to next step. If resistance is 5 ohms or more, locate and repair open in cooling fan ground circuit. Reconnect all components and repeat QUICK TEST.
  10. 22) Check Power-To-Cooling Fan Circuit  Turn ignition off. Disconnect and inspect VLCM connector. Clean or repair connector as necessary. Measure resistance between Power-To-Cooling Fan circuit at cooling fan connector and terminals No. 2 and 3 at VLCM wiring harness connector. If both readings are less than 5 ohms, go to next step. If either reading is 5 ohms or more, locate and repair open in Power-To-Cooling Fan circuit between VLCM and cooling fan connector. Reconnect all components and repeat QUICK TEST.
  11. 23) Check Continuity Of Cooling Fan Circuit  Turn ignition off. Ensure cooling fan is disconnected. Measure resistance between ground circuit and Power-To-Cooling Fan circuit at cooling fan motor connector. If resistance is less than 10 ohms, replace VLCM. Reconnect all components and repeat QUICK TEST. If resistance is 10 ohms or more, replace cooling fan motor. Reconnect all components and repeat QUICK TEST.
    NOTE: A break in step numbering sequence occurs at this point. Procedure skips from step 23) to step 25). No test procedures have been omitted.
  12. 25) Check For Short To Power  Turn ignition off. Disconnect cooling fan motor connector. Disconnect and inspect VLCM connector. Clean or repair connector as necessary. Turn ignition on. Measure voltage between ground and Power-To-Cooling Fan circuit at cooling fan motor wiring harness connector. If voltage is less than one volt, replace VLCM. Reconnect all components and repeat QUICK TEST. If voltage is one volt or more, locate and repair short to power in Power-To-Cooling Fan circuit. Reconnect all components and repeat QUICK TEST.
    NOTE: A break in step numbering sequence occurs at this point. Procedure skips from step 25) to step 40). No test procedures have been omitted.
  13. 40) DTC P1539: Attempt To Regenerate Code  DTC P1539 indicates that when A/C was activated, the Power-To-Cooling Fan circuit exceeded normal current draw. This could be due to a hard fault or an intermittent condition. Possible causes for this fault are:
    • Short to ground in Power-To-Cooling Fan circuit.
    • Faulty A/C clutch.
    • Faulty VLCM.

    Clear DTCs. Start engine. Turn A/C on and wait 15 seconds. Turn A/C and ignition off. Check for continuous memory DTCs. If Continuous Memory DTC P1539 is present, go to next step. If Continuous Memory DTC P1539 is not present (intermittent), go to step 44).

  14. 41) Check A/C Clutch  Clear continuous memory. Disconnect A/C clutch connector. Start engine. Turn A/C on and wait about 15 seconds. Turn A/C and ignition off. Check for continuous memory DTCs. If Continuous Memory DTC P1539 is present, go to next step. Ignore any other DTCs at this time. If Continuous Memory DTC P1539 is not present, repair or replace A/C clutch. Reconnect all connectors. Repeat QUICK TEST.
  15. 42) Check For Short To Ground In Power-To-A/C Clutch Circuit  Turn ignition off. Ensure A/C clutch connector is disconnected. Disconnect and inspect VLCM connector. Clean or repair connector as necessary. Measure resistance between POWER-TO-A/C CLUTCH circuit at A/C clutch connector and negative battery terminal. If resistance is more than 10,000 ohms, replace VLCM. Reconnect all components. Clear continuous memory. Start engine. Turn A/C on and wait 15 seconds. Turn A/C and ignition off. Repeat QUICK TEST. If resistance is 10,000 ohms or less, locate and repair short to ground in POWER-TO-A/C CLUTCH circuit. Clear PCM memory. Start engine. Turn A/C on and wait 15 seconds. Turn A/C and ignition off. Repeat QUICK TEST.
    NOTE: A break in step numbering sequence occurs at this point. Procedure skips from step 42) to step 44). No test procedures have been omitted.
  16. 44) Check For Intermittent Short To Ground In POWER-TO-A/C CLUTCH Circuit  Turn ignition off. Disconnect A/C clutch connector. Disconnect and inspect VLCM connector. Clean or repair connector if necessary. Visually inspect POWER-TO-A/C CLUTCH circuit between VLCM connector and A/C clutch connector. Repair wiring as necessary. Connect a non-powered test light between VLCM terminals No. 4 and 18. Test light will turn on if fault is located, indicated short to ground. Observe test light for indication of fault while performing the following:
    • Shake, wiggle and bend POWER-TO-A/C CLUTCH circuit between VLCM and A/C clutch.

    If a fault is indicated, isolate fault and repair as necessary. Reconnect all components. Start engine. Turn A/C on and wait 15 seconds. Turn A/C and ignition off. Repeat QUICK TEST. If no fault is indicated, problem is intermittent and cannot be duplicated at this time. Go to CIRCUIT TEST Z .

    NOTE: A break in step numbering sequence occurs at this point. Procedure skips from step 44) to step 50). No test procedures have been omitted.
  17. 50) DTC P1530: Attempt To Regenerate Code  DTC P1530 indicates an open or short to power in POWER-TO-A/C CLUTCH circuit. Possible causes for this fault are:
    • Open or short to power in POWER-TO-A/C CLUTCH circuit.
    • Open A/C clutch ground circuit.
    • Open circuit in A/C clutch.
    • Faulty VLCM.

    Clear DTCs. Start engine. Turn A/C on and wait 15 seconds. Turn A/C and ignition off. Check for continuous memory DTCs. If Continuous Memory DTC P1530 is present, go to next step. If Continuous Memory DTC P1530 is not present (intermittent), go to step 55).

  18. 51) Check For Short To Power  Turn ignition off. Disconnect A/C clutch connector. Disconnect and inspect VLCM connector. Clean or repair connector as necessary. Turn ignition on. Measure voltage between chassis ground and POWER-TO-A/C CLUTCH circuit at A/C clutch wiring harness connector. If voltage is less than one volt, go to next step. If voltage is one volt or more, locate and repair short to power in POWER-TO-A/C CLUTCH circuit. Reconnect all components. Clear PCM memory. Turn A/C off. Start engine and wait 15 seconds. Turn ignition off. Repeat QUICK TEST.
  19. 52) Check Ground Circuit Continuity  Turn ignition off. Leave A/C clutch and VLCM connector disconnected. Measure resistance between POWER-TO-A/C CLUTCH circuit at A/C clutch connector and terminal No. 18 at VLCM wiring harness connector. Measure resistance between chassis ground and A/C clutch ground circuit at A/C clutch wiring harness connector. If both readings are less than 5 ohms, go to next step. If resistance is 5 ohms or more, locate and repair open circuit. Clear PCM memory. Turn A/C off. Start engine and wait 15 seconds. Turn ignition off. Reconnect all components and repeat QUICK TEST.
  20. 53) Check Resistance Of A/C Clutch Circuit  Turn ignition off. Ensure A/C clutch is disconnected. Measure resistance between circuit terminals at A/C clutch connector. If resistance is less than 10 ohms, replace VLCM. Reconnect all components and repeat QUICK TEST. If resistance is 10 ohms or more, replace A/C clutch motor. Clear PCM memory. Turn A/C off. Start engine and wait 15 seconds. Turn ignition off. Reconnect all components and repeat QUICK TEST.
    NOTE: A break in step numbering sequence occurs at this point. Procedure skips from step 53) to step 55). No test procedures have been omitted.
  21. 55) Check For Intermittent Short To B+ In POWER-TO-A/C CLUTCH Circuit  Turn ignition off. Visually inspect POWER-TO-A/C CLUTCH circuit between VLCM connector and A/C clutch connector. Repair wiring as necessary. Turn ignition on. A/C clutch will engage if short to power is located. Observe A/C clutch for indication of fault while performing the following:
    • Shake, wiggle and bend POWER-TO-A/C CLUTCH circuit between VLCM and A/C clutch.

    If a fault is indicated, isolate fault and repair as necessary. Repeat QUICK TEST. If no fault is indicated, go to next step.

  22. 56) Check For Intermittent Open Circuit  Turn ignition off. Disconnect A/C clutch connector. Disconnect and inspect VLCM connector. Clean or repair connector if necessary. Connect a non-powered test light between A/C clutch connector terminals. Connect jumper wire between battery positive terminal and terminal No. 18 of VLCM. Ensure jumper wire does not contact any other VLCM terminals. Test light should be on. Observe test light for indication of fault (test light will turn off) while performing the following:
    • Shake, wiggle and bend Power-To-A/C CLUTCH circuit and ground circuit.

    If a fault is indicated, isolate fault and repair as necessary. Reconnect all components and repeat QUICK TEST. If no fault is indicated, problem is due to an intermittent condition and cannot be duplicated at this time. Go to CIRCUIT TEST Z .

    NOTE: A break in step numbering sequence occurs at this point. Procedure skips from step 56) to step 60). No test procedures have been omitted.
  23. 60) KOEO/KOER DTC P1625 &/Or DTC P1626  DTC P1625 indicates that B + to VLCM fan circuit is not detected. DTC P1626 indicates that B + to VLCM A/C circuit is not detected. Testing for both DTCs is the same. Possible causes for this fault are:
    • Open B + circuit to VLCM terminals No. 4 and 5.
    • Faulty VLCM.

    Turn ignition off. Disconnect and inspect VLCM connector. Clean or repair connector as necessary. Measure voltage between negative battery terminal and terminals No. 4 and No. 5 at VLCM wiring harness connector. If both readings are more than 10.5 volts, replace VLCM. Reconnect all components and repeat QUICK TEST. If either reading is 10.5 volts or less, check A/C clutch related fuses. If fuses are okay, locate and repair open in B + circuit. If fuses are blown, locate and repair short to ground in B + circuit. Reconnect all components and repeat QUICK TEST.

    NOTE: A break in step numbering sequence occurs at this point. Procedure skips from step 60) to step 65). No test procedures have been omitted.
  24. 65) Continuous Memory DTC P1625 &/Or DTC P1626  Continuous Memory DTC P1625 indicates that an open B (+) supply to VLCM fan circuit has been detected. Continuous Memory DTC P1626 indicates that an open B + supply to VLCM A/C circuit has been detected. Testing for both DTCs is the same. Possible cause for this fault is:
    • Intermittent open B + circuit to VLCM terminals No. 4 and 5.

    Turn ignition off. Disconnect and inspect VLCM connector. Clean or repair connector as necessary. Connect a non-powered test light between ground and terminal No. 5 at VLCM wiring harness connector. Test light should be on. Observe test light for indication of fault (test light will turn off to indicate fault) while performing the following:

    • Shake, wiggle and bend B + circuit (Yellow wire) to VLCM terminals No. 4 and 5.
    • Lightly tap on cooling fan related fuses. Remove cooling fan related fuses and check for corrosion and damaged pins. Reinstall fuses. If a fault is indicated, isolate fault and repair as necessary. Reconnect all components and repeat QUICK TEST. If no fault is indicated, problem is intermittent and cannot be duplicated at this time.
      NOTE: A break in step numbering sequence occurs at this point. Procedure skips from step 65) to step 75). No test procedures have been omitted.

  25. 75) DTC 1464: Check ACCS PID  Turn ignition off. Ensure A/C and defroster are off. Connect scan tester to DLC. Turn ignition on. Using scan tester, access ACCS PID. If ACCS is on, go to next step. If ACCS is off, indication is A/C and defrost switch were on during self-test. Turn A/C, defrost switch and all accessories off. Repeat QUICK TEST.
  26. 76) ACCS PID On  Turn ignition off. Disconnect A/C cycling switch. Turn ignition on. Using scan tester, access ACCS PID. If ACCS PID does not go off, go to next step. If ACCS PID goes off, check EATC module. If module is okay, check A/C switch and repair or replace as necessary. If A/C switch is okay, repair short to power in A/C demand circuit to A/C cycling switch.
  27. 77) Check ACCS Circuit For Short To Power  Turn ignition off. Leave A/C cycling switch disconnected. Disconnect PCM wiring harness connector. Inspect wiring, and repair if damaged. Install EEC-V Breakout Box (014-00950), leaving PCM disconnected. Turn ignition on. Measure voltage at breakout box test pin No. 41 (ACCS) and test pins No. 51 and 103 (PWR GND). If voltage is less than one volt, replace PCM and repeat QUICK TEST. If voltage is one volt or more, repair ACCS circuit short to power and re-evaluate symptom.
    NOTE: A break in step numbering sequence occurs at this point. Procedure skips from step 77) to step 80). No test procedures have been omitted.
  28. 80) DTC U1021 Or U1073  Repeat QUICK TEST. If any other DTCs are present, service before continuing. If no other DTCs are present, go to next step.
  29. 81)  If DTC U1021 Or U1073 is present in KOEO or KOER self test, go to next step. If DTC U1021 Or U1073 is present in Continuous Memory, go to step 87).
  30. 82) Check BUS+ & BUS- Circuit Resistance  Turn ignition off. Disconnect scan tester from DLC (if applicable). Disconnect and inspect VLCM connector. Clean or repair connector as necessary. Disconnect PCM 104-pin connector. Inspect pins for damage and repair if necessary. Install EEC-V Breakout Box (014-00950), leaving PCM disconnected. Measure resistance between test pin No. 15 at breakout box and terminal No. 23 (BUS-) at VLCM wiring harness connector. Measure resistance between test pin No. 16 at breakout box and terminal No. 21 (BUS+) at VLCM wiring harness connector. If both resistance measurements are less than 5 ohms, go to next step. If either resistance measurement is 5 ohms or more, repair open in circuit and repeat QUICK TEST.
  31. 83) Check BUS+ & BUS- Circuit For Short To Power  Leave scan tester, PCM and VLCM disconnected. Turn ignition on. Measure voltage between negative battery terminal and test pin No. 15 (BUS-) at breakout box. Measure voltage between negative battery terminal and test pin No. 16 (BUS+) at breakout box. If both voltage measurements are less than 8 volts, go to next step. If either voltage measurement is 8 volts or more, repair circuit short to power and repeat QUICK TEST.
  32. 84) Check BUS+ & BUS- Circuit Integrity  Turn ignition off. Leave scan tester, PCM and VLCM disconnected. Measure resistance between test pin No. 15 (BUS-) and test pins No. 51, 77 (PWR GND) and 91 (SIG RTN) at breakout box. Measure resistance between test pin No. 16 (BUS+) and test pins No. 51, 77 (PWR GND) and 91 (SIG RTN) at breakout box. Measure resistance between test pin No. 15 and test pin No. 16 at breakout box. If each resistance measurement is more than 500 ohms, ensure battery is fully charged and wiring harness is properly routed. If no faults are found, replace VLCM and repeat QUICK TEST. If either resistance measurement is less than 500 ohms, repair short circuit and repeat QUICK TEST.
    NOTE: A break in step numbering sequence occurs at this point. Procedure skips from step 84) to step 87). No test procedures have been omitted.
  33. 87) System Inspection  Ensure BUS+ and BUS- wiring harness are properly routed away from other high current circuits. Ensure battery is fully charged and terminals are clean. Check for incorrectly installed aftermarket electronic equipment. Repair or replace if necessary. If no faults are found, go to next step.
  34. 88) Check BUS+ & BUS- Circuit For Intermittent Short To Power  Turn ignition off. Disconnect scan tester from DLC (if applicable). Disconnect and inspect VLCM connector. Clean or repair connector as necessary. Disconnect PCM 104-pin connector. Inspect pins for damage and repair if necessary. Install EEC-V Breakout Box (014-00950), leaving PCM disconnected. Connect jumper wire between terminals No. 21 (BUS+) and 23 (BUS-) at VLCM wiring harness connector. Set DVOM on DC voltage scale. Connect DVOM between test pins No. 15 (BUS-) and No. 77 (PWR GND) at breakout box. Turn ignition on. Observe DVOM for indication of fault (voltage will suddenly increase to indicate fault) while performing the following:
    • Shake, wiggle and bend BUS+ and BUS- circuit between PCM and VLCM harness connectors.

    If a fault is indicated, isolate fault and repair as necessary. Reconnect all components and repeat QUICK TEST. If no fault is indicated, go to next step.

  35. 89) Check BUS+ & BUS- Circuit For Intermittent Open Circuit  Turn ignition off. Leave scan tester, PCM and VLCM disconnected. Leave jumper wire connected between terminals No. 21 and 23 at VLCM wiring harness connector. Connect ohmmeter between test pins No. 15 and No. 16 at breakout box. Resistance should be less than 5 ohms. Observe ohmmeter for indication of fault (resistance will suddenly increase to indicate fault) while performing the following:
    • Shake, wiggle and bend BUS+ and BUS- circuit between PCM and VLCM harness connectors.

    If a fault is indicated, isolate fault and repair as necessary. Reconnect all components and repeat QUICK TEST. If no fault is indicated, go to next step.

  36. 90) Check BUS+ & BUS- Circuit For Intermittent Short To Power  Leave scan tester, PCM and VLCM disconnected. Leave jumper wire connected between terminals No. 21 and 23 at VLCM wiring harness connector. Connect ohmmeter between test pins No. 15 (BUS-) and No. 77 (PWR GND) at breakout box. Ohmmeter should indicate a stable resistance. Observe ohmmeter for indication of fault (resistance will suddenly drop to indicate short circuit) while performing the following:
    • Shake, wiggle and bend BUS+ and BUS- circuit between DLC, PCM and VLCM connectors.

    Remove jumper wire from VLCM wiring harness connector. Connect ohmmeter between test pins No. 15 and No. 16 at breakout box. Ammeter should indicate a stable resistance. Observe ohmmeter for indication of fault while performing the following:

    • Shake, wiggle and bend BUS+ and BUS- circuit between DLC, PCM and VLCM connectors.

    If a fault is indicated, isolate fault and repair as necessary. Reconnect all components and repeat QUICK TEST. If no fault is indicated, problem is intermittent and cannot be duplicated at this time. Testing is complete.