LEMON Manuals: Even more car manuals for everyone
Home >> Lexus >> 2024 >> RC F Base >> Repair and Diagnosis >> Restraints >> Restraints Control Systems >> Pre-Collision System - Diagnostics - Introduction >> Pre-Collision System >> System Diagram [09/2014 - 08/2016] >> System Diagram [09/2014 - 08/2016]

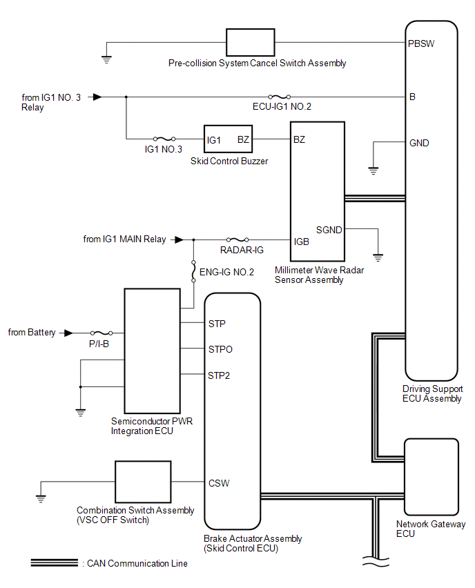
System Diagram [09/2014 - 08/2016]

GTY510880Courtesy of © TOYOTA, LICENSE AGREEMENT TMS1002
GTY502341Courtesy of © TOYOTA, LICENSE AGREEMENT TMS1002
COMMUNICATION TABLE

Sender Receiver Signal Line
Driving Support ECU Assembly Brake Actuator Assembly (Skid Control ECU)
  • Brake assist standby signal
  • Pre-collision brake operation signal
CAN
Driving Support ECU Assembly Combination Meter Assembly
  • Pre-collision system malfunction signal
  • Warning signal
  • Pre-collision system off signal
CAN
Driving Support ECU Assembly Millimeter Wave Radar Sensor Assembly Pre-collision alarm signal CAN
Brake Actuator Assembly (Skid Control ECU) Driving Support ECU Assembly Vehicle speed signal CAN
Yaw Rate Sensor Driving Support ECU Assembly Vehicle yaw rate sensor signal CAN
Main Body ECU (Multiplex Network Body ECU) Driving Support ECU Assembly Vehicle specification information (destination, steering wheel position) signal CAN
Spiral with Sensor Cable Sub-assembly (Steering Angle Sensor) Driving Support ECU Assembly Steering angle sensor signal CAN
ECM Driving Support ECU Assembly
  • Shift position signal (D, R)
  • Engine type information signal
  • Vehicle specification information (2WD/AWD information) signal
CAN
Millimeter Wave Radar Sensor Assembly Driving Support ECU Assembly
  • Front obstacle recognition signal
  • Distance signal
  • Relative speed signal
CAN