LEMON Manuals: Even more car manuals for everyone
Home >> Lexus >> 2023 >> RC F Base >> Repair and Diagnosis (Single Page) >> Accessories & Equipment >> Communication Devices >> Can Communication System - Diagnostic Codes (2 Of 3) >> Can Communication System >> DTC U110F: Lost Communication With Roll Rate Sensor/Vertical Acceleration Sensor Module; DTC U1172: Lost Communication with Vehicle Dynamics Control Module (ch2) [11/2017 - 03/2019] >> Wiring Diagram

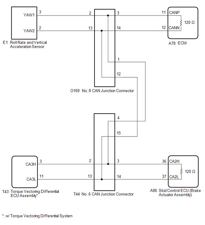
DTC U110F: Lost Communication With Roll Rate Sensor/Vertical Acceleration Sensor Module; DTC U1172: Lost Communication with Vehicle Dynamics Control Module (ch2) [11/2017 - 03/2019]: Wiring Diagram

GTY825858Courtesy of © TOYOTA, LICENSE AGREEMENT TMS1002