LEMON Manuals: Even more car manuals for everyone
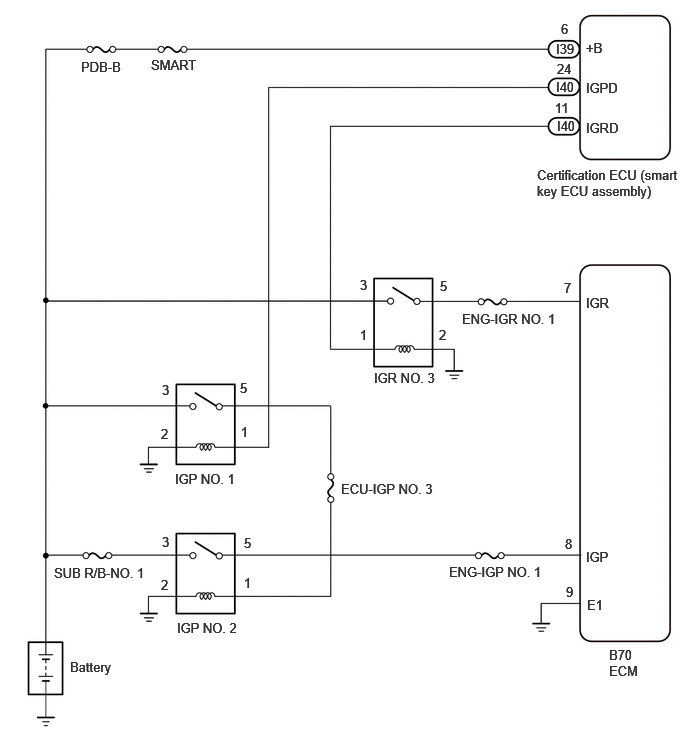
Home >> Lexus >> 2023 >> LX 600 Base >> Repair and Diagnosis >> Engine Performance >> System >> Engine Control System (W/ Canister Pump Module) - Diagnostic Codes (8 Of 9) >> SFI SYSTEM (w/ Canister Pump Module) >> DTC P2533-14: Ignition Switch On/Start Position Circuit Low Circuit Short to Ground or Open [12/2021 - ] >> Wiring Diagram

DTC P2533-14: Ignition Switch On/Start Position Circuit Low Circuit Short to Ground or Open [12/2021 - ]: Wiring Diagram

GTY1078726Courtesy of © TOYOTA, LICENSE AGREEMENT TMS1002