LEMON Manuals: Even more car manuals for everyone
Home >> Lexus >> 2023 >> LX 600 Base >> Repair and Diagnosis >> Engine Performance >> System >> Engine Control System (W/ Canister Pump Module) - Diagnostic Codes (1 Of 9) >> SFI SYSTEM (w/ Canister Pump Module) >> DTC P00B1-11: Radiator Coolant Temperature Sensor Circuit Short to Ground [12/2021 - ] >> Procedure

DTC P00B1-11: Radiator Coolant Temperature Sensor Circuit Short to Ground [12/2021 - ]: Procedure

  1. READ VALUE USING GTS (CHECK FOR SHORT IN WIRE HARNESS) 

    Pre-procedure1

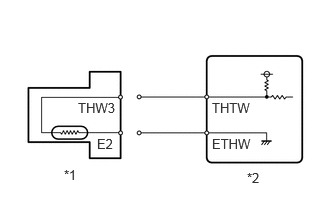
    GTY1041082Courtesy of © TOYOTA, LICENSE AGREEMENT TMS1002
    *1 No. 2 Engine Coolant Temperature Sensor
    *2 ECM
    • Disconnect the No. 2 engine coolant temperature sensor connector.
    • According to the display on the GTS, read the Data List.

      Powertrain > Engine > Data List 

      Tester Display
      Radiator Coolant Temperature

      Result

      Result Proceed to
      The value of Radiator Coolant Temperature is -40°C A
      None of the above conditions are met B

      HINT: 

      -40°C (-40°F)

    Post-procedure1

    • None

    Result: 

    REPLACE NO. 2 ENGINE COOLANT TEMPERATURE SENSOR. Refer to  REMOVAL [12/2021 - ] 

    Result: 

    See step  2

  2. CHECK HARNESS AND CONNECTOR (NO. 2 ENGINE COOLANT TEMPERATURE SENSOR - ECM) 

    Pre-procedure1

    • Disconnect the No. 2 engine coolant temperature sensor connector.
    • Disconnect the ECM connector.
    • Measure the resistance according to the value(s) in the table below.

      Standard Resistance

      Tester Connection Condition Specified Condition
      A13-2 (THW3) or B70-42 (THTW) - Body ground and other terminals Always 10 kΩ or higher

      Result

      Proceed to
      OK
      NG

    Post-procedure1

    • None

    Result: 

    OK 

    REPLACE ECM. Refer to  REMOVAL [12/2021 - ] 

    Result: 

    NG 

    REPAIR OR REPLACE HARNESS OR CONNECTOR