LEMON Manuals: Even more car manuals for everyone
Home >> Lexus >> 2023 >> LS 500 Base, AWD >> Repair and Diagnosis >> Restraints >> Restraints Control Systems >> Easy Access Buckle System - Diagnostics - Introduction >> Easy Access Buckle System >> System Diagram [12/2017 - 10/2023] >> System Diagram [12/2017 - 10/2023]

System Diagram [12/2017 - 10/2023]

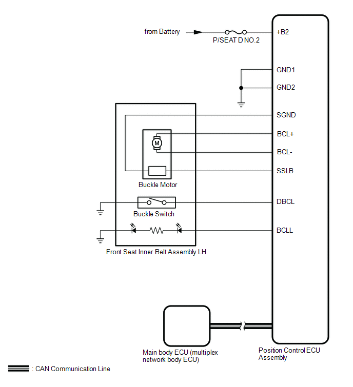
  1. for Driver Side 
    GTY778771Courtesy of © TOYOTA, LICENSE AGREEMENT TMS1002
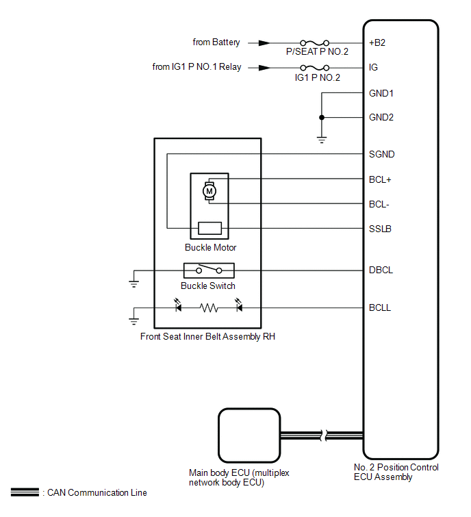
  2. for Front Passenger Side 
    GTY827024Courtesy of © TOYOTA, LICENSE AGREEMENT TMS1002
    COMMUNICATION TABLE

    Sender Receiver Signal Communication Method
    Main body ECU (multiplex network body ECU) No. 2 Position Control ECU Assembly Front door RH courtesy signal CAN
    Main body ECU (multiplex network body ECU) Position Control ECU Assembly Front door LH courtesy signal