LEMON Manuals: Even more car manuals for everyone
Home >> Lexus >> 2023 >> LC 500h >> Repair and Diagnosis >> Engine Performance >> System >> Engine Control System - Diagnostics - Introduction (1 Of 4) >> SFI System >> System Diagram [01/2017 - 04/2020] >> System Diagram [01/2017 - 04/2020]

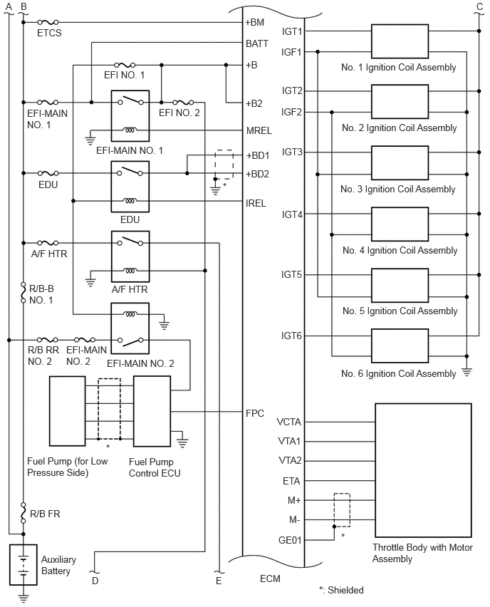
System Diagram [01/2017 - 04/2020]

GTY785749Courtesy of © TOYOTA, LICENSE AGREEMENT TMS1002
GTY791764Courtesy of © TOYOTA, LICENSE AGREEMENT TMS1002
GTY797341Courtesy of © TOYOTA, LICENSE AGREEMENT TMS1002
GTY806021Courtesy of © TOYOTA, LICENSE AGREEMENT TMS1002
GTY812684Courtesy of © TOYOTA, LICENSE AGREEMENT TMS1002