LEMON Manuals: Even more car manuals for everyone
Home >> Lexus >> 2021 >> UX 250h Base >> Repair and Diagnosis (Single Page) >> Accessories & Equipment >> Anti-Theft Systems >> Smart Access System W/ Push-Button Start (Entry Function) (Diagnostic Codes & Symptom Tests) (Hybrid) >> SMART ACCESS SYSTEM WITH PUSH-BUTTON START (for Entry Function, HV Model) >> All Door Entry Lock/Unlock Functions and Wireless Functions do not Operate [10/2018 - 08/2021] >> Wiring Diagram

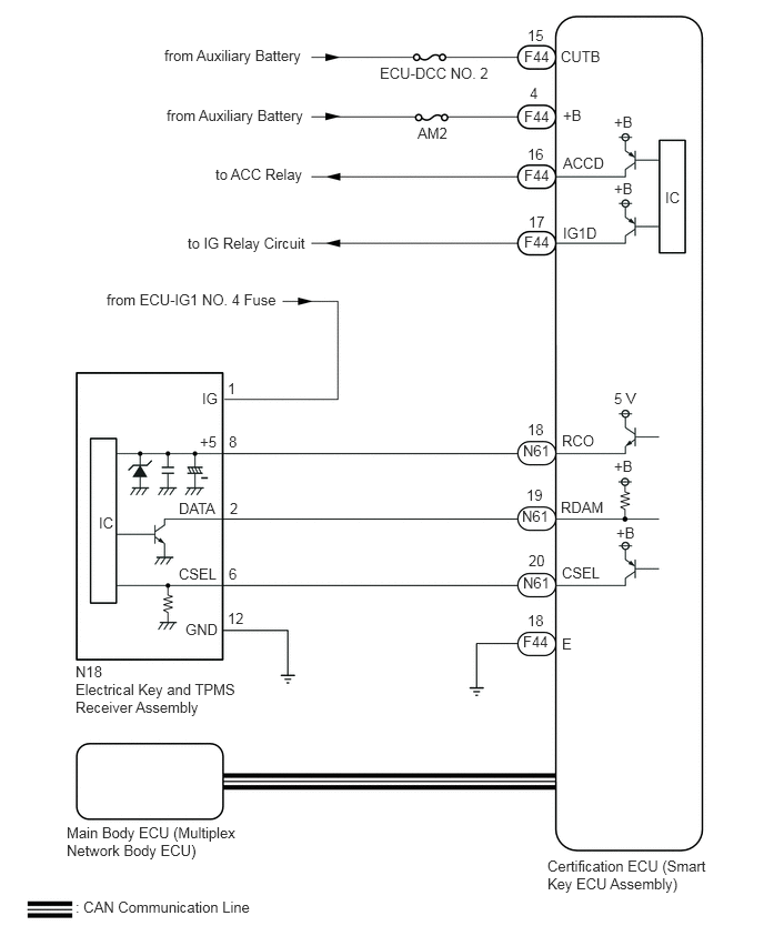
All Door Entry Lock/Unlock Functions and Wireless Functions do not Operate [10/2018 - 08/2021]: Wiring Diagram

GTY777138Courtesy of © TOYOTA, LICENSE AGREEMENT TMS1002