LEMON Manuals: Even more car manuals for everyone
Home >> Lexus >> 2021 >> UX 200 Base >> Repair and Diagnosis (Single Page) >> Transmission >> Automatic Trans >> Continuously Variable Transaxle (CVT) System (K120) (Diagnostic Codes) (2 Of 2) & Circuit Tests) >> Continuously Variable Transaxle System >> Shift Paddle Switch Circuit [10/2018 - 07/2022] >> Wiring Diagram

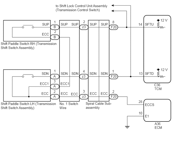
Shift Paddle Switch Circuit [10/2018 - 07/2022]: Wiring Diagram

GTY791716Courtesy of © TOYOTA, LICENSE AGREEMENT TMS1002